h1_key

TI(德州仪器) TPS2514A-Q1
德州仪器 (TI) 全系列产品在线购买
  • TI(德州仪器) TPS2514A-Q1
  • TI(德州仪器) TPS2514A-Q1
  • TI(德州仪器) TPS2514A-Q1
  • TI(德州仪器) TPS2514A-Q1
  • TI(德州仪器) TPS2514A-Q1
  • TI(德州仪器) TPS2514A-Q1
立即查看
您当前的位置: 首页 > 电源管理 > USB 电源开关和充电端口控制器 > TPS2514A-Q1
TPS2514A-Q1

TPS2514A-Q1

正在供货

TPS2514A-Q1 USB 专用充电端口控制器

产品详情
  • 说明
  • 特性
  • 参数
  • 封装 | 引脚 | 尺寸

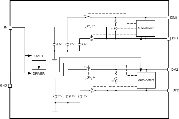
TPS2513A-Q1 和 TPS2514A-Q1 是 USB 专用充电端口 (DCP) 控制器,用于为大多数常见手机和平板电脑充电。 一个自动检测特性监控 USB 数据线路电压,并在数据线路上自动提供正确的电气特征,以便在下列专用充电系统配置中为兼容器件充电:

分压器 3 模式,需要分别在 D+ 和 D- 线路上施加 2.7V 和 2.7V 电压。BC1.2 短接模式,需要将 D+ 线路短接至 D- 线路。1.2V 模式,需要在 D+ 和 D- 线路上施加 1.2V 电压

搭配使用 TPS2561A-Q1 与 TPS2513A-Q1(双通道)、TPS2557-Q1 与 TPS2514A-Q1(单通道)可提供一套低损耗的汽车级 USB 充电端口解决方案,该解决方案能够为目前所有常见的手机和平板电脑充电。

中的封装尺寸(标称值)值

  • 符合 AEC-Q100 标准:
    • 器件人体模型 (HBM) 静电放电 (ESD) 分类等级 H2
    • 器件充电器件模型 (CDM) ESD 分类等级 C5
  • 自动选择充电模式
    • D+ 和 D- 分压器模式 2.7V 和 2.7V
    • D+ 和 D- 1.2V 模式
    • 依照 USB 电池充电技术规格,修订版本 1.2 (BC1.2) 的 D+ 和 D- 短接模式
  • 工作电压范围:4.5V 至 5.5V
  • 双路 USB 充电端口控制器,
    TPS2513A-Q1
  • 单路 USB 充电端口控制器,
    TPS2514A-Q1
  • 采用小外形尺寸晶体管 (SOT)23-6 封装

应用范围

  • 车辆 USB 电源充电器
  • 汽车充电器

All trademarks are the property of their respective owners.

Product typeCharge port controller
Vin (min) (V)4.5
Vin (max) (V)5.5
Operating temperature range (°C)-40 to 125
RatingAutomotive
SOT-23 (DBV)68.12 mm² 2.9 x 2.8
产品购买
  • 商品型号
  • 封装
  • 工作温度
  • 包装
  • 价格
  • 现货库存
  • 操作
10s
温馨提示:
订单商品问题请移至我的售后服务提交售后申请,其他需投诉问题可移至我的投诉提交,我们将在第一时间给您答复
返回顶部