h1_key

TI(德州仪器) TPS54335A
德州仪器 (TI) 全系列产品在线购买
  • TI(德州仪器) TPS54335A
  • TI(德州仪器) TPS54335A
  • TI(德州仪器) TPS54335A
  • TI(德州仪器) TPS54335A
  • TI(德州仪器) TPS54335A
  • TI(德州仪器) TPS54335A
立即查看
您当前的位置: 首页 > 电源管理 > 直流/直流开关稳压器 > 降压稳压器 > TPS54335A
TPS54335A

TPS54335A

正在供货

具有 Eco-Mode 的 4.5V 至 28V 输入、3A 同步降压转换器

产品详情
  • 说明
  • 特性
  • 参数
  • 封装 | 引脚 | 尺寸

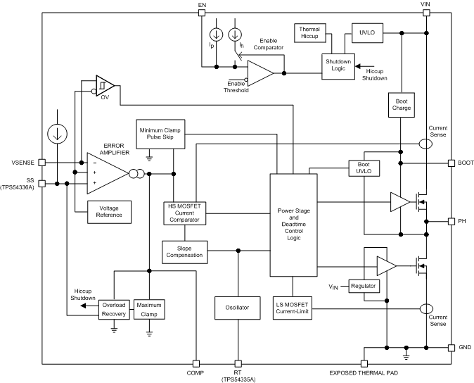
TPS5433xA 系列器件为同步转换器,输入电压范围介于 4.5V 和 28V 之间。该系列器件集成有低侧开关场效应晶体管 (FET),免除了对外部二极管的需求,从而减少了组件数。

凭借集成的 128mΩ 和 84mΩ MOSFET、低 IQ 以及轻负载时的脉冲跳跃模式,大大提升了效率。通过使能引脚可以将关断电源电流减小至 2µA。该降压转换器的基准电压在整个温度范围内保持 1.5% 的精度,可为各类负载提供精确稳压。

高侧 FET 的逐周期电流限制可在过载情况下保护 TPS5433xA 系列器件,并通过低侧电源限流防止电流失控,从而实现功能增强。低侧灌电流限制可关闭低侧 MOSFET,以防止过多的反向电流。在过流情况持续时间超过预设时间时,将触发断续保护功能。热关断将在芯片温度超出阈值时禁用器件,并在经过一段内置的热断续时间后再次使能器件。

  • 同步 128mΩ 和 84mΩ 金属氧化物半导体场效应晶体管 (MOSFET),用于实现
    3A 持续输出电流
  • TPS54335A:内部 2ms 软启动,
    50kHz 至 1.5MHz 可调频率
  • TPS54336A:可调软启动,
     340kHz 固定频率
  • 关断时静态电流低至 2µA
  • 0.8V 基准电压,精度为 ±0.8%
  • 电流模式控制
  • 针对预偏置输出的单调性启动
  • 用于在轻负载时提高效率的脉冲跳跃模式
  • 断续模式过流保护
  • 热关断 (TSD) 和
    过压变换保护
  • 8 引脚小外形尺寸 (SO) PowerPAD和 10 引脚超薄小外形尺寸无引线 (VSON) 封装

应用范围

  • 消费类 应用 消费类应用,例如数字电视 (DTV)、机顶盒(STB、数字化视频光盘 (DVD)/蓝光播放器)、液晶显示器、客户端设备 (CPE)(电缆调制解调器、WiFi 路由器)、数字光处理 (DLP) 投影仪、智能电表
  • 电池充电器
  • 工业用和车载音频电源
  • 5V、12V 和 24V 分布式电源总线供电

All trademarks are the property of their respective owners. All trademarks are the property of their respective owners.

Vin (min) (V)4.5
Vin (max) (V)28
Vout (min) (V)0.8
Vout (max) (V)24
Iout (max) (A)3
Iq (typ) (mA)0.6
Switching frequency (min) (kHz)50
Switching frequency (max) (kHz)1500
FeaturesEnable, Light Load Efficiency, Soft Start Fixed, Synchronous Rectification
Operating temperature range (°C)-40 to 150
RatingCatalog
Regulated outputs (#)1
Control modecurrent mode
Duty cycle (max) (%)90
TypeConverter
HSOIC (DDA)829.4 mm² 4.9 x 6
VSON (DRC)109 mm² 3 x 3
产品购买
  • 商品型号
  • 封装
  • 工作温度
  • 包装
  • 价格
  • 现货库存
  • 操作
10s
温馨提示:
订单商品问题请移至我的售后服务提交售后申请,其他需投诉问题可移至我的投诉提交,我们将在第一时间给您答复
返回顶部