h1_key

TI(德州仪器) LMZ21701
德州仪器 (TI) 全系列产品在线购买
  • TI(德州仪器) LMZ21701
  • TI(德州仪器) LMZ21701
  • TI(德州仪器) LMZ21701
  • TI(德州仪器) LMZ21701
  • TI(德州仪器) LMZ21701
  • TI(德州仪器) LMZ21701
立即查看
您当前的位置: 首页 > 电源管理 > 直流/直流开关稳压器 > 降压稳压器 > LMZ21701
LMZ21701

LMZ21701

正在供货

采用 3.5mm × 3.5mm 封装的 3V 至 17V、1A 降压直流/直流电源模块

产品详情
  • 说明
  • 特性
  • 参数
  • 封装 | 引脚 | 尺寸

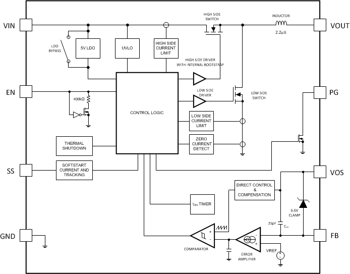
LMZ21701 微型模块是易于使用的降压直流/直流解决方案,可在空间受限的应用中驱动高达 1000mA 的 负载。仅需一个输入电容器、一个输出电容器、一个软启动电容器和两个电阻器即可完成基本操作。

  • 集成电感
  • 微型 3.5mm × 3.5mm × 1.75mm 封装
  • 35-mm² 解决方案尺寸(单侧)
  • 结温范围为 -40°C 至 125°C
  • 可调输出电压
  • 集成补偿
  • 可调软启动功能
  • 启动至预偏置负载
  • 电源正常状态和使能引脚
  • 节能模式无缝转换
  • 高达 1000mA 的输出电流
  • 输入电压范围为 3V 至 17V
  • 输出电压范围为 0.9V 到 6V
  • 效率高达 95 %
  • 1.5µA 关断电流
  • 17µA 静态电流
  • 使用 LMZ21701 并借助 WEBENCH® 电源设计器创建定制设计
Iout (max) (A)1
Vin (min) (V)3
Vin (max) (V)17
Vout (min) (V)0.9
Vout (max) (V)6
Soft startAdjustable
FeaturesEMI Tested, Enable, Light Load Efficiency, Power good
Operating temperature range (°C)-40 to 125
Iq (typ) (mA)0.017
Regulated outputs (#)1
Switching frequency (max) (kHz)2500
Switching frequency (min) (kHz)1250
Duty cycle (max) (%)100
TopologyBuck, Synchronous Buck
TypeModule
RatingCatalog
Control modeConstant on-time (COT), DCS-Control
USIP (SIL)8See data sheet
产品购买
  • 商品型号
  • 封装
  • 工作温度
  • 包装
  • 价格
  • 现货库存
  • 操作
10s
温馨提示:
订单商品问题请移至我的售后服务提交售后申请,其他需投诉问题可移至我的投诉提交,我们将在第一时间给您答复
返回顶部