h1_key

TI(德州仪器) CSD17578Q3A
德州仪器 (TI) 全系列产品在线购买
  • TI(德州仪器) CSD17578Q3A
  • TI(德州仪器) CSD17578Q3A
  • TI(德州仪器) CSD17578Q3A
  • TI(德州仪器) CSD17578Q3A
  • TI(德州仪器) CSD17578Q3A
  • TI(德州仪器) CSD17578Q3A
立即查看
您当前的位置: 首页 > 电源管理 > MOSFET > N 沟道 MOSFET > CSD17578Q3A
CSD17578Q3A

CSD17578Q3A

正在供货

采用 3mm x 3mm SON 封装的单路、9.4mΩ、30V、N 沟道 NexFET™ 功率 MOSFET

产品详情
  • 说明
  • 特性
  • 参数
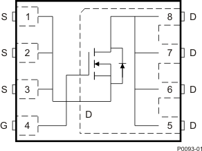
  • 封装 | 引脚 | 尺寸

这款 30V,6.3mΩ,SON 3.3mm × 3.3mm NexFET™功率 MOSFET 旨在最大限度地降低功率转换应用中的 损耗。

  • 低 Qg 和 Qgd
  • 低 RDS(on)
  • 低热阻
  • 雪崩级
  • 无铅
  • 符合 RoHS 标准
  • 无卤素
  • 小外形尺寸无引线 (SON) 3.3mm × 3.3mm 塑料封装
VDS (V)30
ConfigurationSingle
Rds(on) at VGS=4.5 V (max) (mΩ)9.4
Rds(on) at VGS=10 V (max) (mΩ)7.3
IDM - pulsed drain current (max) (A)142
QG (typ) (nC)7.9
QGD (typ) (nC)1.7
QGS (typ) (nC)3.3
VGS (V)20
VGSTH typ (typ) (V)1.5
ID - silicon limited at TC=25°C (A)54
ID - package limited (A)20
Logic levelYes
Operating temperature range (°C)-55 to 150
RatingCatalog
VSONP (DNH)810.89 mm² 3.3 x 3.3
产品购买
  • 商品型号
  • 封装
  • 工作温度
  • 包装
  • 价格
  • 现货库存
  • 操作
10s
温馨提示:
订单商品问题请移至我的售后服务提交售后申请,其他需投诉问题可移至我的投诉提交,我们将在第一时间给您答复
返回顶部