h1_key

TI(德州仪器) BQ24250C
德州仪器 (TI) 全系列产品在线购买
  • TI(德州仪器) BQ24250C
  • TI(德州仪器) BQ24250C
  • TI(德州仪器) BQ24250C
  • TI(德州仪器) BQ24250C
  • TI(德州仪器) BQ24250C
  • TI(德州仪器) BQ24250C
立即查看
您当前的位置: 首页 > 电源管理 > 电池管理 IC > 电池充电器 IC > BQ24250C
BQ24250C

BQ24250C

正在供货

SYSOFF 模式下具有 1uA 静态电流、I2C 控制型单节 2A 降压型电池充电器

产品详情
  • 说明
  • 特性
  • 参数
  • 封装 | 引脚 | 尺寸

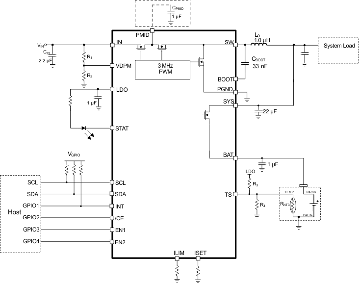
The bq24250C is a highly integrated single-cell Li-Ion battery charger and system power-path management device targeted for space-limited, portable applications with high capacity batteries. The single cell charger has a single input that operates from either a USB port or AC wall adapter for a versatile solution.

  • High-efficiency Switch-mode Charger with Separate Power Path
  • Start up System from Deeply Discharged or Missing Battery
  • USB Charging Compliant
    • Selectable Input Current Limit of 100 mA, 500 mA, 900 mA,
      1.5 A, and 2 A
  • In Host Mode (After I2C Communication Starts and Before
    Watchdog Timer Times Out)
    • Programmable Battery Charge Voltage, VBATREG
    • Programmable Charge Current (ICHG)
    • Programmable Input Current Limit (ILIM)
    • Programmable Input Voltage Based Dynamic Power
      Management threshold, (VIN_DPM)
    • Programmable Input Overvoltage Protection Threshold
      (VOVP)
    • Programmable Safety Timer
  • Resistor Programmable Defaults for:
    • ICHG up to 2 A with Current Monitoring Output
      (ISET)
    • ILIM up to 2 A with Current Monitoring Output (ILIM)
    • VIN_DPM (VDPM)
  • Watchdog Timer Disable Bit
  • Integrated 4.9 V, 50 mA LDO
  • Complete System Level Protection
    • Input UVLO, Input Over-voltage Protection (OVP),
      Battery OVP, Sleep Mode, VIN_DPM
    • Input Current Limit
    • Charge Current Limit
    • Thermal Regulation
    • Thermal Shutdown
    • Voltage Based NTC Monitoring Input
    • Safety Timer
  • 20 V Maximum Input Voltage Rating
  • 10.5 V Maximum Operating Input Voltage
  • Low RDS(on) Integrated Power FETs for up to 2 A
    Charging Rate
  • Open Drain Status Outputs
  • Synchronous Fixed-frequency PWM Controller Operating at
    3MHz for Small Inductor Support
  • Robust Battery Detection Algorithm
  • Charge Time Optimizer for improved charge times at any given
    charge current
  • 2.4 × 2.0 mm 30-ball WCSP Packages
Number of series cells1
Charge current (max) (A)2
Vin (max) (V)10.5
Cell chemistryLi-Ion/Li-Polymer
Battery charge voltage (min) (V)3.5
Battery charge voltage (max) (V)4.44
Absolute max Vin (max) (V)20
Control topologySwitch-Mode Buck
Control interfaceI2C, Standalone (RC-Settable)
FeaturesBAT temp thermistor monitoring (JEITA profile), BAT temp thermistor monitoring (hot/cold profile), IC thermal regulation, Input OVP, Integrated LDO, Power Path
Vin (min) (V)4.35
RatingCatalog
Operating temperature range (°C)-40 to 85
DSBGA (YFF)305.71999999999999912 mm² 2.2 x 2.5999999999999996
产品购买
  • 商品型号
  • 封装
  • 工作温度
  • 包装
  • 价格
  • 现货库存
  • 操作
10s
温馨提示:
订单商品问题请移至我的售后服务提交售后申请,其他需投诉问题可移至我的投诉提交,我们将在第一时间给您答复
返回顶部