h1_key

TI(德州仪器) CSD75208W1015
德州仪器 (TI) 全系列产品在线购买
  • TI(德州仪器) CSD75208W1015
  • TI(德州仪器) CSD75208W1015
  • TI(德州仪器) CSD75208W1015
  • TI(德州仪器) CSD75208W1015
  • TI(德州仪器) CSD75208W1015
  • TI(德州仪器) CSD75208W1015
立即查看
您当前的位置: 首页 > 电源管理 > MOSFET > P 沟道 MOSFET > CSD75208W1015
CSD75208W1015

CSD75208W1015

正在供货

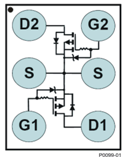
采用 1mm x 1.5mm WLP 封装、具有栅极 ESD 保护的双通道共源极、108mΩ、-20V、P 沟道 NexFET™ 功率 MOSFET

产品详情
  • 说明
  • 特性
  • 参数
  • 封装 | 引脚 | 尺寸

此器件设计用于在超薄且具有出色散热特性的超小外形尺寸封装内提供最低的导通电阻和栅极电荷。低导通电阻与小型低厚度封装结合在一起,使得此器件成为电池供电运行空间受限应用的 理想选择。

  • 双路 P 通道 MOSFET
  • 共源配置
  • 1.5mm x 1mm 小尺寸封装
  • 栅极 - 源电压钳位
  • 栅极静电放电 (ESD) 保护 - 3kV
  • 无铅
  • 符合 RoHS 环保标准
  • 无卤素
VDS (V)-20
VGS (V)-6
ConfigurationDual Common Source
Rds(on) at VGS=4.5 V (max) (mΩ)108
Rds(on) at VGS=2.5 V (max) (mΩ)150
Rds(on) at VGS=1.8 V (max) (mΩ)285
Id peak (max) (A)-22
Id max cont (A)-1.6
QG (typ) (nC)1.9
QGD (typ) (nC)0.23
QGS (typ) (nC)0.48
VGSTH typ (typ) (V)-0.8
ID - silicon limited at TC=25°C (A)1.6
Logic levelYes
Operating temperature range (°C)-55 to 150
RatingCatalog
DSBGA (YZC)62.1875 mm² 1.75 x 1.25
产品购买
  • 商品型号
  • 封装
  • 工作温度
  • 包装
  • 价格
  • 现货库存
  • 操作
10s
温馨提示:
订单商品问题请移至我的售后服务提交售后申请,其他需投诉问题可移至我的投诉提交,我们将在第一时间给您答复
返回顶部