h1_key

TI(德州仪器) TPS62134A
德州仪器 (TI) 全系列产品在线购买
  • TI(德州仪器) TPS62134A
  • TI(德州仪器) TPS62134A
  • TI(德州仪器) TPS62134A
  • TI(德州仪器) TPS62134A
  • TI(德州仪器) TPS62134A
  • TI(德州仪器) TPS62134A
立即查看
您当前的位置: 首页 > 电源管理 > 直流/直流开关稳压器 > 降压稳压器 > TPS62134A
TPS62134A

TPS62134A

正在供货

适用于 Intel SkyLake 平台且具有低功耗模式输入的 17V 输入降压转换器

产品详情
  • 说明
  • 特性
  • 参数
  • 封装 | 引脚 | 尺寸

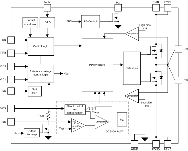
TPS62134x 系列器件是一款易于使用的同步降压 DC-DC 转换器,可兼容 Intel Skylake 平台应用,诸如 超级本 和笔记本电脑。 高性能 DCS-Control 架构可提供快速瞬态响应以及高精度输出电压。

借助其 3 至 17V 宽运行输入电压范围,此器件非常适用于由锂离子电池或者其它电池以及由 12V 中间电源轨供电的系统。 器件具有低功耗模式,在该模式下器件可通过 LPM 引脚降低输出电压。 此外,器件还可通过 VIDx 引脚支持输出电压的动态变化。 LPM 和 VIDx 引脚可帮助系统在不同工作模式下最大限度地降低功耗。

输出电压启动斜坡由 SS 引脚控制。 电源排序可通过使能 (EN) 引脚和电源正常 (PG) 引脚配置。 省电模式下,器件所示静态电流约为 20μA,该电流可在整个负载范围内保持高效率。 短路保护和热关断功能可保护集成电路 (IC) 和外部元件,使其不受输出接地短路时产生的强大电流的影响。 该器件采用 3mm × 3mm 16 引脚超薄四方扁平无引线封装 (VQFN) 封装,且带有散热焊盘。

  • DCS-Control 架构
  • 支持系统待机模式的低功耗模式
  • 用于在轻载时实现高效率的省电模式
  • 固定输出电压可选择(0.7V 至 1.05V)
  • 低功耗模式逻辑输入
  • 静态电流为 20µA
  • 输入电压范围:3V 至 17V
  • 输出电流:高达 3.2A
  • 可编程软启动
  • 电源正常输出
  • 短路保护
  • 单端遥感
  • 热关断保护
  • 采用 3mm x 3mm 超薄型四方扁平无引线 (VQFN)-16 封装

应用

  • Intel Skylake 平台超级本、笔记本电脑和 PC
  • 标准 12V 导轨式电源
  • 负载点 (POL) 由 1 至 4 节锂离子电池供电
  • 固态硬盘驱动器
  • 嵌入式系统

All trademarks are the property of their respective owners.

Vin (min) (V)3
Vin (max) (V)17
Vout (min) (V)0.85
Vout (max) (V)0.975
Iout (max) (A)3.2
Iq (typ) (mA)0.02
Switching frequency (min) (kHz)1000
Switching frequency (max) (kHz)1000
FeaturesEnable, Light Load Efficiency, Output discharge, Power good, Pre-Bias Start-Up, Synchronous Rectification
Operating temperature range (°C)-40 to 85
RatingCatalog
Regulated outputs (#)1
Control modeDCS-Control
Duty cycle (max) (%)100
TypeConverter
VQFN (RGT)169 mm² 3 x 3
产品购买
  • 商品型号
  • 封装
  • 工作温度
  • 包装
  • 价格
  • 现货库存
  • 操作
10s
温馨提示:
订单商品问题请移至我的售后服务提交售后申请,其他需投诉问题可移至我的投诉提交,我们将在第一时间给您答复
返回顶部