h1_key

TI(德州仪器) TPS65263
德州仪器 (TI) 全系列产品在线购买
  • TI(德州仪器) TPS65263
  • TI(德州仪器) TPS65263
  • TI(德州仪器) TPS65263
  • TI(德州仪器) TPS65263
  • TI(德州仪器) TPS65263
  • TI(德州仪器) TPS65263
立即查看
您当前的位置: 首页 > 电源管理 > 直流/直流开关稳压器 > 降压稳压器 > TPS65263
TPS65263

TPS65263

正在供货

4.5V 至 18V 输入电压、3A/2A/2A 输出电流降压转换器,具有通过 I2C 控制的 DVS

产品详情
  • 说明
  • 特性
  • 参数
  • 封装 | 引脚 | 尺寸

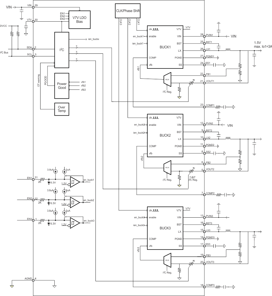
TPS65263 整合了三路同步降压转换器,支持 4.5V 至 18V 宽范围输入电压,该电压范围包括大部分中间总线关闭电压为 5、9、12 或 15V 的电源总线或电池。这款转换器具有恒定频率峰值电流模式,专用于简化应用,同时方便设计人员根据目标应用来优化系统。该器件工作频率为 600kHz,buck1 与 buck2 和 buck3 之间 180° 异相(buck2 和 buck3 同相运行)。

每个降压转换器的初始启动电压都可通过外部反馈电阻设定。可使用 I 2C 受控 7 位 VID 对每个降压转换器的输出电压进行动态调整,范围为 0.68V 至 1.95V,步长为 10mV。可通过 I 2C 总线 3 位控制对 VID 电压转换率进行编程,以优化 VID 电压转换期间的过冲/下冲。

TPS65263 中的每个降压转换器都可通过 I 2C 加以控制,从而执行以下操作:启用/禁用输出电压、设置脉冲跳跃模式 (PSM) 或轻负载条件下的强制持续电流模式 (FCC) 以及读取电源正常状态、过流警告和温度警告。

TPS65263 具有过压保护、过流保护、短路保护和过热保护功能。

  • 工作输入电压范围 4.5V 至 18V,连续输出电流 3A/2A/2A
  • 通过 I 2C 控制型 7 位 VID 可为每个降压转换器实现可编程输出电压范围为 0.68V 至 1.95V,阶跃为 10mV
  • I 2C 控制型 VID 电压转换压摆率
  • 通过 I 2C 可针对每个降压转换器读回电源正常状态,发出过流警告
  • 通过 I 2C 读回芯片温度警告
  • 具有支持标准模式 (100kHz) 和快速模式 (400kHz) 的 I 2C 兼容接口
  • 反馈基准电压为 0.6V ±1%
  • 600kHz 固定频率
  • 针对每次降压的专用使能引脚和软启动引脚
  • 热过载保护
Vin (min) (V)4.5
Vin (max) (V)18
Vout (min) (V)0.6
Vout (max) (V)17
Iout (max) (A)3
Iq (typ) (mA)0.74
Switching frequency (min) (kHz)550
Switching frequency (max) (kHz)650
FeaturesAdaptive/Dynamic Voltage Scaling, Adjustable current limit, Enable, Light Load Efficiency, Power good, Soft Start Adjustable, Synchronous Rectification, UVLO adjustable
Operating temperature range (°C)-40 to 85
RatingCatalog
Regulated outputs (#)3
Control modecurrent mode
Duty cycle (max) (%)100
TypeConverter
VQFN (RHB)3225 mm² 5 x 5
产品购买
  • 商品型号
  • 封装
  • 工作温度
  • 包装
  • 价格
  • 现货库存
  • 操作
10s
温馨提示:
订单商品问题请移至我的售后服务提交售后申请,其他需投诉问题可移至我的投诉提交,我们将在第一时间给您答复
返回顶部