h1_key

TI(德州仪器) LP2996A
德州仪器 (TI) 全系列产品在线购买
  • TI(德州仪器) LP2996A
  • TI(德州仪器) LP2996A
  • TI(德州仪器) LP2996A
  • TI(德州仪器) LP2996A
  • TI(德州仪器) LP2996A
  • TI(德州仪器) LP2996A
立即查看
您当前的位置: 首页 > 电源管理 > 多通道 IC (PMIC) > LP2996A
LP2996A

LP2996A

正在供货

具有 DDR2/3/3L 关断引脚的 1.5A DDR 终端稳压器

产品详情
  • 说明
  • 特性
  • 参数
  • 封装 | 引脚 | 尺寸

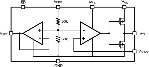
LP2996A 线性稳压器的设计符合 DDR-SDRAM 端接的 JEDEC SSTL-2 规范。 此器件还支持 DDR2、DDR3 和 DDR3L VTT 总线端接,VDDQ 最小值为 1.35V。 此器件包含高速运算放大器,可提供出色的负载瞬变响应。 输出级可防止在 DDR-SDRAM 端接所需的应用中提供 1.5A 连续电流和最大 3A 的瞬态峰值电流时发生直通。 LP2996A 还包含一个 VSENSE 引脚(用于提供出色的负载调节),以及一个 VREF 输出(作为芯片组和 DIMM 的参考)。

LP2996A 的一个附加特性是具有一个低电平有效关断 (SD) 引脚,该引脚提供“挂起到 RAM”(STR) 功能。 当 SD 下拉时,VTT 输出将变为三态,并提供高阻抗输出,但 VREF 将保持有效。 在此模式下,可通过较低的静态电流获得节能优势。

要了解所有可用封装,请见数据表末尾的可订购产品附录。

  • VDDQ 最小值为 1.35V
  • 拉电流和灌电流
  • 低输出电压偏移
  • 无需外部电阻
  • 线性拓扑
  • 挂起到 RAM (STR) 功能
  • 低外部元件数
  • 热关断
  • -40°C 至 125°C 条件下推荐使用 LP2998/8Q

应用

  • DDR1、DDR2、DDR3 和 DDR3L 端接电压
  • FPGA
  • 工业/医疗 PC
  • SSTL-2 和 SSTL-3 端接
  • HSTL 端接

All trademarks are the property of their respective owners.

Vin (min) (V)1.35
Vin (max) (V)5.5
FeaturesShutdown Pin for S3
Iq (typ) (mA)0.32
RatingCatalog
Operating temperature range (°C)0 to 125
HSOIC (DDA)829.4 mm² 4.9 x 6
产品购买
  • 商品型号
  • 封装
  • 工作温度
  • 包装
  • 价格
  • 现货库存
  • 操作
10s
温馨提示:
订单商品问题请移至我的售后服务提交售后申请,其他需投诉问题可移至我的投诉提交,我们将在第一时间给您答复
返回顶部