h1_key

TI(德州仪器) CSD17575Q3
德州仪器 (TI) 全系列产品在线购买
  • TI(德州仪器) CSD17575Q3
  • TI(德州仪器) CSD17575Q3
  • TI(德州仪器) CSD17575Q3
  • TI(德州仪器) CSD17575Q3
  • TI(德州仪器) CSD17575Q3
  • TI(德州仪器) CSD17575Q3
立即查看
您当前的位置: 首页 > 电源管理 > MOSFET > N 沟道 MOSFET > CSD17575Q3
CSD17575Q3

CSD17575Q3

正在供货

采用 3mm x 3mm SON 封装的单路、3.2mΩ、30V、N 沟道 NexFET™ 功率 MOSFET

产品详情
  • 说明
  • 特性
  • 参数
  • 封装 | 引脚 | 尺寸

这款 1.9mΩ,30V,SON 3×3 NexFET 功率 MOSFET 被设计成在功率转换应用中最大限度地降低功率损耗。

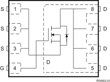
顶视图 要了解所有可用封装,请见数据表末尾的可订购产品附录。 RθJA = 45°C/W,这是在一块厚度为 0.060 英寸的 FR4 印刷电路板 (PCB) 上的 1 平方英寸 2 盎司铜过渡垫片上测得的典型值。最大 RθJC = 1.5°C/W,脉冲持续时间 ≤ 100μs,占空比 ≤ 1%

  • 低 Qg 和 Qgd
  • 低 RDS(on)
  • 低热阻
  • 雪崩级
  • 无铅端子镀层
  • 符合 RoHS 标准
  • 无卤素
  • 小外形尺寸无引线 (SON) 3.3mm × 3.3mm 塑料封装

应用

  • 用于网络互联,电信和计算系统的负载点同步降压转换器
  • 已针对同步场效应晶体管 (FET) 应用进行优化

VDS (V)30
ConfigurationSingle
Rds(on) at VGS=4.5 V (max) (mΩ)3.2
Rds(on) at VGS=10 V (max) (mΩ)2.3
IDM - pulsed drain current (max) (A)240
QG (typ) (nC)23
QGD (typ) (nC)5.4
QGS (typ) (nC)8.5
VGS (V)20
VGSTH typ (typ) (V)1.4
ID - silicon limited at TC=25°C (A)182
ID - package limited (A)60
Logic levelYes
Operating temperature range (°C)-55 to 150
RatingCatalog
VSON-CLIP (DQG)810.89 mm² 3.3 x 3.3
产品购买
  • 商品型号
  • 封装
  • 工作温度
  • 包装
  • 价格
  • 现货库存
  • 操作
10s
温馨提示:
订单商品问题请移至我的售后服务提交售后申请,其他需投诉问题可移至我的投诉提交,我们将在第一时间给您答复
返回顶部