h1_key

TI(德州仪器) LM5001-Q1
德州仪器 (TI) 全系列产品在线购买
  • TI(德州仪器) LM5001-Q1
  • TI(德州仪器) LM5001-Q1
  • TI(德州仪器) LM5001-Q1
  • TI(德州仪器) LM5001-Q1
  • TI(德州仪器) LM5001-Q1
  • TI(德州仪器) LM5001-Q1
立即查看
您当前的位置: 首页 > 电源管理 > 直流/直流开关稳压器 > 升压稳压器 > LM5001-Q1
LM5001-Q1

LM5001-Q1

正在供货

3.1V 至 75V 宽输入电压、1A 电流模式非同步开关模式稳压器

产品详情
  • 说明
  • 特性
  • 参数
  • 封装 | 引脚 | 尺寸

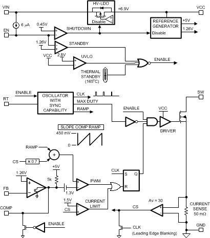
The LM5001 high-voltage switch-mode regulator features all of the functions necessary to implement efficient high-voltage Boost, Flyback, SEPIC and Forward converters, using few external components. This easy-to-use regulator integrates a 75-V N-Channel MOSFET with a 1-A peak current limit. Current mode control provides inherently simple loop compensation and line-voltage feed-forward for superior rejection of input transients. The switching frequency is set with a single resistor and is programmable up to 1.5 MHz. The oscillator can also be synchronized to an external clock. Additional protection features include: current limit, thermal shutdown, undervoltage lockout and remote shutdown capability.

  • AEC-Q100 Qualified (TJ = –40°C to 125°C)
  • Integrated 75-V N-Channel MOSFET
  • Ultra-Wide Input Voltage Range from
    3.1 V to 75 V
  • Integrated High Voltage Bias Regulator
  • Adjustable Output Voltage
  • 1.5% Output Voltage Accuracy
  • Current Mode Control with Selectable
    Compensation
  • Wide Bandwidth Error Amplifier
  • Integrated Current Sensing and Limiting
  • Integrated Slope Compensation
  • 85% Maximum Duty Cycle Limit
  • Single Resistor Oscillator Programming
  • Oscillator Synchronization Capability
  • Enable / Undervoltage Lockout (UVLO) Pin
  • Thermal Shutdown
TopologyBoost, Flyback, Forward, SEPIC
Vin (min) (V)3.1
Vin (max) (V)75
Vout (min) (V)1.26
Vout (max) (V)75
Switch current limit (typ) (A)1
TypeConverter
Regulated outputs (#)1
Switching frequency (min) (kHz)50
Switching frequency (max) (kHz)1500
Iq (typ) (mA)3.1
FeaturesEnable, Frequency synchronization, Nonsynchronous rectification, UVLO adjustable
Duty cycle (max) (%)85
Operating temperature range (°C)-40 to 125
RatingAutomotive
SOIC (D)829.4 mm² 4.9 x 6
产品购买
  • 商品型号
  • 封装
  • 工作温度
  • 包装
  • 价格
  • 现货库存
  • 操作
10s
温馨提示:
订单商品问题请移至我的售后服务提交售后申请,其他需投诉问题可移至我的投诉提交,我们将在第一时间给您答复
返回顶部