h1_key

TI(德州仪器) TPS54361-Q1
德州仪器 (TI) 全系列产品在线购买
  • TI(德州仪器) TPS54361-Q1
  • TI(德州仪器) TPS54361-Q1
  • TI(德州仪器) TPS54361-Q1
  • TI(德州仪器) TPS54361-Q1
  • TI(德州仪器) TPS54361-Q1
  • TI(德州仪器) TPS54361-Q1
立即查看
您当前的位置: 首页 > 电源管理 > 直流/直流开关稳压器 > 降压稳压器 > TPS54361-Q1
TPS54361-Q1

TPS54361-Q1

正在供货

具有软启动功能的 4.5V 至 60V 输入、3.5A、降压 DC-DC 转换器

产品详情
  • 说明
  • 特性
  • 参数
  • 封装 | 引脚 | 尺寸

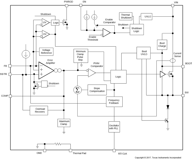
TPS54361-Q1 器件是一款 60V,3.5A,降压稳压器,此稳压器具有一个集成的高侧金属氧化物半导体场效应晶体管 (MOSFET)。按照 ISO 7637 标准,此器件能够耐受的抛负载脉冲高达 65V。电流模式控制提供了简单的外部补偿和灵活的组件选择。低纹波脉冲跳跃模式和 152µA 的电源电流可在轻负载时实现高效率。当使能引脚被拉至低电平时,关断电源电流被减少至 2µA。

欠压闭锁在内部设定为 4.3V,但可用一个使能引脚上的外部电阻分压器将之提高。输出电压启动斜坡由软启动引脚控制,该引脚还可被配置用来控制定序/跟踪。一个开漏电源正常信号表示输出处于标称电压值的 93% 至 106% 之内。

宽可调开关频率范围可针对效率或者外部组件尺寸进行优化。逐周期电流限制、频率折返和热关断在过载条件下保护内部和外部组件。

TPS54361-Q1 器件可提供 10 引脚
4 mm × 4 mm WSON 外露散热垫封装。

  • 汽车电子 应用认证
  • 具有符合 AEC-Q100 的下列结果:
    • 器件温度 1 级:-40°C 至 125°C 的环境运行温度范围
    • 器件人体放电模式 (HBM) 静电放电 (ESD) 分类等级 H1C
    • 器件组件充电模式 (CDM) ESD 分类等级 C3B
  • 轻负载条件下使用脉冲跳跃实现的高效率 Eco-mode。™
  • 87mΩ 高侧金属氧化物半导体场效应晶体管 (MOSFET)
  • 152µA 静态运行电流和
    2µA 关断电流
  • 100kHz 至 2.5MHz 可调开关频率
  • 同步至外部时钟
  • 轻负载条件下使用集成型引导 (BOOT) 再充电场效应晶体管 (FET) 实现的低压降
  • 可调欠压闭锁 (UVLO) 电压和滞后
  • 欠压 (UV) 和过压 (OV) 电源正常输出
  • 可调软启动和定序
  • 0.8V 1% 内部电压基准
  • 带有散热焊盘的 10 引脚晶圆级小外形无引线 (WSON) 封装
  • TJ 运行范围为 -40°C 至 150°C
  • 使用 TPS54361-Q1 并借助 WEBENCH® 电源设计器创建定制设计方案
Vin (min) (V)4.5
Vin (max) (V)60
Vout (min) (V)0.8
Vout (max) (V)59
Iout (max) (A)3.5
Iq (typ) (mA)0.152
Switching frequency (min) (kHz)100
Switching frequency (max) (kHz)2500
FeaturesEnable, Frequency synchronization, Light Load Efficiency, Over Current Protection, Power good, Tracking, UVLO adjustable
Operating temperature range (°C)-40 to 125
RatingAutomotive
Regulated outputs (#)1
Control modecurrent mode
Duty cycle (max) (%)98
TypeConverter
WSON (DPR)1016 mm² 4 x 4
产品购买
  • 商品型号
  • 封装
  • 工作温度
  • 包装
  • 价格
  • 现货库存
  • 操作
10s
温馨提示:
订单商品问题请移至我的售后服务提交售后申请,其他需投诉问题可移至我的投诉提交,我们将在第一时间给您答复
返回顶部