h1_key

TI(德州仪器) TPS25200
德州仪器 (TI) 全系列产品在线购买
  • TI(德州仪器) TPS25200
  • TI(德州仪器) TPS25200
  • TI(德州仪器) TPS25200
  • TI(德州仪器) TPS25200
  • TI(德州仪器) TPS25200
  • TI(德州仪器) TPS25200
立即查看
您当前的位置: 首页 > 电源管理 > 电源开关 > 电子保险丝和热插拔控制器 > TPS25200
TPS25200

TPS25200

正在供货

关断时可实现反向电流阻断的 2.5V 至 6.5V、60mΩ、0.085A 至 2.9A 电子保险丝

产品详情
  • 说明
  • 特性
  • 参数
  • 封装 | 引脚 | 尺寸

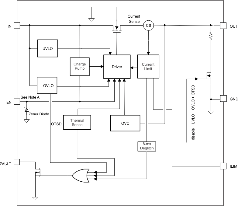
TPS25200 是一款具有高精度电流限值和过压钳位的 5V 电子保险丝。此器件可在过压和过流事件发生期间为负载和电源提供可靠保护。

TPS25200 是一款用于保护负载的智能开关,可耐受 20V 的输入电压。如果在输入端施加了错误电压,输出端可将电压限制在 5.4V,以保护负载。如果输入端的电压超过 7.6V,此器件将断开负载,以防止对器件和/或负载造成损坏。

TPS25200 具有 60mΩ 的内部电源开关,可用于在多种异常情况下保护电源、器件和负载。此器件提供高达 2.5A 的持续负载电流。通过一个连接到地的电阻,可对限流值在85mA到2.9A范围内进行设置。当发生过载时,输出电流被限制在由 RILIM 设定的电流值上如果出现持续过载,TPS25200 将最终进入热关断模式,从而避免自身发生损坏。

  • 2.5V 至 6.5V 工作电压
  • 输入可耐受高达 20V 的电压
  • 7.6V 输入过压关断
  • 5.25V 至 5.55V 固定过压钳位
  • 0.6µs 过压锁定响应
  • 3.5µs 短路响应
  • 集成式 60mΩ 高侧 MOSFET
  • 高达 2.5A 的持续负载电流
  • 2.9 A 电流下的限流精度为 ±6%
  • 禁用时反向电流阻断
  • 内置软启动
  • 与 TPS2553 引脚到引脚兼容
  • 通过 UL 2367 认证
    • 文件编号 169910
    • RILIM ≥ 33kΩ(最大电流为 3.12A)
FETInternal
Ron (typ) (mΩ)60
Vin (min) (V)2.5
Vin (max) (V)6.5
Vabsmax_cont (V)20
Current limit (min) (A)0.085
Current limit (max) (A)2.9
Overcurrent responsecurrent limiting
Fault responseAuto-retry
Soft startAdjustable
Overvoltage responseClamp
FeaturesFault output, Reverse current blocking when off
UL recognitionUL2367
RatingCatalog
Device typeeFuses and hot swap controllers
Operating temperature range (°C)-40 to 125
FunctionAdjustable current limit, Overvoltage protection, Reverse current blocking, Short circuit protection, Thermal shutdown
WSON (DRV)64 mm² 2 x 2
产品购买
  • 商品型号
  • 封装
  • 工作温度
  • 包装
  • 价格
  • 现货库存
  • 操作
10s
温馨提示:
订单商品问题请移至我的售后服务提交售后申请,其他需投诉问题可移至我的投诉提交,我们将在第一时间给您答复
返回顶部