h1_key

TI(德州仪器) BQ51020
德州仪器 (TI) 全系列产品在线购买
  • TI(德州仪器) BQ51020
  • TI(德州仪器) BQ51020
  • TI(德州仪器) BQ51020
  • TI(德州仪器) BQ51020
  • TI(德州仪器) BQ51020
  • TI(德州仪器) BQ51020
立即查看
您当前的位置: 首页 > 电源管理 > 电池管理 IC > 电池充电器 IC > BQ51020
BQ51020

BQ51020

正在供货

5W (WPC) 单芯片无线电源接收器

产品详情
  • 说明
  • 特性
  • 参数
  • 封装 | 引脚 | 尺寸

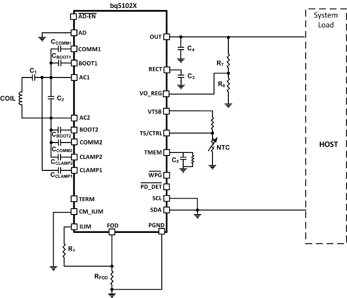
bq5102x 器件是一款全封闭无线电源接收器,此接收器能够在 WPC v1.1 协议下运行,这使得无线电源系统在与 Qi 感应发射器一同使用时能够向系统传送高达 5W 的功率。 bq5102x 器件提供针对这 WPC 技术规格的单个器件功率转换(整流和稳压),以及数字控制和通信。 借助市场领先的效率和可调输出电压,bq5102x 器件可实现独一无二的效率和系统优化。 I2C 还使得系统设计人员能够执行有趣的全新特性,诸如发射器表面的接收器对齐,或者检测接收器上的异物。 此接收器可在市场领先的封装尺寸、效率和解决方案尺寸中同时实现同步整流、稳压和控制与通信。

要了解所有可用封装,请见数据表末尾的可订购产品附录。

  • 功耗减少 50% 的强健 5W 解决方案,以改进热性能
    • 针对最薄解决方案的无电感器接收器
    • 可调节输出电压(4.5 至 8V),以实现线圈和热性能优化
    • 完全同步整流器的效率达 96%
    • 效率 97% 的高效后置稳压器
    • 功率 5W 时,系统效率 79%
  • 符合 WPC v1.1 标准的通信
  • 已获专利的发射器垫 (Transmitter Pad) 检测功能提升了用户体验
  • 通过 I2C 实现的对齐特性使得用户协商能够在 TX 表面找到最佳位置

应用范围

  • 智能手机、平板电脑和头戴式耳机
  • Wi-Fi 热点
  • 移动电源
  • 其他手持式器件

All trademarks are the property of their respective owners.

Number of series cells2
Charge current (max) (A)11
Vin (max) (V)22
Cell chemistryLi-Ion/Li-Polymer, Lithium Phosphate/LiFePO4
Battery charge voltage (min) (V)7
Battery charge voltage (max) (V)9.54
Absolute max Vin (max) (V)40
Control topologyLinear
Control interfaceI2C
FeaturesInput OVP, Integrated ADC
Vin (min) (V)6
RatingCatalog
Operating temperature range (°C)-40 to 125
DSBGA (YFP)427.7999999999999988 mm² 2.5999999999999996 x 3
产品购买
  • 商品型号
  • 封装
  • 工作温度
  • 包装
  • 价格
  • 现货库存
  • 操作
10s
温馨提示:
订单商品问题请移至我的售后服务提交售后申请,其他需投诉问题可移至我的投诉提交,我们将在第一时间给您答复
返回顶部