h1_key

TI(德州仪器) BQ51021
德州仪器 (TI) 全系列产品在线购买
  • TI(德州仪器) BQ51021
  • TI(德州仪器) BQ51021
  • TI(德州仪器) BQ51021
  • TI(德州仪器) BQ51021
  • TI(德州仪器) BQ51021
  • TI(德州仪器) BQ51021
立即查看
您当前的位置: 首页 > 电源管理 > 电池管理 IC > 电池充电器 IC > BQ51021
BQ51021

BQ51021

正在供货

具有 I2C 的 5W (WPC) 单芯片无线电源接收器

产品详情
  • 说明
  • 特性
  • 参数
  • 封装 | 引脚 | 尺寸

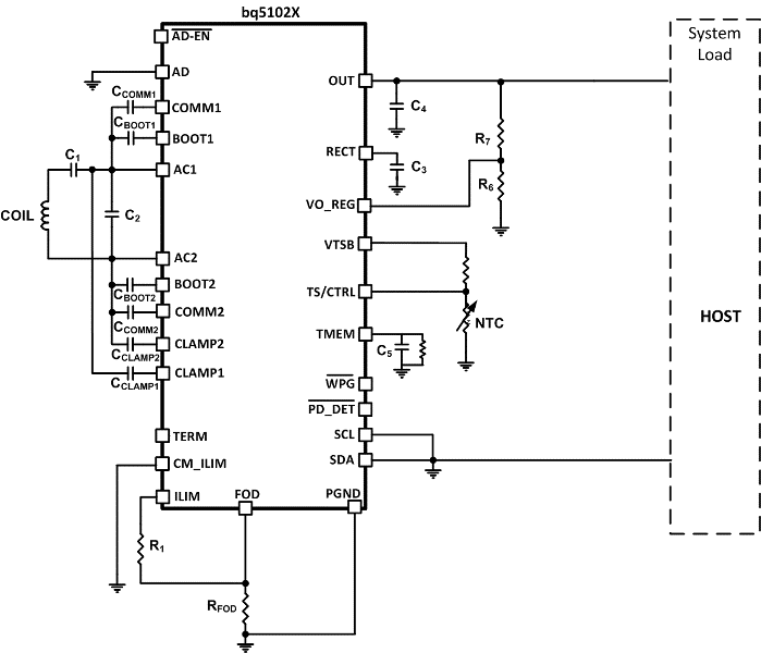
bq5102x 器件是一款全封闭无线电源接收器,此接收器能够在 WPC v1.1 协议下运行,这使得无线电源系统在与 Qi 感应发射器一同使用时能够向系统传送高达 5W 的功率。 bq5102x 器件提供针对这 WPC 技术规格的单个器件功率转换(整流和稳压),以及数字控制和通信。 借助市场领先的效率和可调输出电压,bq5102x 器件可实现独一无二的效率和系统优化。 I2C 还使得系统设计人员能够执行有趣的全新特性,诸如发射器表面的接收器对齐,或者检测接收器上的异物。 此接收器可在市场领先的封装尺寸、效率和解决方案尺寸中同时实现同步整流、稳压和控制与通信。

要了解所有可用封装,请见数据表末尾的可订购产品附录。

  • 功耗减少 50% 的强健 5W 解决方案,以改进热性能
    • 针对最薄解决方案的无电感器接收器
    • 可调节输出电压(4.5 至 8V),以实现线圈和热性能优化
    • 完全同步整流器的效率达 96%
    • 效率 97% 的高效后置稳压器
    • 功率 5W 时,系统效率 79%
  • 符合 WPC v1.1 标准的通信
  • 已获专利的发射器垫 (Transmitter Pad) 检测功能提升了用户体验
  • 通过 I2C 实现的对齐特性使得用户协商能够在 TX 表面找到最佳位置

应用范围

  • 智能手机、平板电脑和头戴式耳机
  • Wi-Fi 热点
  • 移动电源
  • 其他手持式器件

All trademarks are the property of their respective owners.

RatingCatalog
Operating temperature range (°C)-40 to 125
DSBGA (YFP)427.7999999999999988 mm² 2.5999999999999996 x 3
产品购买
  • 商品型号
  • 封装
  • 工作温度
  • 包装
  • 价格
  • 现货库存
  • 操作
10s
温馨提示:
订单商品问题请移至我的售后服务提交售后申请,其他需投诉问题可移至我的投诉提交,我们将在第一时间给您答复
返回顶部