h1_key

TI(德州仪器) TLC5955
德州仪器 (TI) 全系列产品在线购买
  • TI(德州仪器) TLC5955
  • TI(德州仪器) TLC5955
  • TI(德州仪器) TLC5955
  • TI(德州仪器) TLC5955
  • TI(德州仪器) TLC5955
  • TI(德州仪器) TLC5955
立即查看
您当前的位置: 首页 > 电源管理 > LED 驱动器 > RGB LED 驱动器 > TLC5955
TLC5955

TLC5955

正在供货

具有点校正、亮度控制和开路/短路检测功能的 48 通道、16 位 PWM LED 驱动器

产品详情
  • 说明
  • 特性
  • 参数
  • 封装 | 引脚 | 尺寸

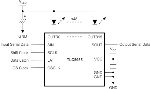
TLC5955 是一款 48 通道,恒定灌电流驱动器。 每个通道具有一个独立可调节,脉宽调制 (PWM),灰度 (GS) 亮度控制,此控制有 65,536 步长和 128 步长的恒定电流点校正 (DC)。 DC 可调节通道间的亮度偏差。 所有通道具有一个 128 步长的全局亮度控制 (BC)。 BC 调节 R,G,B 色彩组之间的亮度偏差。 8 步长最大电流控制 (MC) 为每个色彩组的所有通道选择最大输出电流范围。 可通过一个串行接口端口来访问 GS,DC,BC 和 MC 数据。

TLC5955 具有两个错误标志:LED 开路检测 (LOD) 和 LED 短路检测 (LSD)。 可使用一个串行接口端口来读取错误检测结果。

 

 

 

  • 48 个恒定灌电流输出通道
  • 支持最大 MC,DC 和 BC 数据的灌电流能力:
    • 23.9mA (VCC ≤ 3.6V,MC = 5)
    • 31.9mA (VCC > 3.6V, MC = 7)
  • 灰度 (GS) 控制:
    • 支持增强型频谱或传统 PWM 的 16 位(65536 个步长)
  • 最大电流 (MC) 控制:
    • 电流范围为 3mA 至 30mA 的 3 位(8 个步长)
    • 针对每个色彩组的 3 MC 设置
  • 点校正 (DC) 控制:
    • 范围在 26.2% 至 100% 之间的 7 位(128 个步长)
  • 全局亮度控制 (BC):
    • 10% 至 100% 范围内的 7 位(128 个步长)
    • 针对每个色彩组的 3 BC 设置
  • LED 电源电压:高达 10V
  • VCC:3.0V 至 5.5V
  • 恒定电流精度:
    • 通道到通道:±2%(典型值),±5%(最大值)
    • 器件到器件:±2%(典型值),±4%(最大值)
  • 数据传输速率:25MHz
  • 灰度控制时钟:33MHz
  • 自动重复显示功能
  • 显示定时复位
  • 自动数据刷新(只适用于 GS 和 DC)
  • LED 开路检测 (LOD)
  • LED 短路检测 (LSD)
  • 欠压闭锁 (UVLO) 设定缺省数据
  • 延迟开关以防止涌入电流
  • 工作温度范围:-40°C 至 +85°C

应用范围

  • LED 视频显示屏
  • 可变消息标志 (VMS)
  • 照明

All trademarks are the property of their respective owners.

Number of channels48
LED current per channel (mA)31.9
LED configurationParallel, Series
TopologyLinear
Vin (min) (V)3
Vin (max) (V)5.5
Iout (max) (A)1.531
FeaturesAnalog/PWM mixed dimming, Constant current, Current control, PWM control, Serial interface
Iq (typ) (mA)15
Operating temperature range (°C)-40 to 85
RatingCatalog
HTSSOP (DCA)56113.4 mm² 14 x 8.1
VQFN (RTQ)5664 mm² 8 x 8
产品购买
  • 商品型号
  • 封装
  • 工作温度
  • 包装
  • 价格
  • 现货库存
  • 操作
10s
温馨提示:
订单商品问题请移至我的售后服务提交售后申请,其他需投诉问题可移至我的投诉提交,我们将在第一时间给您答复
返回顶部