h1_key

TI(德州仪器) BQ27742-G1
德州仪器 (TI) 全系列产品在线购买
  • TI(德州仪器) BQ27742-G1
  • TI(德州仪器) BQ27742-G1
  • TI(德州仪器) BQ27742-G1
  • TI(德州仪器) BQ27742-G1
  • TI(德州仪器) BQ27742-G1
  • TI(德州仪器) BQ27742-G1
立即查看
您当前的位置: 首页 > 电源管理 > 电池管理 IC > 电池电量监测 > BQ27742-G1
BQ27742-G1

BQ27742-G1

正在供货

具有集成保护功能的单节锂离子电池电量监测计 | 电池电量监测计

产品详情
  • 说明
  • 特性
  • 参数
  • 封装 | 引脚 | 尺寸

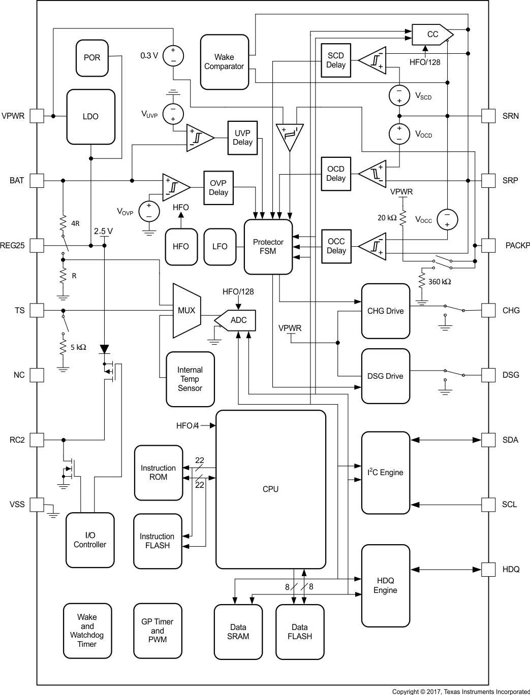
德州仪器 (TI) bq27742-G1 器件是一款电量监测计,适用于单节锂离子电池组。此电量计使用已获专利的 Impedance Track™技术,可预测剩余电池电量和系统运行的速率、温度和老化补偿并且具有最高精度。此器件还含有一个完全集成的高侧保护器,无需单独的锂离子保护电路即可对是否存在过压、欠压、充电过流、放电过流和放电短路条件进行全套高精度故障检测。硬件保护功能提供了内置数据闪存可编程功能,方便针对不同的终端设备需求重新配置现有器件。

这款电量监测计可提供剩余电池电量 (mAh)、充电状态 (%)、续航时间(分钟)、电池电压 (mV)、电流 (mA) 和温度 (°C) 等信息,以及整个电池使用寿命期间记录的重要参数。此器件还支持中断主机,指示检测到各种重要的故障条件并汇报给系统。

DSBGA 是 15 焊球封装 (2.78mm × 1.96mm),非常适合空间受限的 应用。

  • 单节锂离子电池电量监测计和保护器 应用
  • 微控制器外设提供:
    • 具有低值感应电阻(5mΩ 至 20mΩ)的
      精密 16 位高侧库仑计数器
    • 用于报告电池温度的外部和内部温度传感器
    • 使用寿命和电流数据记录
    • 64 字节非易失性暂用闪存
    • 通过 SHA-1 认证
  • 基于已获专利的 Impedance Track™技术的电池电量计量
    • 用于电池续航能力精确预测的电池放电模拟曲线
    • 针对电池老化、自放电和温度以及额定引入效应的自动调节
  • 集成高侧 NMOS 保护场效应晶体管 (FET) 驱动
  • 基于硬件的安全与防护功能:
    • 过压保护 (OVP)
    • 欠压保护 (UVP)
    • 充电过流 (OCC)
    • 放电过流 (OCD)
    • 放电短路 (SCD)
  • 采用 I2C 和 HDQ 通信接口格式,用于与主机系统通信
  • 超紧凑 15 焊球 NanoFree™DSBGA
Cell chemistryLi-Ion/Li-Polymer, LiFePO4
Number of series cellsSingle Cell
Communication interfaceHDQ, I2C
Battery capacity (min) (mAh)200
Battery capacity (max) (mAh)16000
ImplementationPack
External capacity indicationNone
FeaturesImpedance Track™ algorithm, Integrated Protector, SHA-1 Authentication
Operating temperature range (°C)-40 to 85
RatingCatalog
DSBGA (YZF)154.8125 mm² 1.75 x 2.75
产品购买
  • 商品型号
  • 封装
  • 工作温度
  • 包装
  • 价格
  • 现货库存
  • 操作
10s
温馨提示:
订单商品问题请移至我的售后服务提交售后申请,其他需投诉问题可移至我的投诉提交,我们将在第一时间给您答复
返回顶部