h1_key

TI(德州仪器) TPS659038-Q1
德州仪器 (TI) 全系列产品在线购买
  • TI(德州仪器) TPS659038-Q1
  • TI(德州仪器) TPS659038-Q1
  • TI(德州仪器) TPS659038-Q1
  • TI(德州仪器) TPS659038-Q1
  • TI(德州仪器) TPS659038-Q1
  • TI(德州仪器) TPS659038-Q1
立即查看
您当前的位置: 首页 > 电源管理 > 多通道 IC (PMIC) > TPS659038-Q1
TPS659038-Q1

TPS659038-Q1

正在供货

具有 7 个降压转换器和 11 个 LDO、适用于 ARM Cortex-A15 处理器的汽车类 3.135V 至 5.25V PMIC

产品详情
  • 说明
  • 特性
  • 参数
  • 封装 | 引脚 | 尺寸

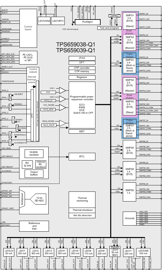
TPS659038-Q1 和 TPS659039-Q1 器件是适用于汽车应用的电源管理集成 电路 (PMIC)。该器件提供七个可配置的降压转换器,输出电流高达 6A,可用于存储器、处理器内核、输入/输出 (I/O) 或 LDO 预稳压。其中一个可配置的降压转换器与另一个 3A 稳压器组合后可提供高达 9A 的输出电流。所有降压转换器均可与频率介于 1.7MHz 至 2.7MHz 之间的外部时钟或频率为 2.2MHz 的内部回退时钟同步。TPS659038-Q1 器件包含 11 个 LDO 稳压器,而 TPS659039-Q1 器件包含 6 个 LDO 稳压器供外部使用。这些 LDO 稳压器可由系统电源或经过预稳压的电源供电。上电和断电控制器可进行配置,能够支持所有上电和断电序列(基于 OTP)。TPS659038-Q1 和 TPS659039-Q1 器件包括 32kHz RC 振荡器,可在上电和断电过程中对所有资源进行排序。在需要快速启动的情况下,也可使用 16MHz 晶体振荡器来快速为系统产生一个稳定的 32kHz 频率。所有 LDO 和 SMPS 转换器均可由 SPI 或 I2C 接口或通过电源请求信号进行控制。此外,电压调节寄存器允许将 SMPS 转换为 SPI、I2C 或顶部/底部控制所需的不同电压。每种封装中都有一个专用引脚可配置为上电序列的一部分,用于控制外部资源。该器件具备通用输入输出 (GPIO) 功能,两个 GPIO 均可配置为上电序列的一部分,用于控制外部资源。电源请求信号通过启用电源模式控制功能来实现电源优化。该器件具有一个带有三条外部输入通道的通用 (GP) ∑-Δ 模数转换器 (ADC)。TPS659038-Q1 和 TPS659039-Q1 器件采用间距为 0.8mm 的 13 焊球 × 13 焊球 nFBGA 封装。

  • 符合汽车类应用的 要求
    • 具有符合 AEC-Q100 标准的下列特性:
      • 温度等级 3:-40°C 至 85°C
      • 静电放电 (ESD) 分类:
        • 人体放电模型 (HBM) 等级 2
        • CDM 等级 C3
      • 闩锁分类:
        • I2C 和 SPI 引脚:等级 IIB
        • 其他所有引脚:等级 IIA
  • 七个降压开关模式电源 (SMPS) 稳压器:
    • 其中一个输出为 0.7V-1.65V/6A(阶跃为 10mV)
      • 支持数字电压调节 (DVS) 控制的双相配置
    • 其中一个输出为 0.7V-1.65V/4A(阶跃为 10mV)
      • 支持 DVS 控制的双相配置
    • 其中一个输出为 0.7V-3.3V/3A(阶跃为 10mV 或 20mV)
      • 单相配置
      • 该稳压器可搭配 1 个 6A 稳压器构成 1 个 9A 三相稳压器(通过 DVS 控制)
    • 其中两个输出为 0.7V-3.3V/2A(阶跃为 10mV 或 20mV)
      • 单相配置
      • 一个支持 DVS 控制的稳压器,也可配置为 3A 稳压器
    • 其中两个输出为 0.7V-3.3V/1A(阶跃为 10mV 或 20mV)
      • 单相配置
      • 一个支持 DVS 控制的稳压器
    • 除 1A SMPS 稳压器外的所有稳压器均支持输出电流测量
    • 双相和三相稳压器均支持差分遥感(输出和接地)
    • 通过硬件和软件控制的 ECO 模式™高达 5mA,静态电流为 15µA
    • 短路保护
    • 电源正常指示(电压和过流指示)
    • 内部软启动可限制浪涌电流
    • 可通过相位同步将 SMPS 与外部时钟或内部备用时钟同步
  • 11 个通用低压降稳压器 (LDO)(阶跃为 50mV):
    • 其中四个 LDO 输出为 0.9V-3.3V@300mA,由经过预稳压的电源供电
    • 其中四个 LDO 输出为 0.9V-3.3V@200mA,由经过预稳压的电源供电
    • 其中一个 LDO 输出为 0.9V-3.3V@50mA,由经过预稳压的电源供电
    • 一个 100mA 通用串行总线 (USB) LDO
    • 其中一个 LDO 为低噪声 LDO,输出电压为 0.9V 至 3.3V,输出电流高达 100mA(低噪声性能高达 50mA)
    • 两个供 PMU 内部使用的附加 LDO
    • 短路保护
  • 时钟管理 16MHz 晶体振荡器和 32kHz RC 振荡器
    • 一个缓冲式 32kHz 输出
  • 具有警报唤醒机制的实时时钟 (RTC)
  • 具有三个外部输入通道和六个自监控内部通道的 12 位 Σ-Δ 通用模数转换器 (GPADC)
  • 过热监控
    • 高温警告
    • 热关断
  • 控制
    • 可配置上电和断电序列(一次性可编程 [OTP])
    • 睡眠和激活状态之间的可配置序列(OTP 可编程)
    • 一个可包含在启动序列中的专用数字输出信号 (REGEN)
    • 三个与 GPIO 复用且可包含在启动序列中的数字输出信号
    • 可选控制接口
      • 一个用于资源配置和 DVS 控制的串行外设接口 (SPI)
      • 两个 I2C 接口。其中一个专用于 DVS 控制,另一个是用于资源配置和 DVS 控制的通用 I2C 接口
  • 欠压锁定
  • 系统电压范围为 3.135V 至 5.25V
  • 封装选项
    • 12mm × 12mm、169 引脚 nFBGA 封装,焊球间距为 0.8mm
Regulated outputs (#)18
ConfigurabilityFactory programmable, Software configurable
Vin (min) (V)3.135
Vin (max) (V)5.25
Iout (max) (A)6
FeaturesComm control, Power good, Power sequencing
Step-up DC/DC converter0
Step-down DC/DC converter7
Step-down DC/DC controller0
Step-up DC/DC controller0
LDO11
Iq (typ) (mA)0.15
RatingAutomotive
Switching frequency (max) (kHz)2700
Operating temperature range (°C)-40 to 85
Processor supplierTexas Instruments
Processor nameOMAP
Shutdown current (ISD) (typ) (µA)20
Switching frequency (typ) (kHz)2200
NFBGA (ZWS)169144 mm² 12 x 12
产品购买
  • 商品型号
  • 封装
  • 工作温度
  • 包装
  • 价格
  • 现货库存
  • 操作

很抱歉,暂时无法提供与“TPS659038-Q1”系列相匹配的产品,您可以联系专属客服快速找货或在现货搜索框中重新搜索。

10s
温馨提示:
订单商品问题请移至我的售后服务提交售后申请,其他需投诉问题可移至我的投诉提交,我们将在第一时间给您答复
返回顶部