h1_key

TI(德州仪器) CSD17570Q5B
德州仪器 (TI) 全系列产品在线购买
  • TI(德州仪器) CSD17570Q5B
  • TI(德州仪器) CSD17570Q5B
  • TI(德州仪器) CSD17570Q5B
  • TI(德州仪器) CSD17570Q5B
  • TI(德州仪器) CSD17570Q5B
  • TI(德州仪器) CSD17570Q5B
立即查看
您当前的位置: 首页 > 电源管理 > MOSFET > N 沟道 MOSFET > CSD17570Q5B
CSD17570Q5B

CSD17570Q5B

正在供货

采用 5mm x 6mm SON 封装的单路、0.92mΩ、30V、N 沟道 NexFET™ 功率 MOSFET

产品详情
  • 说明
  • 特性
  • 参数
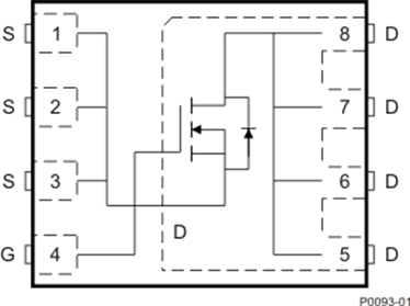
  • 封装 | 引脚 | 尺寸

这款 30V,0.56mΩ,SON 5mm × 6mmNexFET™功率 MOSFET 旨在最大限度地减小 ORing 和热拔插应用的 电阻, 不可用于开关 应用。

  • 超低电阻
  • 低热阻
  • 雪崩级
  • 无铅引脚镀层
  • 符合 RoHS 标准
  • 无卤素
  • 小外形尺寸无引线 (SON) 5mm x 6mm 塑料封装
VDS (V)30
ConfigurationSingle
Rds(on) at VGS=4.5 V (max) (mΩ)0.92
Rds(on) at VGS=10 V (max) (mΩ)0.69
IDM - pulsed drain current (max) (A)400
QG (typ) (nC)93
QGD (typ) (nC)34
QGS (typ) (nC)27
VGS (V)20
VGSTH typ (typ) (V)1.5
ID - silicon limited at TC=25°C (A)407
ID - package limited (A)100
Logic levelYes
Operating temperature range (°C)-55 to 150
RatingCatalog
VSON-CLIP (DNK)830 mm² 6 x 5
产品购买
  • 商品型号
  • 封装
  • 工作温度
  • 包装
  • 价格
  • 现货库存
  • 操作
10s
温馨提示:
订单商品问题请移至我的售后服务提交售后申请,其他需投诉问题可移至我的投诉提交,我们将在第一时间给您答复
返回顶部