h1_key

TI(德州仪器) TPS92630-Q1
德州仪器 (TI) 全系列产品在线购买
  • TI(德州仪器) TPS92630-Q1
  • TI(德州仪器) TPS92630-Q1
  • TI(德州仪器) TPS92630-Q1
  • TI(德州仪器) TPS92630-Q1
  • TI(德州仪器) TPS92630-Q1
  • TI(德州仪器) TPS92630-Q1
立即查看
您当前的位置: 首页 > 电源管理 > LED 驱动器 > 汽车 LED 驱动器 > TPS92630-Q1
TPS92630-Q1

TPS92630-Q1

正在供货

具有模拟和 PWM 调光功能的汽车类三通道线性 LED 驱动器

产品详情
  • 说明
  • 特性
  • 参数
  • 封装 | 引脚 | 尺寸

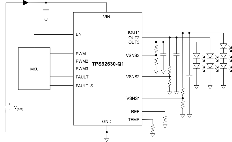
TPS92630-Q1 器件是一款具有模拟和 PWM 调光控制功能的三通道线性 LED 驱动器。该器件的全面诊断和内置保护功能使其成为可变强度 LED 照明(可达到中等功率范围) 应用 的理想之选。

这款器件的设计非常适合于在其功率能力范围内驱动被配置为单个灯串或多个灯串的 LED。单个器件能够驱动多达 3 个灯串(每个灯串中有 1 到 3 个 LED),每通道的总电流高达 150mA。为了提供达到 450mA 的更高电流驱动能力,可将输出并联。

在多灯串 应用中,该器件的优势在于支持 LED 灯串进行共阴极连接。因此,此类应用仅需一条回线,无需像进行低侧电流感应的系统那样为每个 LED 灯串都配备一条回线。

单个 LED 短路比较器可检测出发生短路故障的单个 LED。故障输出能够支持多个器件之间的总线连接拓扑结构。

该器件包含温度监控器,可在器件结温超过温度阈值时降低 LED 驱动电流。用户可通过一个外部电阻器对温度阈值进行编程。将 TEMP 引脚接至地面可禁用热电流监视功能。该器件提供了将结温以模拟电压形式输出的出厂程序选项。

  • 符合汽车类应用的 标准
  • 具有符合 AEC-Q100 标准的下列结果:
    • 器件温度 1 级:–40°C 至 125°C 的环境运行温度范围
    • 器件 HBM ESD 分类等级 H2
    • 器件 CDM ESD 分类等级 C3B
  • 3 通道 LED 驱动器(具有模拟和 PWM 调光功能)
  • 宽输入电压范围:5V - 40V
  • 由基准电阻器设定的可调恒定输出电流
    • 最大电流:每通道 150mA
    • 最大电流:并联运行模式下为 450mA
    • 精度:当 I(IOUTx) > 30mA 时,每通道 ±1.5%
    • 精度:当 I(IOUTx) > 30mA 时,每器件 ±2.5%
  • 使用多个 IC 或者单个 IC 的多个通道的并联输出,以实现更高电流
  • 低压降电压
    • 最大压降:电流为 60mA 时每通道 400mV
    • 最大压降:电流为 150mA 时每通道 0.9V
  • 每个通道独立进行 PWM 调光
  • 具有抗毛刺脉冲计时器的开路和短路 LED 检测
  • 每条通道的 LED 灯串电压反馈,用于单个 LED 短路检测
  • 针对单个 LED 短路故障的独立故障引脚
  • 用于报告开路、短路和热关断故障的故障引脚,可通过一条总线并行连接最多 15 个器件
  • 器件可适应慢输入电压 dV/dt(0.5V/分),而不会出现任何问题
  • 运行结温范围:-40°C 至 150°C
  • 封装:16 引脚耐热增强型 PWP 封装 (HTSSOP)
Number of channels3
TopologyCurrent Source
RatingAutomotive
Operating temperature range (°C)-40 to 125
Vin (min) (V)5
Vin (max) (V)40
Vout (min) (V)0
Vout (max) (V)40
Iout (max) (A)0.45
Iq (typ) (mA)0.6
FeaturesEnable/Shutdown, Fault Detection, Fault Diagnostic, LED Open Detection, LED Short to Ground Detection, LED Shorted Detection, Thermal Foldback, Thermal shutdown
HTSSOP (PWP)1632 mm² 5 x 6.4
产品购买
  • 商品型号
  • 封装
  • 工作温度
  • 包装
  • 价格
  • 现货库存
  • 操作
10s
温馨提示:
订单商品问题请移至我的售后服务提交售后申请,其他需投诉问题可移至我的投诉提交,我们将在第一时间给您答复
返回顶部