h1_key

TI(德州仪器) BQ24232H
德州仪器 (TI) 全系列产品在线购买
  • TI(德州仪器) BQ24232H
  • TI(德州仪器) BQ24232H
  • TI(德州仪器) BQ24232H
  • TI(德州仪器) BQ24232H
  • TI(德州仪器) BQ24232H
  • TI(德州仪器) BQ24232H
立即查看
您当前的位置: 首页 > 电源管理 > 电池管理 IC > 电池充电器 IC > BQ24232H
BQ24232H

BQ24232H

正在供货

USB 友好型锂基电池充电器,带电源路径,适用于 4.35V 电池

产品详情
  • 说明
  • 特性
  • 参数
  • 封装 | 引脚 | 尺寸

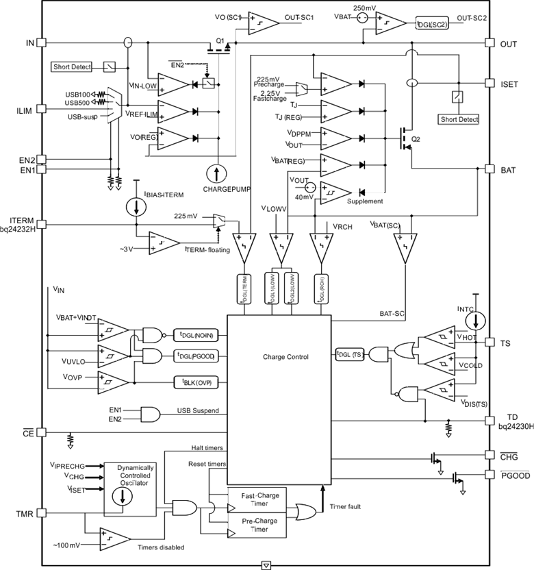
bq2423xH 系列器件是高度集成的锂离子线性充电器和系统电源路径管理器件,适用于空间受限的便携式 应用。此器件可由一个 USB 端口或交流适配器供电运行并支持 25mA 至 500mA 的充电电流。具有输入过压保护功能的高输入电压范围支持低成本、未稳压的适配器。凭借 USB 输入电流限制精度和启动序列,bq2423xH 能够满足 USB-IF 浪涌电流的技术规范要求。此外,输入动态电源管理 (VIN - DPM) 可防止充电器设计错误或 USB 电源配置错误。

bq2423xH 具有 动态电源路径管理 (DPPM) 功能,可在为系统供电的同时独立为电池充电。当输入电流限制导致系统输出降至 DPPM 阈值时,DPPM 电路会减小充电电流,这样便可始终为系统负载供电,同时独立监视充电电流。此特性可减少电池充电和放电的循环次数,从而正确地终止充电,同时在系统电池组受损或缺失的情况下维持系统正常运行。此外,即使在电池完全放电后,此特性也可以确保系统瞬时开启。当适配器无法提供峰值系统电流时,电源路径管理架构还允许使用电池补充系统电流,进而支持使用更小的适配器。

电池充电发生于以下三个阶段:调节、恒定电流和恒定电压。在所有的充电阶段,一个内部控制环路监测 IC 结温并且如果超过此内部温度阈值则减少充电电流。

充电器功率级和充电电流感应功能完全集成在了一起。该充电器具有高精度电流和电压调节环路、充电状态显示和充电终止功能。输入电流限制和充电电流可使用外部电阻编程设定。

  • 完全符合 USB 充电器标准
    • 最大输入电流可选 100mA 和 500mA
    • 100mA 最大电流限制可确保充电符合 USB-IF 标准
    • 具有基于输入的动态电源管理 (VIN - DPM),防止使用不良的 USB 电源
  • 28V 额定输入电压,具有过压保护功能
  • 4.35V 电池稳压
  • 集成动态电源路径管理 (DPPM) 功能,可在为系统供电的同时独立为电池充电。
  • 具有输出电流监控 (ISET) 功能,支持高达 500mA 的充电电流
  • 针对壁式适配器的高达 500mA 的可编程输入电流限制
  • 可编程终止电流 (bq24232H)
  • 可编程预充电和快速充电安全定时器
  • 反向电流、短路和热保护
  • 负温度系数 (NTC) 热敏电阻输入
  • 专有启动序列可限制浪涌电流
  • 状态指示 - 正在充电/充电完成,电源正常
  • 小型 3mm × 3mm 16 引脚四方扁平无引线 (QFN) 封装
Number of series cells1
Charge current (max) (A)0.5
Vin (max) (V)10.2
Cell chemistryLi-Ion/Li-Polymer
Battery charge voltage (min) (V)4.35
Battery charge voltage (max) (V)4.35
Absolute max Vin (max) (V)28
Control topologyLinear
Control interfaceStandalone (RC-Settable)
FeaturesBAT temp thermistor monitoring (hot/cold profile), Input OVP, Power Path
Vin (min) (V)4.35
RatingCatalog
Operating temperature range (°C)-40 to 85
VQFN (RGT)169 mm² 3 x 3
产品购买
  • 商品型号
  • 封装
  • 工作温度
  • 包装
  • 价格
  • 现货库存
  • 操作
10s
温馨提示:
订单商品问题请移至我的售后服务提交售后申请,其他需投诉问题可移至我的投诉提交,我们将在第一时间给您答复
返回顶部