h1_key

TI(德州仪器) LM3699
德州仪器 (TI) 全系列产品在线购买
  • TI(德州仪器) LM3699
  • TI(德州仪器) LM3699
  • TI(德州仪器) LM3699
  • TI(德州仪器) LM3699
  • TI(德州仪器) LM3699
  • TI(德州仪器) LM3699
立即查看
您当前的位置: 首页 > 电源管理 > LED 驱动器 > 背光 LED 驱动器 > LM3699
LM3699

LM3699

正在供货

高效白光 LED 驱动器

产品详情
  • 说明
  • 特性
  • 参数
  • 封装 | 引脚 | 尺寸

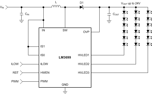
LM3699 是一款三灯串,高效、由 PWM 控制的电源,用于智能手机的显示背光或键区 LED。 具有集成 1A,40V MOSFET 的高压电感升压转换器为三个串联 LED 灯串供电。 升压输出自动调节到 LED 正向电压,以最大限度地减少净空电压并有效地改进 LED 效率。

ILOW 端子提供一个在照相机闪光灯运行时快速减少 LED 亮度的方法。

LM3699 具有集成过压、过流和过热保护。

此器件在 2.7V 至 5.5V 的输入电压范围和 -40°C 至 85°C 的温度范围内运行。

  • 驱动并联高压 LED 灯串用于显示或键区照明
  • 升压转换器效率高达 90%
  • 四个用户可选满量程电流设置
    (20.2mA,18.6mA,17.0mA,15.4mA)
  • 快速调光使能端子 (ILOW)
  • 简单脉宽调制 (PWM) 占空比控制
  • 24V 过压保护阀值
  • 固定 1MHz 开关频率
  • 集成型 1A/40V 金属氧化物半导体场效应晶体管 (MOSFET)
  • 三个灌电流端子
  • 自适应升压输出至 LED 电压
  • 热关断保护
  • 29mm2 总体解决方案尺寸

应用范围

  • 用于智能手机照明的电源
  • 显示或键区照明

All trademarks are the property of their respective owners.

Number of channels3
Vin (min) (V)2.7
Vin (max) (V)5.5
Vout (min) (V)0
Vout (max) (V)24
TypeInductive
Switching frequency (max) (kHz)1120
Duty cycle (max) (%)94
LED current per channel (mA)20.2
Peak efficiency (%)90
TopologyBoost
FeaturesCABC, Direct PWM Dimming, Enable/Shutdown, Integrated Switch, OVP, PWM control, Synchronous Rectification, Thermal shutdown
Operating temperature range (°C)-40 to 125
RatingCatalog
DSBGA (YFQ)122.52000000000000018 mm² 1.8 x 1.4000000000000001
产品购买
  • 商品型号
  • 封装
  • 工作温度
  • 包装
  • 价格
  • 现货库存
  • 操作
10s
温馨提示:
订单商品问题请移至我的售后服务提交售后申请,其他需投诉问题可移至我的投诉提交,我们将在第一时间给您答复
返回顶部