h1_key

TI(德州仪器) TPS22968
德州仪器 (TI) 全系列产品在线购买
  • TI(德州仪器) TPS22968
  • TI(德州仪器) TPS22968
  • TI(德州仪器) TPS22968
  • TI(德州仪器) TPS22968
  • TI(德州仪器) TPS22968
  • TI(德州仪器) TPS22968
立即查看
您当前的位置: 首页 > 电源管理 > 电源开关 > 负载开关 > TPS22968
TPS22968

TPS22968

正在供货

具有可调节上升时间和输出放电功能的 2 通道、5.5V、4A、25mΩ 负载开关

产品详情
  • 说明
  • 特性
  • 参数
  • 封装 | 引脚 | 尺寸

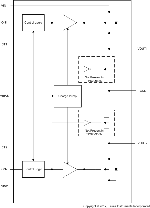
TPS22968x 是一款具有受控接通功能的小型、超低 RON 双通道负载开关。此器件包含两个可在 0.8 至 5.5V 输入电压范围内运行的 N 沟道 MOSFET,并且每个沟道可支持最大
4A 的持续电流。每个开关由一个导通/关断输入(ON1 和 ON2)单独控制,此输入可与低电压控制信号直接连接。为了能够在开关关闭时快速进行输出放电,TPS22968 中添加了一个 270Ω 的片上负载电阻器。

TPS22968x 采用小型、节省空间的封装 (DPU),该封装具有集成式散热垫,从而支持高功率耗散。该器件在自然通风环境下的额定运行温度范围为 –40 至 +105°C。

  • 集成式双通道负载开关
  • 输入电压范围:0.8V 至 5.5V
  • VBIAS 电压范围:2.5V 至 5.5V
    • 非常适合 1S 电池配置
  • 超低 RON 电阻
    • VIN = 5V (VBIAS = 5V) 时,RON = 27mΩ
    • VIN = 3.3V (VBIAS = 5V) 时,RON = 25mΩ
    • VIN = 1.8V (VBIAS = 5V) 时,RON = 25mΩ
  • 每通道最大 4A 持续开关电流
  • 低静态电流
    • VBIAS = 5V 时为 55µA(两个通道)
    • VBIAS = 5V 时为 55µA(单通道)
  • 低控制输入阈值支持使用
    1.2V、1.8V、2.5V、3.3V 逻辑
  • 可配置上升时间(1)
  • 快速输出放电 (QOD)(2)(可选)
  • 带有散热垫的 SON 14 引脚封装
  • ESD 性能经测试符合 JEDEC 标准
    • 2kV 人体放电模式 (HBM) 和 1kV 器件充电模型 (CDM)
  • 闩锁性能超出 100mA,符合 JESD 78 II 类规范的要求
  • 通用输入输出 (GPIO) 使能 - 高电平有效
  • TPS22968N:仅限产品预览 (1) (2)

(1)有关 CT 值与上升时间之间的关系,请参阅申请资料 部分

(2)此特性通过一个 270Ω 电阻器将开关的输出放电至接地 (GND),从而防止输出悬空。

Number of channels2
Vin (min) (V)0.8
Vin (max) (V)5.5
Imax (A)4
Ron (typ) (mΩ)25
Shutdown current (ISD) (typ) (µA)0.5
Quiescent current (Iq) (typ) (µA)55
Soft startAdjustable Rise Time
Current limit typeNone
FeaturesQuick output discharge, Reverse current protection
RatingCatalog
Operating temperature range (°C)-40 to 105
FETInternal
Device typeLoad switches
FunctionInrush current control, Reverse current blocking
WSON (DPU)146 mm² 3 x 2
产品购买
  • 商品型号
  • 封装
  • 工作温度
  • 包装
  • 价格
  • 现货库存
  • 操作
10s
温馨提示:
订单商品问题请移至我的售后服务提交售后申请,其他需投诉问题可移至我的投诉提交,我们将在第一时间给您答复
返回顶部