h1_key

TI(德州仪器) TPS65261
德州仪器 (TI) 全系列产品在线购买
  • TI(德州仪器) TPS65261
  • TI(德州仪器) TPS65261
  • TI(德州仪器) TPS65261
  • TI(德州仪器) TPS65261
  • TI(德州仪器) TPS65261
  • TI(德州仪器) TPS65261
立即查看
您当前的位置: 首页 > 电源管理 > 直流/直流开关稳压器 > 降压稳压器 > TPS65261
TPS65261

TPS65261

正在供货

4.5V 至 18V 输入电压、3A/2A/2A 输出电流三路同步降压转换器

产品详情
  • 说明
  • 特性
  • 参数
  • 封装 | 引脚 | 尺寸

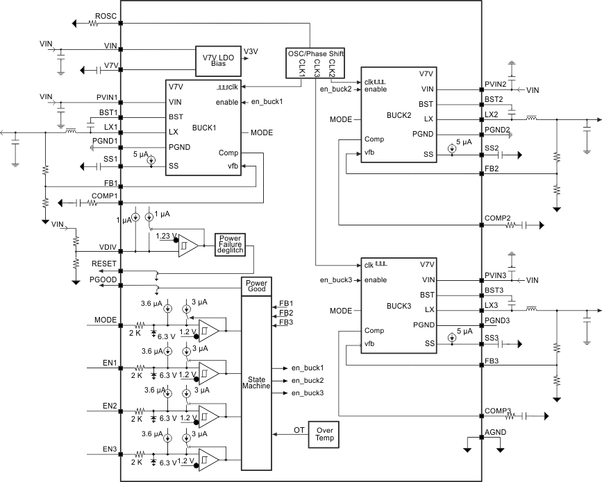
TPS65261、TPS65261-1 是一款具有 3A/2A/2A 输出电流的单片三路同步降压转换器。4.5V 至 18V 的宽输入电源电压范围包括大多数运行自 5V、9V、12V 或 15V 电源总线的中间总线电压。该转换器具有恒定频率峰值电流模式,专用于简化应用,同时方便设计人员根据目标应用来优化系统。可使用一个外部电阻器在 250 kHz 至 2 MHz 之间调整此转换器的开关频率。Buck1 和 Buck 2,3 之间的 180°异相运行(Buck2 和 3 同相运行)最大限度地减少了对输入滤波器的要求。

在将 MODE 引脚接至 V7V 并且配置 EN1/2/3 引脚时,TPS65261,TPS65261-1 特有一个自动上电时序。此器件还特有一个开漏 RESET 信号来监视断电。

轻负载时,TPS65261 自动运行在脉冲跳跃模式 (PSM),而 TPS65261-1 运行在强制持续电流模式 (FCC)。PSM 模式通过减少轻负载时的开关损耗来提供高效率,而 FCC 模式降低噪声灵敏性和射频 (RF) 干扰。

此器件特有过压保护、过流和短路保护以及过热保护。电源正常引脚在任何输出电压超出稳压范围时被置为有效。

  • 工作输入电源电压范围 (4.5V 至 18V)
  • 反馈基准电压为 0.6V ±1%
  • 最大连续输出电流:3A/2A/2A
  • 可调节时钟频率范围为 250 kHz 至 2 MHz
  • 针对每次降压的专用使能引脚和软启动引脚
  • 自动加电/断电序列
  • 轻载条件下的的脉冲跳跃模式 (PSM)(仅限 TPS65261)
  • 输出电压电源正常状态指示器
  • 输入电压电源故障指示器
  • 热过载保护
Vin (min) (V)4.5
Vin (max) (V)18
Vout (min) (V)0.6
Iout (max) (A)3
Iq (typ) (mA)0.6
Switching frequency (min) (kHz)250
Switching frequency (max) (kHz)2000
FeaturesEnable, Light Load Efficiency, Power good, Soft Start Adjustable, Synchronous Rectification, UVLO adjustable
Operating temperature range (°C)-40 to 85
RatingCatalog
Regulated outputs (#)3
Control modecurrent mode
Duty cycle (max) (%)95
TypeConverter
VQFN (RHB)3225 mm² 5 x 5
产品购买
  • 商品型号
  • 封装
  • 工作温度
  • 包装
  • 价格
  • 现货库存
  • 操作
10s
温馨提示:
订单商品问题请移至我的售后服务提交售后申请,其他需投诉问题可移至我的投诉提交,我们将在第一时间给您答复
返回顶部