h1_key

TI(德州仪器) CSD25402Q3A
德州仪器 (TI) 全系列产品在线购买
  • TI(德州仪器) CSD25402Q3A
  • TI(德州仪器) CSD25402Q3A
  • TI(德州仪器) CSD25402Q3A
  • TI(德州仪器) CSD25402Q3A
  • TI(德州仪器) CSD25402Q3A
  • TI(德州仪器) CSD25402Q3A
立即查看
您当前的位置: 首页 > 电源管理 > MOSFET > P 沟道 MOSFET > CSD25402Q3A
CSD25402Q3A

CSD25402Q3A

正在供货

采用 3mm x 3mm SON 封装的单通道、8.9mΩ、-20V、P 沟道 NexFET™ 功率 MOSFET

产品详情
  • 说明
  • 特性
  • 参数
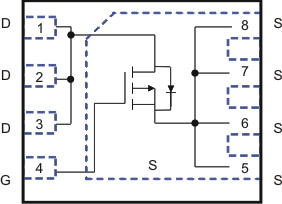
  • 封装 | 引脚 | 尺寸

这款 -20V,7.7mΩ NexFET 功率 MOSFET 被设计成最大限度地减少 SON 3 × 3 封装内的功率转换负载管理应用中的损耗,此封装类型针对器件的尺寸提供出色的热性能。

顶视图 RθJA = 55°C/W,这是在厚度为 0.060" 的环氧树脂 (FR4) 印刷电路板 (PCB) 上的 1 英寸2 铜过渡垫片(2 盎司)上测得的典型值。脉宽 ≤ 300μs,占空比 ≤ 2%

  • 超低 Qg 和 Qgd
  • 低热阻
  • 低 RDS(on)
  • 无铅且无卤素
  • 符合 RoHS 环保标准
  • 小外形尺寸无引线 (SON) 3.3mm × 3.3mm 塑料封装

应用范围

  • 直流-直流转换器
  • 电池管理
  • 负载开关
  • 电池保护

VDS (V)-20
VGS (V)-12
ConfigurationSingle
Rds(on) at VGS=4.5 V (max) (mΩ)8.9
Rds(on) at VGS=2.5 V (max) (mΩ)15.9
Rds(on) at VGS=1.8 V (max) (mΩ)300
Id peak (max) (A)-82
Id max cont (A)-15
QG (typ) (nC)7.5
QGD (typ) (nC)1.1
QGS (typ) (nC)2.4
VGSTH typ (typ) (V)-0.9
ID - silicon limited at TC=25°C (A)-72
Logic levelYes
Operating temperature range (°C)-55 to 150
RatingCatalog
VSONP (DNH)810.89 mm² 3.3 x 3.3
产品购买
  • 商品型号
  • 封装
  • 工作温度
  • 包装
  • 价格
  • 现货库存
  • 操作
10s
温馨提示:
订单商品问题请移至我的售后服务提交售后申请,其他需投诉问题可移至我的投诉提交,我们将在第一时间给您答复
返回顶部