h1_key

TI(德州仪器) TPS657120
德州仪器 (TI) 全系列产品在线购买
  • TI(德州仪器) TPS657120
  • TI(德州仪器) TPS657120
  • TI(德州仪器) TPS657120
  • TI(德州仪器) TPS657120
  • TI(德州仪器) TPS657120
  • TI(德州仪器) TPS657120
立即查看
您当前的位置: 首页 > 电源管理 > 多通道 IC (PMIC) > TPS657120
TPS657120

TPS657120

正在供货

射频前端电源管理 IC (PMIC)

产品详情
  • 说明
  • 特性
  • 参数
  • 封装 | 引脚 | 尺寸

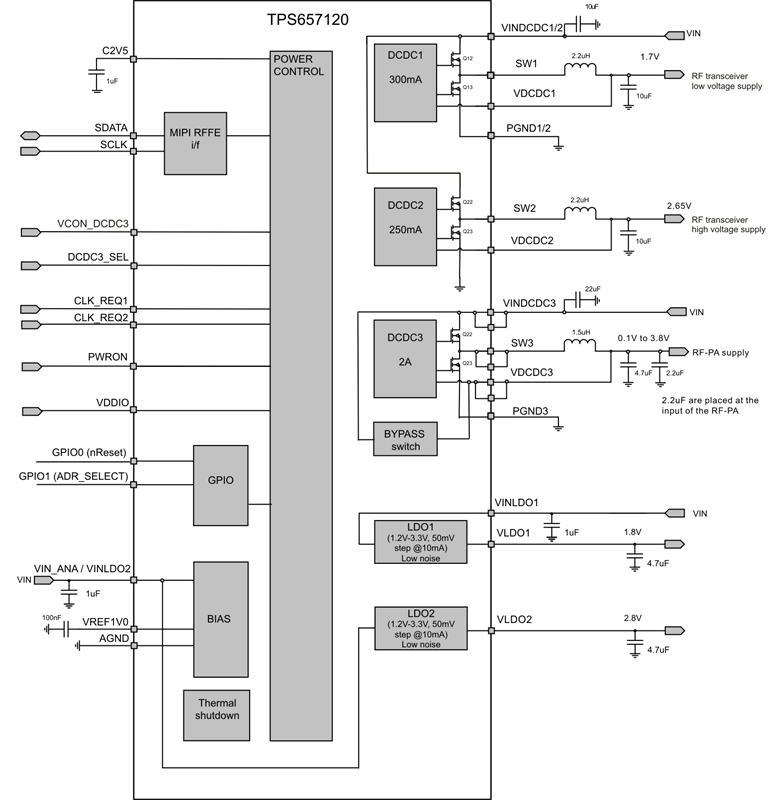
TPS657120 提供 3 个输出电流高达 2A 的可配置降压转换器。 它还包含 2 个 LDO 稳压器。 LDO1 可直接由输入电压或者由诸如 DCDC1 或 DCDC2 的一个预稳压电源供电。 到 LDO2 的输入电压可被用作一个模拟电源输入,因此,需要将它连接至一个与 VINDCDC1/2 和 VINDCDC3 处于同一电压电平的输入电压上。 内部加电/断电控制器是可配置的,并能够支持任何加电/断电序列(基于一次性可编程 (OTP))。 所有 LDO 和直流到直流转换器由一个 MIPI RFFE 兼容接口和/或由引脚 PWRON,CLK_REQ1 和 CLK_REQ2 进行控制。 此外,还有一个 nRESET 以及一个 RFFE 地址选择 (ADR_SELECT) 输入,这两个输入中任何一个可被用作具有 1mA 电流吸收能力的通用 I/O。 TPS657120 采用 6 焊球 x 5 焊球的 WCSP 封装 (2.5mm x 2.3mm),引线间距 0.4mm。

  • 3 个降压转换器:
    • VIN 范围从 2.8V 至 5.5V
    • 轻负载电流状态下的省电模式
    • PWM 模式中的输出电压准确度为 ±2%
    • 每个 DCDC1 和 DCDC2 转换器的静态电流典型值为 16μA
    • DCDC3 转换器的静态电流典型值为 26μA
    • 动态电压调节
    • 最低压降占空比为 100%
  • 2 个低压降稳压器 (LDO):
    • 2 x 10mA 输出电流
    • 低噪音 RF-LDO
    • 输出电压范围 1.2V 至 3.4V
    • 32μA 静态电流
    • 独立的电源输入支持预调节
    • ECO 模式
    • LDO 的 VIN范围:
      • LDO1:2.0V 至 5.5V
      • LDO2:2.8V 至 5.5V
  • 2 个通用输入输出 (GPIO)
  • 过热保护
  • 旁路开关
    • 与为 RF-PA 供电的 DCDC3 一同使用
  • 接口
    • 26MHz 移动行业处理器接口 (MIPI) 射频前端 (RFFE) 接口
  • 欠压闭锁
  • 灵活的加电和断电排序
  • 2.5mm x 2.3mm 晶圆级芯片封装 (WCSP) 封装,引线间距为 0.4mm

应用

  • 数据卡
  • 智能手机

Regulated outputs (#)5
ConfigurabilityFactory programmable, Software configurable
Vin (min) (V)2
Vin (max) (V)5.5
Iout (max) (A)2.5
FeaturesPower good, Power sequencing
Step-up DC/DC converter0
Step-down DC/DC converter3
Step-down DC/DC controller0
Step-up DC/DC controller0
LDO2
Iq (typ) (mA)0.06
RatingCatalog
Switching frequency (max) (kHz)2600
Operating temperature range (°C)-40 to 85
Processor supplierNVIDIA
Processor nameTegra
Shutdown current (ISD) (typ) (µA)55
Switching frequency (typ) (kHz)2400
DSBGA (YFF)305.71999999999999912 mm² 2.2 x 2.5999999999999996
产品购买
  • 商品型号
  • 封装
  • 工作温度
  • 包装
  • 价格
  • 现货库存
  • 操作
10s
温馨提示:
订单商品问题请移至我的售后服务提交售后申请,其他需投诉问题可移至我的投诉提交,我们将在第一时间给您答复
返回顶部