h1_key

TI(德州仪器) TPS65301-Q1
德州仪器 (TI) 全系列产品在线购买
  • TI(德州仪器) TPS65301-Q1
  • TI(德州仪器) TPS65301-Q1
  • TI(德州仪器) TPS65301-Q1
  • TI(德州仪器) TPS65301-Q1
  • TI(德州仪器) TPS65301-Q1
  • TI(德州仪器) TPS65301-Q1
立即查看
您当前的位置: 首页 > 电源管理 > 多通道 IC (PMIC) > TPS65301-Q1
TPS65301-Q1

TPS65301-Q1

正在供货

具有 3 个 LDO 和受保护传感器电源的汽车类 5.6V 至 40V、1.2A 降压转换器

产品详情
  • 说明
  • 特性
  • 参数
  • 封装 | 引脚 | 尺寸

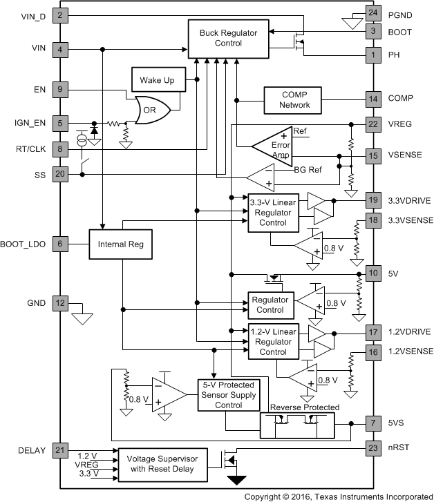
TPS65301-Q1 电源是一个单开关模式降压电源和三个线性稳压器的组合。 这是一款单片高压开关稳压器,此稳压器具有一个集成型 1.2A 峰值电流开关,45V 功率金属氧化物半导体场效应晶体管 (MOSFET),一个低压线性稳压器,两个电压稳压器控制器以及一个受保护传感器电源。

此器件具有一个电压监视器,此监视器监控开关模式电源的输出,3.3V 线性稳压器和 1.2V 线性稳压器。 一个外部定时电容器用于设定加电延迟时间和复位输出 nRST 的释放时间。 这个复位输出还被用于表示开关模式电源,3.3V 线性稳压器电源或者 1.2V 线性稳压器电源是否在设定的限值之外。 受保护传感器电源 5VS 在额定限值内跟踪 3.3V 线性稳压器。

TPS65301-Q1 器件开关频率范围介于 2MHz 至 3MHz 之间,从而实现半高电感器和低值输入以及输出陶瓷电容器的使用。 外部环路补偿为用户提供了针对适当的运行条件而进行转换器优化的灵活性。

此器件具有内置保护特性,诸如 IGN_EN ON 或者使能周期上的软启动、逐脉冲电流限制、热感测、和过多功率耗散而引起的关断。

  • 输入 VIN 电压范围介于 5.75V 至 40V 之间,瞬态电压高达 45V
  • 为了实现稳定性,所有输出支持陶瓷输出电容器
  • 带有集成高侧开关的 5.45V 开关模式稳压器
    • 建议使用的开关模式频率范围为 2MHz 至 3MHz
  • 过流保护和 1.2A 峰值开关电流
  • 一个线性稳压器 5V ± 2%
  • 两个电压为 3.3V 的线性稳压器控制器,分别为1.2V ± 2%
  • 受保护 5V 传感器电源输出,此输出跟踪 3.3V 电源
  • IGN_EN 输入的状态指示器输出
  • 点火 (IGN_EN) / 使能输入 (EN) 周期上的软启动
  • 用于同步的外部时钟输入
  • 针对快速负瞬态的可编程加电复位延迟、复位功能滤波器定时器
  • 针对下列电源的电压监视器
    • VREG,3.3V,1.2V
  • 针对过多功率耗散的热关断保护
  • 运行结温范围高达 150°C
  • 耐热增强型 24 引脚超薄型小外形尺寸 (HTSSOP) 或者 24 引脚四方扁平无引线 (QFN) 封装

应用范围

  • 用于 TMS570 微控制器的电源
  • 用于 C28XXX 数字信号处理器 (DSP) 的电源
  • 针对车载应用的通用电源

Regulated outputs (#)4
Vin (min) (V)5.6
Vin (max) (V)40
Iout (max) (A)1.2
FeaturesEnable, Overcurrent protection, Thermal shutdown
Step-up DC/DC converter0
Step-down DC/DC converter1
Step-down DC/DC controller0
Step-up DC/DC controller0
LDO3
Iq (typ) (mA)5.57
RatingAutomotive
Switching frequency (max) (kHz)3000
Operating temperature range (°C)-40 to 125
Processor supplierTexas Instruments
Processor nameC2000, Hercules TMS570
Shutdown current (ISD) (typ) (µA)2.2
HTSSOP (PWP)2449.92 mm² 7.8 x 6.4
产品购买
  • 商品型号
  • 封装
  • 工作温度
  • 包装
  • 价格
  • 现货库存
  • 操作
10s
温馨提示:
订单商品问题请移至我的售后服务提交售后申请,其他需投诉问题可移至我的投诉提交,我们将在第一时间给您答复
返回顶部