h1_key

TI(德州仪器) UCC28180
德州仪器 (TI) 全系列产品在线购买
  • TI(德州仪器) UCC28180
  • TI(德州仪器) UCC28180
  • TI(德州仪器) UCC28180
  • TI(德州仪器) UCC28180
  • TI(德州仪器) UCC28180
  • TI(德州仪器) UCC28180
立即查看
您当前的位置: 首页 > 电源管理 > 交流/直流和隔离式直流/直流开关稳压器 > 功率因数校正 (PFC) 控制器 > UCC28180
UCC28180

UCC28180

正在供货

具有增强启动和瞬态响应功能的 18kHz 至 250kHz CCM PFC 控制器

产品详情
  • 说明
  • 特性
  • 参数
  • 封装 | 引脚 | 尺寸

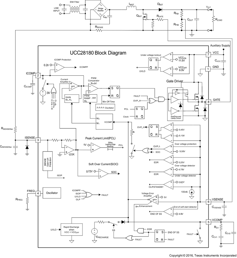
UCC28180 是一款灵活且易于使用的 8 引脚有源功率因数校正 (PFC) 控制器,该控制器运行在连续导通模式 (CCM) 下,可为交流-直流前端中的升压前置稳压器提供高功率因数、低电流失真和出色的电压稳压。此控制器适用于 100 瓦至几千瓦范围内的通用交流输入系统,开关频率可在 18kHz 至 250kHz 范围内编程,以便轻松支持功率 MOSFET 和 IGBT 开关。集成的 1.5A 和 2A (SRC-SNK) 峰值栅极驱动输出在内部钳位为 15.2V(典型值),无需使用缓冲电路即可快速接通、关闭以及轻松管理外部电源开关。

通过使用平均电流模式控制,在无需输入线路感测的情况下,即可实现输入电流低失真波整形,从而减少了外部组件数量。此外,该控制器 的 电流感测阈值有所降低,方便使用低值分流电阻来降低功率耗散,这对于高功率系统尤为重要。为了实现低电流失真,此控制器还 特有 用于消除相关误差的经调整电流环路稳压电路。

All trademarks are the property of their respective owners.

简单外部网络可实现电流和电压控制环路的灵活补偿。此外,UCC28180 提供一个基于电压反馈信号的增强型动态响应电路,此电路可改善在过压和欠压情况下对快速负载瞬变的响应。UCC28180 内提供的独特 VCOMP 放电电路会在电压反馈信号超过 VOVP_L 时激活,从而使控制环路能够快速稳定下来并避免触发过压保护功能。触发过压保护功能时,脉宽调制 (PWM) 的关闭经常会引起可闻噪声。受控软启动在启动期间逐渐调节输入电流,并减小电源开关上的应力。此控制器提供多种系统级 保护 ,其中包括 VCC UVLO、峰值电流限制、软过流保护、输出开环检测,输出过压保护和引脚开路检测 (VISNS)。经调整的内部基准提供精确保护阈值和稳压设定值。用户可通过将 VSENSE 引脚下拉至低于 0.82V 来控制低功耗待机模式。

  • 8 引脚解决方案(无需 AC 线路感测)
  • 宽范围可编程开关频率(对于基于金属氧化物半导体场效应晶体管 (MOSFET) 和基于绝缘栅双极型晶体管 (IGBT) 的 PFC 控制器为 18kHz 至 250kHz)
  • 用于降低 iTHD 的经调整电流环路
  • 电流感测阈值有所降低(最大限度降低分流电阻功耗)
  • 平均电流模式控制
  • 软过流和逐周期峰值电流限制保护
  • 具有滞后恢复功能的输出过压保护
  • 可闻噪声最小化电路
  • 开环检测
  • 改善输出过压和欠压状态期间的动态响应
  • 最高占空比为 96%(典型值)
  • 针对无负载稳压的突发模式
  • VCC 欠压锁定 (UVLO)、低附加动态功耗电流 (ICC) 启动 (< 75µA)

应用

  • 100 瓦到几千瓦范围内的通用交流输入、CCM 升压 PFC 转换器
  • 服务器和台式机电源
  • 大型家用电器(空调、冰箱)
  • 工业电源(德国标准化学会 (DIN) 电源轨)
  • 平板(等离子 (PDP)、液晶 (LCD) 和发光二级管 (LED))电视

All trademarks are the property of their respective owners.

TopologyBoost
Control modeCCM
Switching frequency (max) (kHz)250
UVLO thresholds on/off (V)11.4/9.7
Vin (max) (V)21
FeaturesAudible Noise Minimization, Burst mode, No AC line sensing, Programable Switching Frequency
RatingCatalog
Operating temperature range (°C)-40 to 125
Duty cycle (max) (%)96
SOIC (D)829.4 mm² 4.9 x 6
产品购买
  • 商品型号
  • 封装
  • 工作温度
  • 包装
  • 价格
  • 现货库存
  • 操作
10s
温馨提示:
订单商品问题请移至我的售后服务提交售后申请,其他需投诉问题可移至我的投诉提交,我们将在第一时间给您答复
返回顶部