h1_key

TI(德州仪器) TPS24750
德州仪器 (TI) 全系列产品在线购买
  • TI(德州仪器) TPS24750
  • TI(德州仪器) TPS24750
  • TI(德州仪器) TPS24750
  • TI(德州仪器) TPS24750
  • TI(德州仪器) TPS24750
  • TI(德州仪器) TPS24750
立即查看
您当前的位置: 首页 > 电源管理 > 电源开关 > 电子保险丝和热插拔控制器 > TPS24750
TPS24750

TPS24750

正在供货

具有用于外部阻断 FET 和闭锁功能的驱动器的 2.5V 至 18V、3mΩ、0.01A 至 12A 电子保险丝

产品详情
  • 说明
  • 特性
  • 参数
  • 封装 | 引脚 | 尺寸

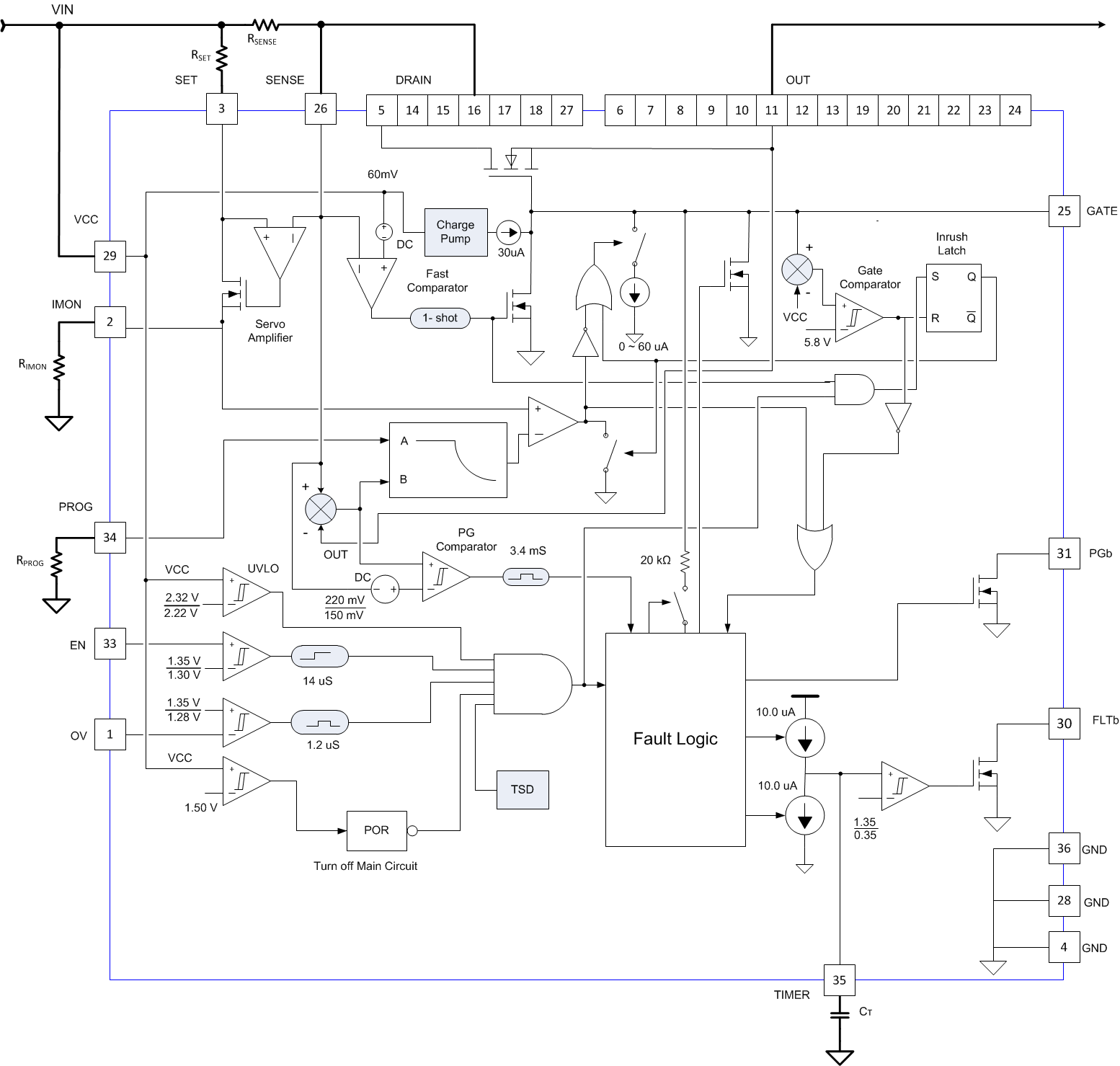
TPS2475x 可以为 2.5V 至 18V 应用提供高度集成的负载 保护。该器件在单个适用于小外形尺寸应用的封装内集成了一个热插拔控制器和一个 功率 MOSFET。这些器件保护电源、负载和内部 MOSFET 不受潜在损害事件的影响。在启动过程中,负载电流与 MOSFET 功率耗散被限制在用户选定值内。在启动之后,将允许超过用户选定限值的电流流动,直至设定的超时为止 — 负载与电源直接断开的极端过载情况除外。

可编程 FET SOA 保护确保内部 MOSFET 始终在其安全运行区域 (SOA) 内运行,并且负载以一个已定义的斜升速率启动。这在提升系统稳定性的同时增加了内部 MOSFET 性能。针对系统状态监视以及下游负载控制提供电源正常、故障和电流监视输出。

这些器件采用 36 引脚 7mm × 3.5mm QFN (RUV) 封装,额定工作结温范围为 –40°C 至 +125°C。

  • 2.5V 至 18V 总线运行
  • 持续电流高达 12A
  • 具有 3mΩ(典型值)RDS(on) 的集成 MOSFET
  • 可编程电流限制
  • 可编程 FET 安全运行区域 (SOA) 保护
  • 从 10mA 至 12A 的高 ILimit 精度
  • 可编程故障定时器
  • 用于短路保护的快速断路器
  • 可编程 VOUT 转换率,欠压 (UV) 和过压 (OV)
  • 电源正常和故障输出
  • 模拟负载电流监视器
  • 热关断
  • 通过 UL 2367 认证 – 文件编号 E339631
FETInternal
Ron (typ) (mΩ)3
Vin (min) (V)2.5
Vin (max) (V)18
Vabsmax_cont (V)30
Current limit (min) (A)0.01
Current limit (max) (A)12
Overcurrent responseCircuit breaker, current limiting
Fault responseLatch-off
Soft startAdjustable
Overvoltage responseCut-off
FeaturesCurrent monitoring, Fault output, Reverse current blocking when off
RatingCatalog
Device typeeFuses and hot swap controllers
Operating temperature range (°C)-40 to 85
FunctionAdjustable current limit, Current monitoring, Inrush current control, Overvoltage protection, Power good signal, Reverse current blocking, Short circuit protection
VQFN (RUV)3624.5 mm² 7 x 3.5
产品购买
  • 商品型号
  • 封装
  • 工作温度
  • 包装
  • 价格
  • 现货库存
  • 操作
10s
温馨提示:
订单商品问题请移至我的售后服务提交售后申请,其他需投诉问题可移至我的投诉提交,我们将在第一时间给您答复
返回顶部