h1_key

TI(德州仪器) LM10524
德州仪器 (TI) 全系列产品在线购买
  • TI(德州仪器) LM10524
  • TI(德州仪器) LM10524
  • TI(德州仪器) LM10524
  • TI(德州仪器) LM10524
  • TI(德州仪器) LM10524
  • TI(德州仪器) LM10524
立即查看
您当前的位置: 首页 > 电源管理 > 多通道 IC (PMIC) > LM10524
LM10524

LM10524

正在供货

用于固态驱动器的三路降压电源管理 IC (PMIC)

产品详情
  • 说明
  • 特性
  • 参数
  • 封装 | 引脚 | 尺寸

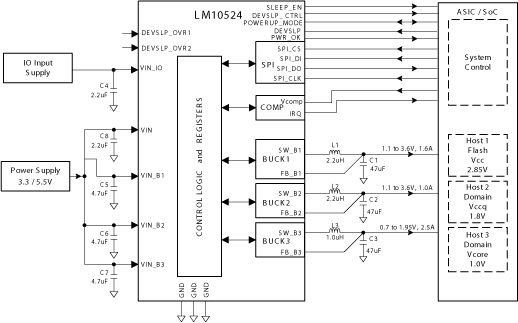
LM10524 is an advanced PMU containing three configurable, high-efficiency buck regulators for supplying variable voltages. The device is ideal for supporting ASIC and SOC designs for SSD and Flash drives.

The LM10524 can operate cooperatively with an ASIC to optimize the supply voltage for low-power conditions and to control power saving modes via the SPI interface.

  • Three Highly Efficient Programmable Buck Regulators
    • Integrated FETs with Low RDSON
    • Bucks Operate with Their Phases Shifted to Reduce
      the Input Current Ripple and Capacitor Size
    • Programmable Output Voltage via the SPI Interface
    • Over and Under-Voltage-Lockout
    • Automatic Internal Soft Start with Power-On-Reset
    • Current Overload and Thermal Shutdown Protection
    • PFM Mode for High Efficiency at Light Load Conditions
  • Power-Down Data Protection Enhances Data Integrity
  • Bypass Mode Available on Buck 1
  • Sleep Mode to Save Power During Idle Times
    • DEVSLP Function
  • SPI-Programmable Interrupt Comparator (2.0V to 4.0V)
  • Factory Programmable Startup Sequencing for Varied Controllers
  • Fast Startup for all Voltage Rails in about 3.5ms to PWR_OK
  • Fast Turn-off / Active Discharge on Regulator Outputs

Key Specifications

  • Single input rail with wide range: 3.3 to 5.5V
  • Programmable Buck Regulator Outputs:
    • Buck 1: 1.1V to 3.6V; 1.6A
    • Buck 2: 1.1V to 3.6V; 1A
    • Buck 3: 0.7V to 1.95V; 2.5A
  • ±3% feedback voltage accuracy
  • Up to 95% efficient buck regulators
  • 2MHz switching frequency for smaller inductor size
  • 2.815mm, 3.215mm, 0.4mm pitch, 46 bump micro SMD package

Application

  • Solid-State Drives

All trademarks are the property of their respective owners.

Regulated outputs (#)3
ConfigurabilityFactory programmable
Vin (min) (V)3
Vin (max) (V)5.5
Iout (max) (A)2.5
FeaturesComm control, Power good, Power sequencing
Step-up DC/DC converter0
Step-down DC/DC converter3
Step-down DC/DC controller0
Step-up DC/DC controller0
LDO0
Iq (typ) (mA)0.05
RatingCatalog
Switching frequency (max) (kHz)2300
Operating temperature range (°C)-30 to 85
Switching frequency (typ) (kHz)2000
DSBGA (YFR)4610.8 mm² 3.6 x 3
产品购买
  • 商品型号
  • 封装
  • 工作温度
  • 包装
  • 价格
  • 现货库存
  • 操作
10s
温馨提示:
订单商品问题请移至我的售后服务提交售后申请,其他需投诉问题可移至我的投诉提交,我们将在第一时间给您答复
返回顶部