h1_key

TI(德州仪器) BQ25570
德州仪器 (TI) 全系列产品在线购买
  • TI(德州仪器) BQ25570
  • TI(德州仪器) BQ25570
  • TI(德州仪器) BQ25570
  • TI(德州仪器) BQ25570
  • TI(德州仪器) BQ25570
  • TI(德州仪器) BQ25570
立即查看
您当前的位置: 首页 > 电源管理 > 电池管理 IC > 电池充电器 IC > BQ25570
BQ25570

BQ25570

正在供货

具有升压充电器和毫微功耗降压转换器的超低功耗能量收集器电源管理 IC

产品详情
  • 说明
  • 特性
  • 参数
  • 封装 | 引脚 | 尺寸

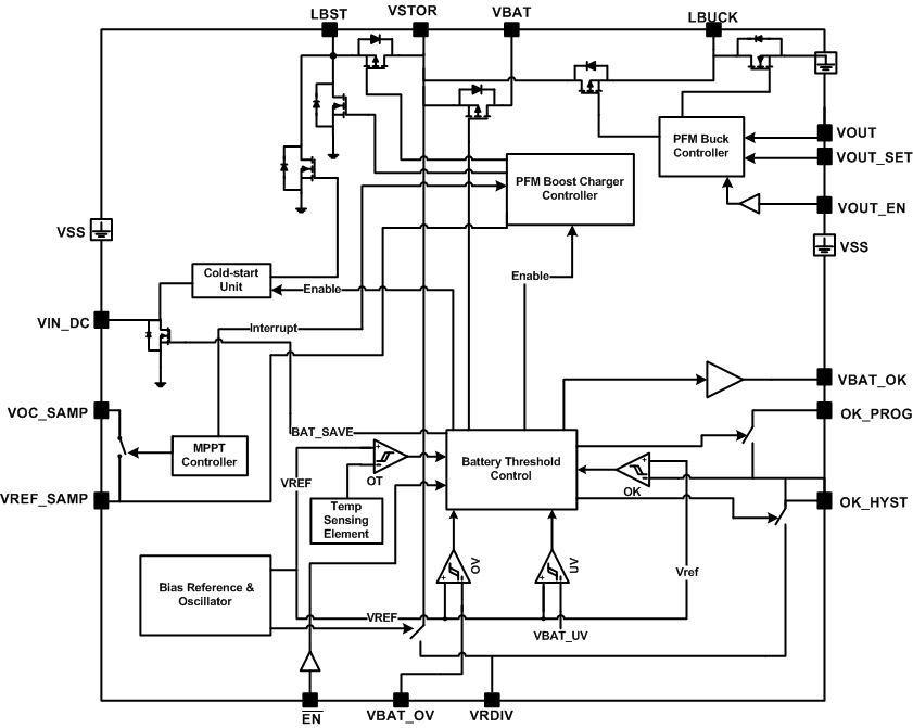
bq25570 器件经过专门设计,可以有效地提取光电(太阳能)或热电发电机 (TEG) 等各种高输出阻抗直流源产生的微瓦 (µW) 至毫瓦 (mW) 级的电能,而不会导致这些输入源发生故障。电池管理 特性 确保可充电电池不会因为所提取的能量而过充,不会出现电压升高或损耗超出系统负载安全限制范围的情况。除高效升压充电器外,bq25570 还集成了高效率、微功耗的降压转换器,可为系统(例如有严格功率和操作要求的无线传感器网络 (WSN))提供第二个电源轨。bq25570 的所有功能都采用 20 引线 3.5mm x 3.5mm QFN 小尺寸封装 (RGR)。

  • 超低功耗直流/直流升压充电器
    • 冷启动电压:VIN ≥ 600mV
    • 能够在 VIN 低至 100mV 时持续能量意大利 将特性从:能够在输入源低至 120mV 时持续能量意大利改为:能够在输入源低至 100mV 时持续能量意大利
    • 输入电压稳压防止高阻抗输入源故障
    • 488nA(典型值)的完全运行静态电流
    • 电池电流 < 5nA 的运输节电模式
  • 储能
    • 可将能量存储在可再充电锂离子电池、薄膜电池、超大电容器或传统电容器中
  • 电池充电和保护
    • 内部设定欠压电平
    • 用户可编程过压电平
  • 电池正常输出标志
    • 可编程阈值和滞后
    • 功率损耗待定的随附报警功能的微控制器
    • 可被用来启用或禁用系统负载
  • 可编程降压调节输出(降压)
    • 效率到达 93%
    • 支持 110mA 的峰值输出电流(典型值)
  • 可编程最大功率点跟踪 (MPPT)
    • 从多种能量意大利器件中提供最佳能量提取,其中包括太阳能电池板、热电和压电发电机
Number of series cells1
Charge current (max) (A)0.1
Vin (max) (V)5.1
Cell chemistryLi-Ion/Li-Polymer, SuperCap
Battery charge voltage (min) (V)2.2
Battery charge voltage (max) (V)5.5
Absolute max Vin (max) (V)5.5
Control topologySwitch-Mode Boost
Control interfaceStandalone (RC-Settable)
FeaturesInput OVP, Solar input/MPPT
Vin (min) (V)0.6
RatingCatalog
Operating temperature range (°C)-40 to 125
VQFN (RGR)2012.25 mm² 3.5 x 3.5
产品购买
  • 商品型号
  • 封装
  • 工作温度
  • 包装
  • 价格
  • 现货库存
  • 操作
10s
温馨提示:
订单商品问题请移至我的售后服务提交售后申请,其他需投诉问题可移至我的投诉提交,我们将在第一时间给您答复
返回顶部