h1_key

TI(德州仪器) TPS61177
德州仪器 (TI) 全系列产品在线购买
  • TI(德州仪器) TPS61177
  • TI(德州仪器) TPS61177
  • TI(德州仪器) TPS61177
  • TI(德州仪器) TPS61177
  • TI(德州仪器) TPS61177
  • TI(德州仪器) TPS61177
立即查看
您当前的位置: 首页 > 电源管理 > LED 驱动器 > 背光 LED 驱动器 > TPS61177
TPS61177

TPS61177

正在供货

适用于笔记本和平板电脑显示屏的 WLED 驱动器,具有固定模式调光功能

产品详情
  • 说明
  • 特性
  • 参数
  • 封装 | 引脚 | 尺寸

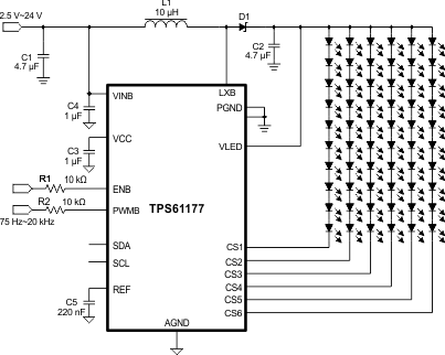
The TPS61177 IC provides a highly integrated WLED driver solution for notebook LCD backlight. This device has a built-in high efficiency boost regulator with integrated 1.8A /40V power MOSFET. The six current sink regulators provide high precision current regulation and matching. In total, the device can support up to 72 WLEDs. In addition, the boost output automatically adjusts its voltage to the WLED forward voltage to optimize efficiency.

The TPS61177 supports the analog dimming, analog/PWM dimming and direct PWM dimming method. During analog dimming mode, each CS current linearly varies depending on the duty cycle information on the PWMB pins. During analog and PWM mixed dimming mode, the input PWM duty cycle information is translated to analog signal to control the WLED current linearly over 25% to 100% brightness area. And the device also allows adding PWM dimming when the analog current down to 25%. Below 25%, the analog signal will translate to PWM duty cycle information to control the on/off of WLED current and average the WLED current down to 1%. The frequency of adding PWM dimming is same to input PWM frequency on the PWMB pin. While the TPS61177 also supports direct PWM dimming method, in direct PWM dimming mode the WLED current is turned on/off synchronized with the input PWM signal.

  • 2.5V to 24V Input Voltage Range
  • 39 V Maximum Output Voltage
  • Integrated 1.8 A /40 V MOSFET
  • 450 kHz to 1.2 MHz Programmable Switching Frequency
  • Adaptive Boost Output to WLED Voltages
  • 100Hz to 25kHz Wide Input PWM Dimming Frequency Range
  • 1% Minimum Dimming Duty Cycle
  • Small External Components
  • Integrated Loop Compensation
  • Six Current Sinks of 30mA Max
  • 1% (Typical) Current Matching
  • Input PWM Glitch Filter
  • PWM Brightness Interface Control
  • Three Optional Dimming Methods, Including Direct PWM Dimming, Analog Dimming and Analog/PWM Mixed Dimming
  • Built-in WLED Open Protection
  • Thermal Shutdown
  • 20 Leads 3.5mm × 3.5mm × 0.9mm QFN Package
Number of channels6
Vin (min) (V)2.5
Vin (max) (V)24
Vout (min) (V)4.5
Vout (max) (V)39
TypeInductive
Switching frequency (max) (kHz)1200
Duty cycle (max) (%)95
LED current per channel (mA)30
Peak efficiency (%)95
TopologyBoost
FeaturesAnalog Dimming, Analog/PWM mixed dimming, Direct PWM Dimming
Operating temperature range (°C)-40 to 85
RatingCatalog
VQFN (RGR)2012.25 mm² 3.5 x 3.5
产品购买
  • 商品型号
  • 封装
  • 工作温度
  • 包装
  • 价格
  • 现货库存
  • 操作
10s
温馨提示:
订单商品问题请移至我的售后服务提交售后申请,其他需投诉问题可移至我的投诉提交,我们将在第一时间给您答复
返回顶部