h1_key

TI(德州仪器) TPS62065-Q1
德州仪器 (TI) 全系列产品在线购买
  • TI(德州仪器) TPS62065-Q1
  • TI(德州仪器) TPS62065-Q1
  • TI(德州仪器) TPS62065-Q1
  • TI(德州仪器) TPS62065-Q1
  • TI(德州仪器) TPS62065-Q1
  • TI(德州仪器) TPS62065-Q1
立即查看
您当前的位置: 首页 > 电源管理 > 直流/直流开关稳压器 > 降压稳压器 > TPS62065-Q1
TPS62065-Q1

TPS62065-Q1

正在供货

采用 2x2 SON 封装的 3MHz、2A 汽车级降压转换器

产品详情
  • 说明
  • 特性
  • 参数
  • 封装 | 引脚 | 尺寸

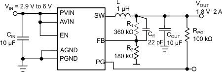
TPS62065-Q1、TPS62067-Q1 和 TPS62067A-Q1 器件是高效同步直流/直流降压转换器。该器件可提供高达 2A 的输出电流。

借助 2.9V 至 6V 的输入电压范围,此器件非常适用于针对 5V 或 3.3V 系统电源轨的电源转换。TPS62065-Q1 和 TPS62067-Q1 工作在 3MHz 固定频率下,并且在轻负载电流条件下会进入节能模式,从而在整个负载电流范围内保持高效率。该节能模式针对低输出电压纹波进行了优化。对于低噪声应用,可通过将 MODE 引脚拉为高电平来强制 TPS62065-Q1 器件进入固定频率 PWM 模式。TPS62067-Q1 提供了开漏电源正常输出并具有节能模式,而 TPS62067A-Q1 在固定频率 PWM 模式下运行。在关断模式下,电流消耗降至 5µA,同时内部电路将使输出电容放电。TPS62065-Q1、TPS62067-Q1 和 TPS62067A-Q1 器件经过了优化,可与微型 1µH 电感以及小型 10µF 输出电容搭配使用,从而实现超小设计尺寸以及高稳压性能。

全新产品 TPS628502-Q1 提供了更低的 BOM 成本、更小的尺寸、更高的效率以及其他特性。

  • 推出的新产品:TPS628502-Q1 采用 SOT583 封装的 6V 降压转换器
  • 具有符合 AEC-Q100 标准的下列特性:
    • 器件温度等级 1:–40°C 至 125°C 的工作结温范围
    • 器件 HBM ESD 分类等级 2
    • 器件 CDM ESD 分类等级 C4B
  • 功能安全型
    • 可提供用于功能安全系统设计的文档
  • 3MHz 开关频率
  • V IN 范围为 2.9 V 至 6 V
  • 效率高达 97%
  • 节能模式和 3MHz 固定 PWM 模式
  • 电源正常状态输出
  • PWM 模式下输出电压精度为 ±1.5%
  • 输出电容器放电功能
  • 18µA 静态电流(典型值)
  • 可实现最低压降的 100% 占空比
  • 电压定位
  • 时钟抖动
  • 采用 2 × 2 × 0.75mm 晶圆级小外形无引线 (WSON) 封装
Vin (min) (V)2.9
Vin (max) (V)6
Vout (min) (V)0.8
Vout (max) (V)6
Iout (max) (A)2
Iq (typ) (mA)0.018
Switching frequency (min) (kHz)2600
Switching frequency (max) (kHz)3400
EMI featuresSpread Spectrum
FeaturesEnable, Light load efficiency, Output discharge, Spread Spectrum, Synchronous Rectification
Operating temperature range (°C)-40 to 125
RatingAutomotive
TI functional safety categoryFunctional Safety-Capable
Regulated outputs (#)1
Control modeVoltage mode
Duty cycle (max) (%)100
TypeConverter
WSON (DSG)84 mm² 2 x 2
产品购买
  • 商品型号
  • 封装
  • 工作温度
  • 包装
  • 价格
  • 现货库存
  • 操作
10s
温馨提示:
订单商品问题请移至我的售后服务提交售后申请,其他需投诉问题可移至我的投诉提交,我们将在第一时间给您答复
返回顶部