h1_key

TI(德州仪器) TPS62130A
德州仪器 (TI) 全系列产品在线购买
  • TI(德州仪器) TPS62130A
  • TI(德州仪器) TPS62130A
  • TI(德州仪器) TPS62130A
  • TI(德州仪器) TPS62130A
  • TI(德州仪器) TPS62130A
  • TI(德州仪器) TPS62130A
立即查看
您当前的位置: 首页 > 电源管理 > 直流/直流开关稳压器 > 降压稳压器 > TPS62130A
TPS62130A

TPS62130A

正在供货

采用 3x3 QFN 封装、具有 DCS-control 的 3V 至 17V 3A 降压转换器

产品详情
  • 说明
  • 特性
  • 参数
  • 封装 | 引脚 | 尺寸

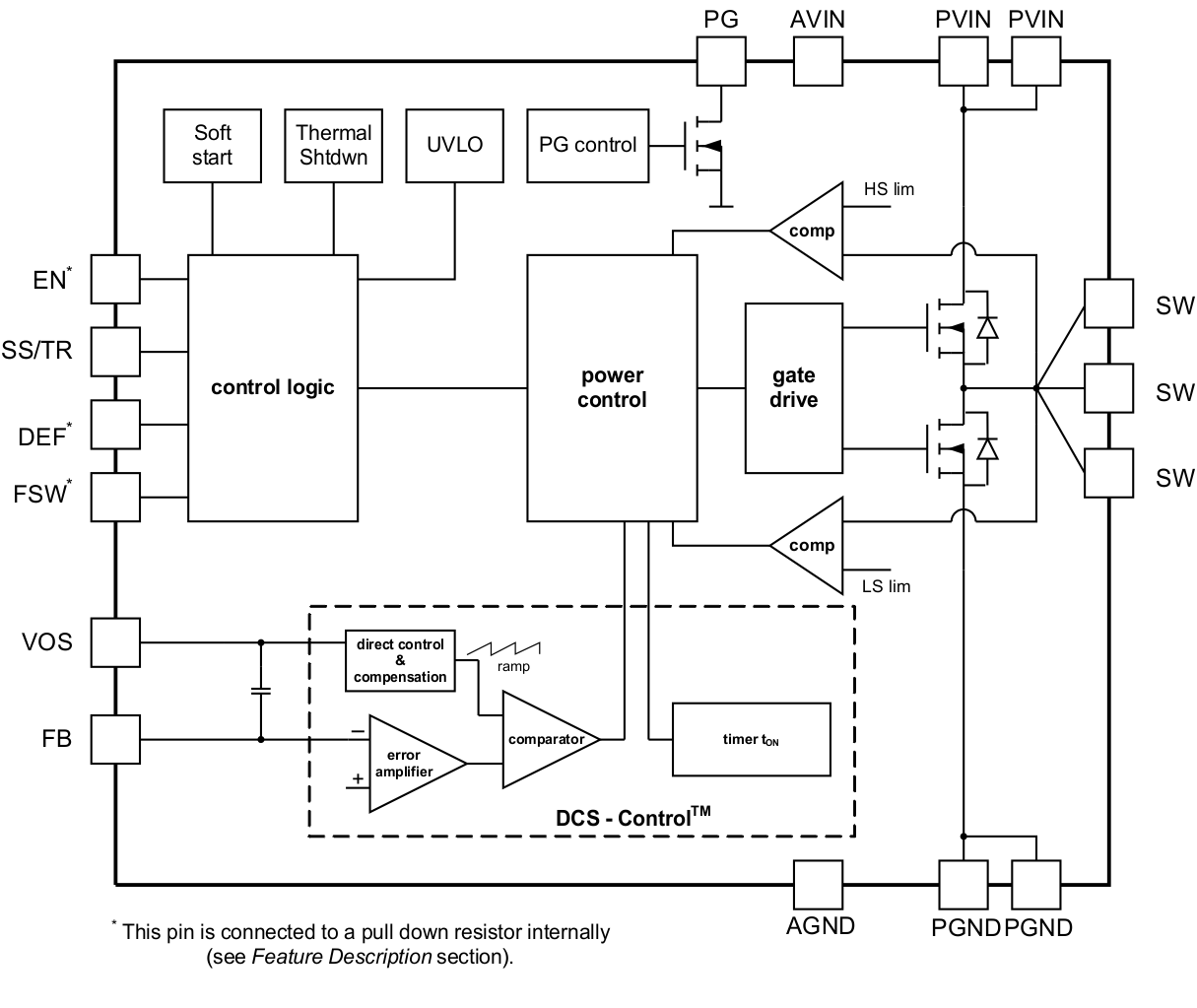
TPS6213x 系列是易于使用的同步降压直流/直流转换器,此转换器针对高功率密度应用进行了优化。典型值为 2.5MHz 的高开关频率支持使用小型电感器,并且通过使用 DCS-Control 拓扑技术提供快速瞬态响应以及高输出电压精度。

此器件具有 3V 至 17V 宽运行输入电压范围,非常适用于由锂离子或其它电池以及 12V 中间电源轨供电的系统。这些器件在 0.9V 至 6V 的输出电压范围内,支持高达 3A 的持续输出电流(使用 100% 占空比模式时)。此输出电压启动斜坡由软启动引脚控制,从而支持作为独立电源运行或采用跟踪配置。通过配置使能引脚和开漏电源正常状态引脚也可以实现电源排序。

在节能模式下,这些器件从 VIN 中消耗约 17µA 的静态电流。负载较小时可自动且无缝进入节能模式,同时该模式可保持整个负载范围内的高效率。该器件在关断模式下处于关断状态,期间的流耗低于 2µA。

此器件分为可调和固定输出电压型号,采用 3mm × 3mm (RGT) 16 引脚超薄四方扁平无引线 (VQFN) 封装。

  • DCS-Control™ 拓扑
  • 输入电压范围:3 V 至 17 V
  • 高达 3A 输出电流
  • 可调输出电压范围为 0.9 V 至 6 V
  • 引脚可选输出电压(标称值,+5%)
  • 可编程软启动和跟踪
  • 节能模式无缝转换
  • 17µA 静态电流(典型值)
  • 可选工作频率
  • 电源正常状态输出
  • 100% 占空比模式
  • 短路保护
  • 过热保护
  • 与 TPS62140 和 TPS62150 引脚对引脚兼容
  • 采用 3mm × 3mm QFN-16 封装
  • 使用 TPS82130 可缩短设计时间
Vin (min) (V)3
Vin (max) (V)17
Vout (min) (V)0.9
Vout (max) (V)6
Iout (max) (A)3
Iq (typ) (mA)0.017
Switching frequency (min) (kHz)1250
Switching frequency (max) (kHz)2500
FeaturesEnable, Light Load Efficiency, Output discharge, Power good, Pre-Bias Start-Up, Synchronous Rectification, Tracking, Voltage Margining
Operating temperature range (°C)-40 to 125
RatingCatalog
Regulated outputs (#)1
Control modeConstant on-time (COT), DCS-Control
Duty cycle (max) (%)100
TypeConverter
VQFN (RGT)169 mm² 3 x 3
产品购买
  • 商品型号
  • 封装
  • 工作温度
  • 包装
  • 价格
  • 现货库存
  • 操作
10s
温馨提示:
订单商品问题请移至我的售后服务提交售后申请,其他需投诉问题可移至我的投诉提交,我们将在第一时间给您答复
返回顶部