h1_key

TI(德州仪器) LM5023
德州仪器 (TI) 全系列产品在线购买
  • TI(德州仪器) LM5023
  • TI(德州仪器) LM5023
  • TI(德州仪器) LM5023
  • TI(德州仪器) LM5023
  • TI(德州仪器) LM5023
  • TI(德州仪器) LM5023
立即查看
您当前的位置: 首页 > 电源管理 > 交流/直流和隔离式直流/直流开关稳压器 > 反激式控制器 > LM5023
LM5023

LM5023

正在供货

交流/直流准谐振电流模式 PWM 控制器

产品详情
  • 说明
  • 特性
  • 参数
  • 封装 | 引脚 | 尺寸

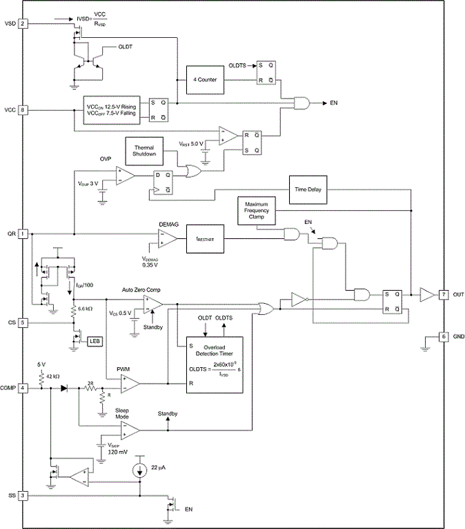
LM5023 是一款准谐振脉宽调制 (PWM) 控制器,此控制器包含有实现一个高效离线电源所需的全部功能。 LM5023 使用变压器辅助绕组来实现消磁检测,从而确保了临界传导模式 (CCM) 运行。 LM5023 特有一个用于过流保护的断续模式,它具有的自动重启功能可减少过载期间功率元件上的应力。 针对节能应用(ENERGY STAR®,CEPCP 等)的跳周模式可在轻负载时减少功耗。 LM5023 还使用变压器辅助绕组来实现输出过压 (OVP) 保护,如果检测到 OVP 故障,LM5023 就锁存控制器。

  • 临界传导模式
  • 峰值电流模式控制模式
  • 针对低待机功耗的跳周模式
  • 针对持续过载保护的断续模式
  • 逐周期过流保护可保持通用交流线路上的准确度
  • 线路电流前馈
  • 通过感测辅助绕组的 OVP 保护
  • 集成 0.7A 峰值栅极驱动器
  • 直接光耦合器件接口
  • 电流感测信号的前缘消隐
  • 最高频率钳位 130kHz
  • 可编程软启动
  • 热关断
  • 8 引脚表面贴装小外形尺寸 (MSOP) 封装

应用范围

  • 通用输入交流-直流笔记本电脑适配器 10W 至 65W
  • 高效辅助电路和辅助电源
  • 电池充电器
  • 消费类电子产品(DVD 播放器、机顶盒、数字电视、游戏机、打印机等)

Control modeSecondary-side regulation
UVLO thresholds on/off (V)12.8/7.5
Duty cycle (max) (%)100
Switching frequency (max) (kHz)130
FeaturesLeading edge blanking, Light load efficiency, Overvoltage protection, Quasi-Resonant, Secondary-side regulated, Skip cycle mode, TM
Operating temperature range (°C)-40 to 125
RatingCatalog
Device typeControllers
TopologyFlyback
VSSOP (DGK)814.7 mm² 3 x 4.9
产品购买
  • 商品型号
  • 封装
  • 工作温度
  • 包装
  • 价格
  • 现货库存
  • 操作
10s
温馨提示:
订单商品问题请移至我的售后服务提交售后申请,其他需投诉问题可移至我的投诉提交,我们将在第一时间给您答复
返回顶部