h1_key

TI(德州仪器) TPS62405-Q1
德州仪器 (TI) 全系列产品在线购买
  • TI(德州仪器) TPS62405-Q1
  • TI(德州仪器) TPS62405-Q1
  • TI(德州仪器) TPS62405-Q1
  • TI(德州仪器) TPS62405-Q1
  • TI(德州仪器) TPS62405-Q1
  • TI(德州仪器) TPS62405-Q1
立即查看
您当前的位置: 首页 > 电源管理 > 直流/直流开关稳压器 > 降压稳压器 > TPS62405-Q1
TPS62405-Q1

TPS62405-Q1

正在供货

具有 1-Wire 接口的汽车类双通道固定输出电压 400mA 和 600mA、2.25MHz 降压转换器

产品详情
  • 说明
  • 特性
  • 参数
  • 封装 | 引脚 | 尺寸

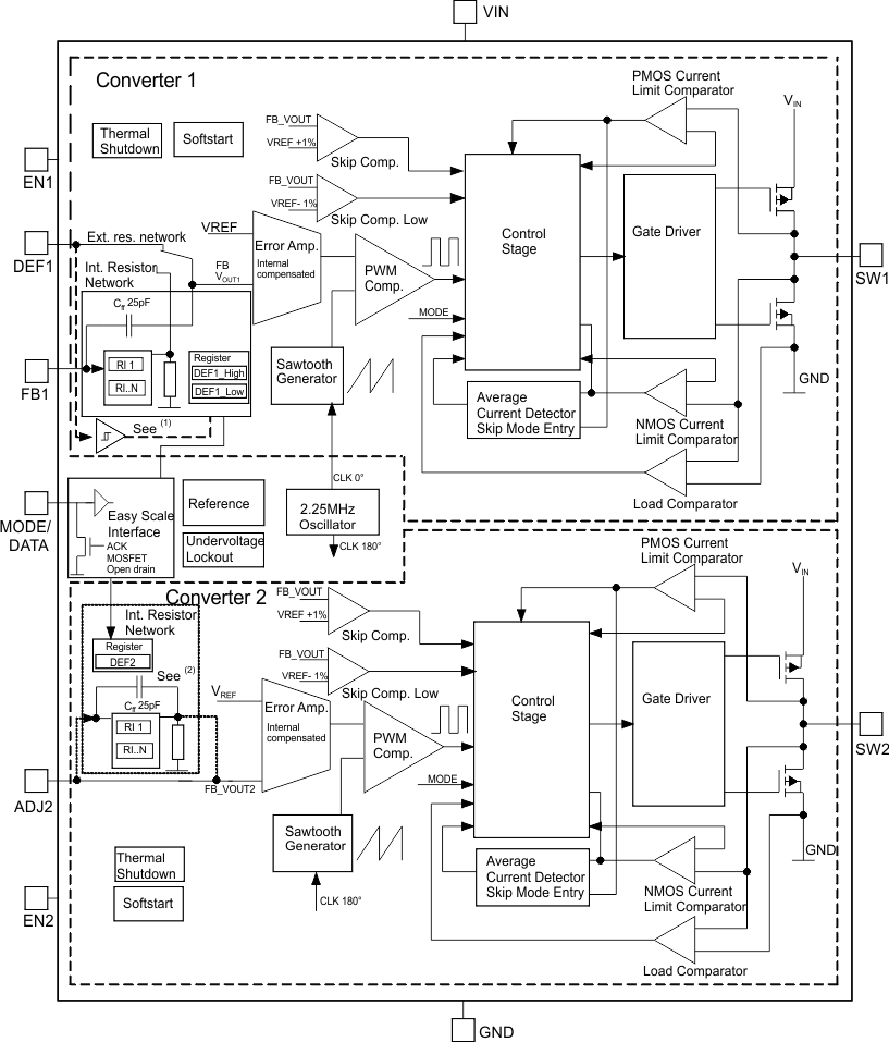
The TPS6240x-Q1 family of devices are synchronous dual step-down DC-DC converters optimized for battery-powered portable applications and automotive systems. They provide two independent output voltage rails powered by rechargeable batteries or standard 3.3-V or 5-V voltage rail.

The EasyScale™ serial interface allows output-voltages modification during operation. The fixed-output-voltage versions, TPS62402-Q1,
TPS62404-Q1, and TPS62405-Q1 support one-pin-controlled simple dynamic voltage scaling for low-power processors.

The TPS6240x-Q1 operates at 2.25-MHz fixed switching frequency and enters the power-save mode operation at light load currents to maintain high efficiency over the entire load-current range. For low-noise applications, one can force the devices into fixed-frequency PWM mode by pulling the MODE/DATA pin high. The shutdown mode reduces the current consumption to 1.2-µA, typical. The devices allow the use of small inductors and capacitors to achieve a small solution size.

  • Qualified for automotive applications
  • AEC-Q100 qualified with the following results:
    • Device temperature grade 1: –40°C to 125°C operating junction temperature range
    • Device HBM ESD classification level H2
    • Device CDM ESD classification level C4B
  • High efficiency—up to 95%
  • VIN Range from 2.5 V to 6 V
  • 2.25-MHz Fixed-frequency operation
  • Output current 400 mA and 600 mA
  • Adjustable output voltage from 0.6 V to VIN
  • Pin selectable output voltage supports simple dynamic voltage scaling
  • EasyScale™ optional one-pin serial interface
  • Power-save mode at light load currents
  • 180° Out-of-phase operation
  • Output-voltage accuracy in PWM mode ±1%
  • Typical 32-µA quiescent current for both converters
  • 100% Duty cycle for lowest dropout
Vin (min) (V)2.5
Vin (max) (V)6
Vout (min) (V)1.215
Vout (max) (V)1.925
Iout (max) (A)0.4
Iq (typ) (mA)0.032
Switching frequency (min) (kHz)2250
Switching frequency (max) (kHz)2250
FeaturesAdaptive/Dynamic Voltage Scaling, Forced PWM, Synchronous Rectification
Operating temperature range (°C)-40 to 125
RatingAutomotive
Regulated outputs (#)2
Control modeVoltage mode
Duty cycle (max) (%)100
TypeConverter
VSON (DRC)109 mm² 3 x 3
产品购买
  • 商品型号
  • 封装
  • 工作温度
  • 包装
  • 价格
  • 现货库存
  • 操作
10s
温馨提示:
订单商品问题请移至我的售后服务提交售后申请,其他需投诉问题可移至我的投诉提交,我们将在第一时间给您答复
返回顶部