h1_key

TI(德州仪器) TPS54020
德州仪器 (TI) 全系列产品在线购买
  • TI(德州仪器) TPS54020
  • TI(德州仪器) TPS54020
  • TI(德州仪器) TPS54020
  • TI(德州仪器) TPS54020
  • TI(德州仪器) TPS54020
  • TI(德州仪器) TPS54020
立即查看
您当前的位置: 首页 > 电源管理 > 直流/直流开关稳压器 > 降压稳压器 > TPS54020
TPS54020

TPS54020

正在供货

具有异相同步功能的 4.5V 至 17V、10A 同步 SWIFT™ 降压转换器

产品详情
  • 说明
  • 特性
  • 参数
  • 封装 | 引脚 | 尺寸

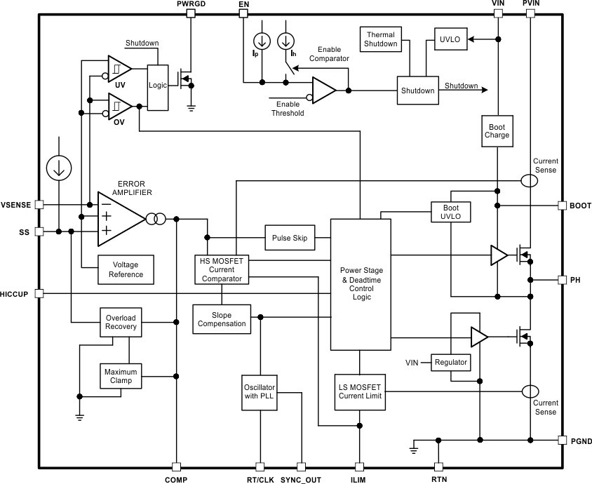
TPS54020 是一款 10A、4.5V 到 17V 输入 SWIFT 转换器。该器件采用创新型 3.5mm × 3.5mm HotRod 封装,能够优化高密度降压设计。TPS54020 是一款功能全面的转换器。

通过高侧和低侧 MOSFET 的创新集成和封装实现了高效率。TPS54020 可在较高的负载条件下保持持续电流模式 (CCM) 运行,并能够在跳过脉冲时切换到 Eco 模式以提升轻载效率。

两个 MOSFET 上的电流限制提供器件和系统的保护。高侧 MOSFET 内的逐周期电流限制在过载情况下提供保护。低侧 MOSFET 零电流检测在轻负载运行时关闭低侧 MOSFET。共有三种限流阈值可供选择,能够适用于多种应用。也可选择一个断续或逐周期过流保护机制。

当芯片温度超过热关断触发点时,热关断保护禁用开关,而在内置热滞后和关断断续时间后启用开关。

  • –40°C 至 +150°C 的工作结温范围
  • 集成 8mΩ 和 6mΩ MOSFET
  • 热增强型 3.5mm × 3.5mm HotRod™ 封装
  • 峰值电流模式控制
  • {21}Eco-mode{22} 脉冲跳跃,可实现更高的效率
  • 对两个 MOSFET 进行过流保护
  • 可选过流保护方案
  • 可选过流保护等级
  • 分离电源轨:PVIN 上的电压为 1.6V 至 17V
  • 0.6V 电压基准,精度为 ±1%
  • 200kHz 至 1.2MHz 开关频率
  • 与外部时钟同步
  • 启动至预偏置输出
  • 过热和过压保护
  • 可调软启动和电源排序
  • 针对欠压及过压提供电源良好输出监控器
  • SYNC_OUT 功能提供输出时钟信号的 180° 相移
  • 如欲获取 SWIFT™ 文档和 WEBENCH,请访问 http://www.ti.com/swift
  • 使用 TPS54020 并借助 WEBENCH Power Designer 创建定制设计
Vin (min) (V)4.5
Vin (max) (V)17
Vout (min) (V)0.6
Vout (max) (V)5
Iout (max) (A)10
Iq (typ) (mA)0.6
Switching frequency (min) (kHz)200
Switching frequency (max) (kHz)1200
FeaturesAdjustable current limit, Enable, Frequency synchronization, Light Load Efficiency, Phase Interleaving, Power good, Pre-Bias Start-Up, Soft Start Adjustable, Synchronous Rectification, Tracking
Operating temperature range (°C)-40 to 150
RatingCatalog
Regulated outputs (#)1
Control modecurrent mode
Duty cycle (max) (%)98
TypeConverter
VQFN-HR (RUW)1512.25 mm² 3.5 x 3.5
产品购买
  • 商品型号
  • 封装
  • 工作温度
  • 包装
  • 价格
  • 现货库存
  • 操作
10s
温馨提示:
订单商品问题请移至我的售后服务提交售后申请,其他需投诉问题可移至我的投诉提交,我们将在第一时间给您答复
返回顶部