h1_key

TI(德州仪器) TPS65131-Q1
德州仪器 (TI) 全系列产品在线购买
  • TI(德州仪器) TPS65131-Q1
  • TI(德州仪器) TPS65131-Q1
  • TI(德州仪器) TPS65131-Q1
  • TI(德州仪器) TPS65131-Q1
  • TI(德州仪器) TPS65131-Q1
  • TI(德州仪器) TPS65131-Q1
立即查看
您当前的位置: 首页 > 电源管理 > LCD 和 OLED 显示电源和驱动器 > TPS65131-Q1
TPS65131-Q1

TPS65131-Q1

正在供货

具有双通道正负输出(750mA 典型值)的汽车类双电源转换器

产品详情
  • 说明
  • 特性
  • 参数
  • 封装 | 引脚 | 尺寸

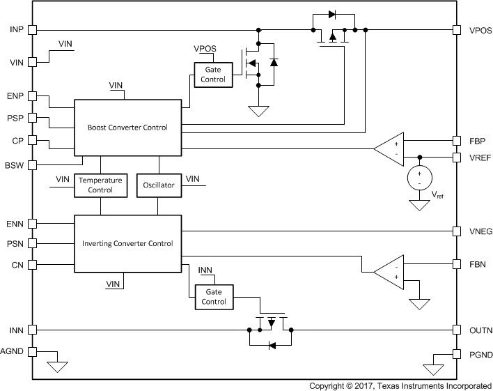
TPS65131-Q1 器件作为双输出直流/直流转换器,可产生高达 15V 的正输出电压和低至 -15V 的负输出电压,输出电流通常为 200mA,具体值取决于输入电压与输出电压比。凭借高达 85% 的总体效率,此器件非常适合于便携式电池供电类设备。输入电压范围为 2.7V 至 5.5V,因此允许诸如 3.3V 和 5V 的电压轨为 TPS65131-Q1 器件供电。TPS65131-Q1 器件采用带有散热垫的 QFN-24 封装。由于只需少量较小的外部组件,因此总体解决方案尺寸可以非常小。

此转换器采用定频 PWM 控制拓扑运行,而且在启用省电模式后,它在轻负载电流的情况下使用脉冲跳跃模式。在运行时,典型的总体器件静态电流只有 500µA。在关断状态下,器件一般消耗 0.2µA。独立使能引脚可实现针对两个输出的加电和断电排序。为了尽可能地实现故障情况下的高可靠性,此器件有一个内部电流限制、过压保护和热关断。

根据 AEC-Q100 温度 2 级要求,TPS65131-Q1 器件符合汽车 应用的要求。该器件在 –40°C 至 125°C 的器件结温范围内接受了电气特性测试。该器件还具有最低关断电流、小巧的解决方案尺寸、带散热垫的封装以及良好的效率和保护 特性,适合汽车和工业 应用。

  • 适用于汽车电子 应用
  • AEC-Q100 在测试指南中包括以下结果:
    • 器件温度 2 级:–40°C 至 105°C 的环境运行温度范围
    • 已在 -40°C 至 125°C 的结温范围内测试电气特性
    • 器件 HBM ESD 分类等级 H1C
    • 器件 CDM ESD 分类等级 C4B
  • 高达 15V 和低至 -15V 的双向可调输出电压
  • 对升压和逆变器主开关具有 2A 典型开关电流限制
  • 高转换效率
    • 正输出轨高达 91%
    • 负输出轨高达 85%
    • 低负载状态下的省电模式
  • 针对加电和断电排序的独立使能输入
  • 用于外部 PFET 的控制输出可支持在关断时完全断电
  • 2.7V 至 5.5V 输入电压范围
  • 最低 1.25MHz 的定频 PWM 操作
  • 热关断
  • 在两个输出上的过压保护
  • 0.2µA 典型关断电流
  • 小型 4mm x 4mm QFN-24 封装 (RGE)
Display typeLCD bipolar
IC integrationLCD bias
Vin (min) (V)2.7
Vin (max) (V)5.5
Applications7 inches or less, 7 to 13 inches
Source driver voltage (min) (V)-15
Source driver voltage (max) (V)15
Level shifter/scan driver (Ch)0
V_POS (min) (V)3.2
V_POS (max) (V)15
V_NEG (min) (V)-15
V_NEG (max) (V)-2
FeaturesAdjustable sequencing
TopologySplit-Rail
RatingAutomotive
Operating temperature range (°C)-40 to 105
VQFN (RGE)2416 mm² 4 x 4
产品购买
  • 商品型号
  • 封装
  • 工作温度
  • 包装
  • 价格
  • 现货库存
  • 操作
10s
温馨提示:
订单商品问题请移至我的售后服务提交售后申请,其他需投诉问题可移至我的投诉提交,我们将在第一时间给您答复
返回顶部