h1_key

TI(德州仪器) TLC59482
德州仪器 (TI) 全系列产品在线购买
  • TI(德州仪器) TLC59482
  • TI(德州仪器) TLC59482
  • TI(德州仪器) TLC59482
  • TI(德州仪器) TLC59482
  • TI(德州仪器) TLC59482
  • TI(德州仪器) TLC59482
立即查看
您当前的位置: 首页 > 电源管理 > LED 驱动器 > LED 显示驱动器 > TLC59482
TLC59482

TLC59482

正在供货

具有 6 位全局亮度控制功能的 16 通道、16 位 PWM LED 驱动器

产品详情
  • 说明
  • 特性
  • 参数
  • 封装 | 引脚 | 尺寸

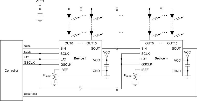
TLC59482 是一款 16 通道,恒定灌电流驱动器。 每个通道有一个步长为 65,536 的独立可调节、脉宽调制 (PWM) 灰度 (GS) 亮度控制。 所有通道具有一个 64 步长的全局亮度控制 (BC)。 BC 调节与其它 LED 驱动器的亮度偏差。 可通过一个串行接口访问 GS,和 BC 数据。

  • 16 个恒定流入电流源输出通道
  • 具有最大亮度控制 (BC) 数据的灌电流能力:
    • 1mA 至 35mA (VCC≤ 3.6V)
    • 1mA 至 45mA (VCC> 3.6V)
  • 全局亮度控制 (BC):
    • 范围为 0% 至 100% 的 6 位(64 步长)(缺省值为 50%)
  • LED 电源电压:高达 10V
  • VCC:3.0V 至 5.5V
  • 恒定电流精度:
    • 通道到通道:±1%(典型值),±2.5%(最大值)
    • 器件到器件:±2%(典型值),±4%(最大值)
  • 数据传输速率:30MHz
  • 灰度控制时钟:33MHz
  • 自动重复显示功能
  • 自动数据刷新
  • 显示计时复位
  • 用来防止涌入电流的 4 通道成组延迟开关
  • 工作温度范围:-40°C 至 +85°C
FeaturesPWM LED Driver
Analog dimming steps64
Data transfer rate (typ) (MHz)33
Ch to ch accuracy (typ) (±%)1
RatingCatalog
Operating temperature range (°C)-40 to 85
SSOP (DBQ)2451.9 mm² 8.65 x 6
产品购买
  • 商品型号
  • 封装
  • 工作温度
  • 包装
  • 价格
  • 现货库存
  • 操作
10s
温馨提示:
订单商品问题请移至我的售后服务提交售后申请,其他需投诉问题可移至我的投诉提交,我们将在第一时间给您答复
返回顶部