h1_key

TI(德州仪器) UCC28251
德州仪器 (TI) 全系列产品在线购买
  • TI(德州仪器) UCC28251
  • TI(德州仪器) UCC28251
  • TI(德州仪器) UCC28251
  • TI(德州仪器) UCC28251
  • TI(德州仪器) UCC28251
  • TI(德州仪器) UCC28251
立即查看
您当前的位置: 首页 > 电源管理 > 交流/直流和隔离式直流/直流开关稳压器 > PWM 控制器 > UCC28251
UCC28251

UCC28251

正在供货

支持预偏置模式、适用于离线应用的高级半桥/全桥 PWM 控制器

产品详情
  • 说明
  • 特性
  • 参数
  • 封装 | 引脚 | 尺寸

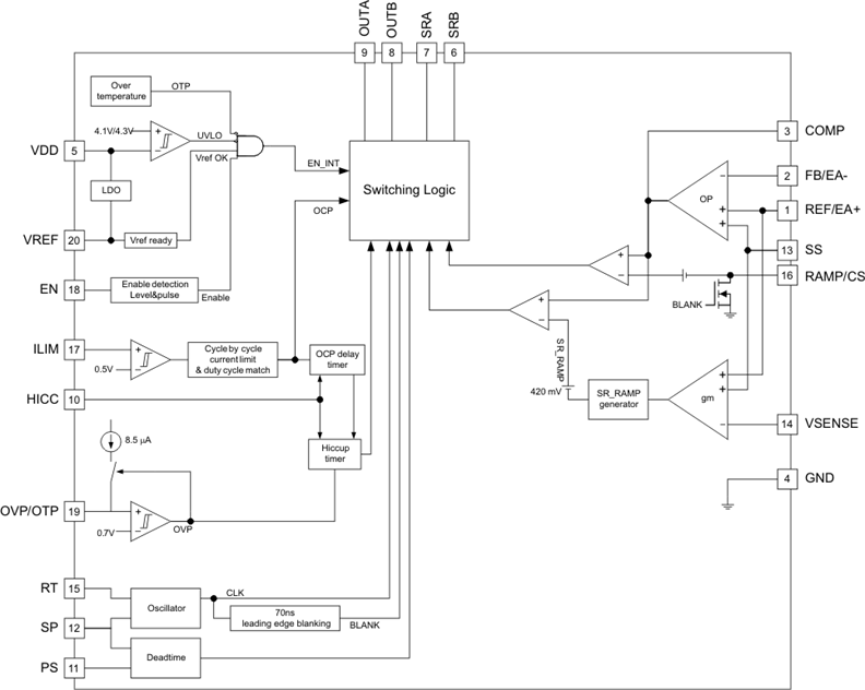
UCC28251 PWM 控制器专为对预偏置启动要求严格的高功率密度 应用 而设计。UCC28251 的集成型同步整流器控制输出针对高效和高性能拓扑结构,诸如半桥、全桥、交错正激和推挽结构。与 UCC28251 一同使用的 UCC27210 半桥驱动器和 UCC2752x MOSFET 驱动器提供一个完整的电源转换器解决方案。

UCC28251 是 UCC28250 PWM 控制器的功能性变体。UCC28251 在很大程度上保留了 UCC28250 的基本功能,同时经过设计增强了在离线式 400V 输入 DC-DC 应用 和 48V 输入全桥或半桥 应用中的性能。

在所有输出条件下,外部可编程软启动与内部预偏置启动电路的结合使用均可以使控制器逐渐到达稳态操作点。UCC28251 可针对初级或次级侧控制进行配置,并且可执行电压或电流模式控制。

振荡器的运行频率高达 1.8 MHz,并可与一个外部时钟同步。输入电压前馈、逐周期电流限制和一个可编程断续定时器可以使该系统保持在一个安全运行范围内。可执行输入电压、输出电压和温度保护。可独立设定初级侧开关和次级侧同步整流器之间的死区时间。

  • 预偏置启动
  • 具有可编程延迟的同步整流器控制输出(包括零延迟支持)
  • 具有输入电压前馈的电压模式控制或电流模式控制
  • 初级侧或次级侧控制
  • 3.3V,1.5% 高精度基准输出
  • 较低的最小运行频率
  • 具有已匹配占空比输出的 1% 高精度逐周期过流保护
  • 可编程软启动和断续重启定时器
  • 散热增强型 4mm x 4mm 超薄四方扁平无引线 (VQFN)-20 封装和 20 引脚薄型小外形尺寸 (TSSOP) 封装

应用

  • 半桥、全桥、交错正激和推挽隔离式转换器
  • 电信和数据通信电源
  • 无线基站电源
  • 服务器电源
  • 工业电源系统

All trademarks are the property of their respective owners.

TopologyForward, Full bridge, Half bridge, Push pull
Control modeCurrent, Feedforward, Voltage
Duty cycle (max) (%)100
Switching frequency (max) (kHz)1000
FeaturesCurrent limiting, Leading edge blanking, Multi-topology, Pre-bias startUp, Programmable slope compensation, SR logic, Soft start, Synchronization pin
UVLO thresholds on/off (V)4.3/4.1
Operating temperature range (°C)-40 to 125
RatingCatalog
Gate drive (typ) (A)0.2
Vin (max) (V)17
TSSOP (PW)2041.6 mm² 6.5 x 6.4
VQFN (RGP)2016 mm² 4 x 4
产品购买
  • 商品型号
  • 封装
  • 工作温度
  • 包装
  • 价格
  • 现货库存
  • 操作
10s
温馨提示:
订单商品问题请移至我的售后服务提交售后申请,其他需投诉问题可移至我的投诉提交,我们将在第一时间给您答复
返回顶部