h1_key

TI(德州仪器) BQ7716
德州仪器 (TI) 全系列产品在线购买
  • TI(德州仪器) BQ7716
  • TI(德州仪器) BQ7716
  • TI(德州仪器) BQ7716
  • TI(德州仪器) BQ7716
  • TI(德州仪器) BQ7716
  • TI(德州仪器) BQ7716
立即查看
您当前的位置: 首页 > 电源管理 > 电池管理 IC > 电池保护器 > BQ7716
BQ7716

BQ7716

正在供货

用于 2 至 4 节锂离子电池且具有外部延迟电容的过压保护系列

产品详情
  • 说明
  • 特性
  • 参数
  • 封装 | 引脚 | 尺寸

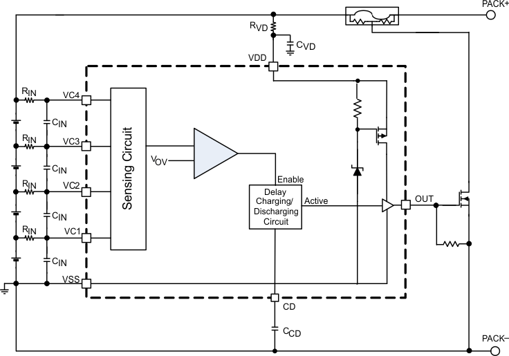
BQ7716xy 器件系列提供了适用于锂离子电池包系统的过压监控器和保护器。独立监控每节电池是否具有过压状态。为了实现更快速的产品线测试,BQ7716xy 器件提供了延迟时间大幅减少的客户测试模式。

在 BQ7716xy 器件中,当检测到任意电池上存在过压状态时,即会启动外部延迟计时器。在延迟定时器超时时,输出被触发进入其激活状态(根据配置的不同为高电平或低电平)。外部延迟定时器的特性还包括检测 CD 引脚上开路或者短路延迟电容器(这也将在过压条件下触发输出驱动器)的功能。

  • 2、3 和 4 节串联电池过压保护
  • 外部电容器编程的延迟计时器
  • 固定的 OVP 阈值
  • 高精度过压保护: ±10mV
  • 低功耗 I CC ≈ 1µA (V CELL(ALL) < V PROTECT)
  • 每个电池输入的低泄漏电流<100nA
  • 小型封装引脚尺寸
    • 8 引脚 WSON (3.00 mm × 4.00 mm)
FunctionProtection
Number of series cells (min)2, 3, 4
Number of series cells (max)3, 4
FeaturesExternal delay capacitor, Overvoltage, Single pin output drive
Operating current (typ) (µA)1
RatingCatalog
Vin (max) (V)20
Overvoltage protection3.85, 3.9, 4.2, 4.225, 4.3, 4.35
Operating temperature range (°C)-40 to 85
Battery overvoltage protection (min) (V)3.85
Battery overvoltage protection (max) (V)4.6
WSON (DPJ)812 mm² 4 x 3
产品购买
  • 商品型号
  • 封装
  • 工作温度
  • 包装
  • 价格
  • 现货库存
  • 操作
10s
温馨提示:
订单商品问题请移至我的售后服务提交售后申请,其他需投诉问题可移至我的投诉提交,我们将在第一时间给您答复
返回顶部