h1_key

TI(德州仪器) TPS62698
德州仪器 (TI) 全系列产品在线购买
  • TI(德州仪器) TPS62698
  • TI(德州仪器) TPS62698
  • TI(德州仪器) TPS62698
  • TI(德州仪器) TPS62698
  • TI(德州仪器) TPS62698
  • TI(德州仪器) TPS62698
立即查看
您当前的位置: 首页 > 电源管理 > 直流/直流开关稳压器 > 降压稳压器 > TPS62698
TPS62698

TPS62698

正在供货

800mA、3MHz 高效降压转换器。3.0V 固定输出电压。

产品详情
  • 说明
  • 特性
  • 参数
  • 封装 | 引脚 | 尺寸

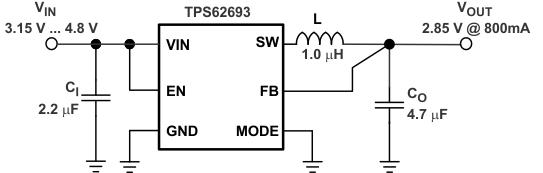
The TPS62693 device is a high-frequency synchronous step-down dc-dc converter optimized for battery-powered portable applications. Intended for low-power applications, the TPS62693 supports up to 800-mA load current, and allows the use of low cost chip inductor and capacitors.

The device is ideal for mobile phones and similar portable applications powered by a single-cell Li-Ion battery. Different fixed output voltage versions are available in the range from 2.2 V up to 3.3 V.

The TPS62693 operates at a regulated 3-MHz switching frequency and enters the power-save mode operation at light load currents to maintain high efficiency over the entire load current range.

The PFM mode extends the battery life by reducing the quiescent current to 21 µA (typical) during light load operation. For noise-sensitive applications, the device can be forced into fixed frequency PWM mode by pulling the MODE pin high. This feature, combined with high PSRR and AC load regulation performance, make this device suitable to replace a linear regulator to obtain better power conversion efficiency.

  • 95% Efficiency at 3MHz Operation
  • 21 µA Quiescent Current
  • 3 MHz Regulated Frequency Operation
  • Spread Spectrum, PWM Frequency Dithering
  • High Duty-Cycle Operation
  • ±2% Total DC Voltage Accuracy
  • Load and Line Transient
  • Excellent AC Load Regulation
  • Low Ripple Light-Load PFM Mode
  • ≥40 dB VIN PSRR (1 kHz to 10 kHz)
  • Internal Soft Start, 350-μs Start-Up Time
  • Integrated Active Power-Down Sequencing (Optional)
  • Current Overload and Thermal Shutdown Protection
  • Three Surface-Mount External Components Required
    (One 2012 MLCC Inductor, Two 0402 Ceramic Capacitors)
  • Complete Sub 1-mm Component Profile Solution
  • Total Solution Size <12 mm2 (CSP)
  • Available in a 6-Pin NanoFree (CSP)
Vin (min) (V)2.3
Vin (max) (V)4.8
Vout (min) (V)3
Vout (max) (V)3
Iout (max) (A)0.8
Iq (typ) (mA)0.019
Switching frequency (min) (kHz)2700
Switching frequency (max) (kHz)3000
EMI featuresSpread Spectrum
FeaturesEnable, Forced PWM, Light load efficiency, Output discharge, Spread Spectrum
Operating temperature range (°C)-40 to 85
RatingCatalog
Regulated outputs (#)1
Control modeVoltage mode
Duty cycle (max) (%)100
TypeConverter
DSBGA (YFD)61.4000000000000001 mm² 1.4000000000000001 x 1
产品购买
  • 商品型号
  • 封装
  • 工作温度
  • 包装
  • 价格
  • 现货库存
  • 操作
10s
温馨提示:
订单商品问题请移至我的售后服务提交售后申请,其他需投诉问题可移至我的投诉提交,我们将在第一时间给您答复
返回顶部