h1_key

TI(德州仪器) BQ51003
德州仪器 (TI) 全系列产品在线购买
  • TI(德州仪器) BQ51003
  • TI(德州仪器) BQ51003
  • TI(德州仪器) BQ51003
  • TI(德州仪器) BQ51003
  • TI(德州仪器) BQ51003
  • TI(德州仪器) BQ51003
立即查看
您当前的位置: 首页 > 电源管理 > 电池管理 IC > 电池充电器 IC > BQ51003
BQ51003

BQ51003

正在供货

BQ51003 无线电源接收器

产品详情
  • 说明
  • 特性
  • 参数
  • 封装 | 引脚 | 尺寸

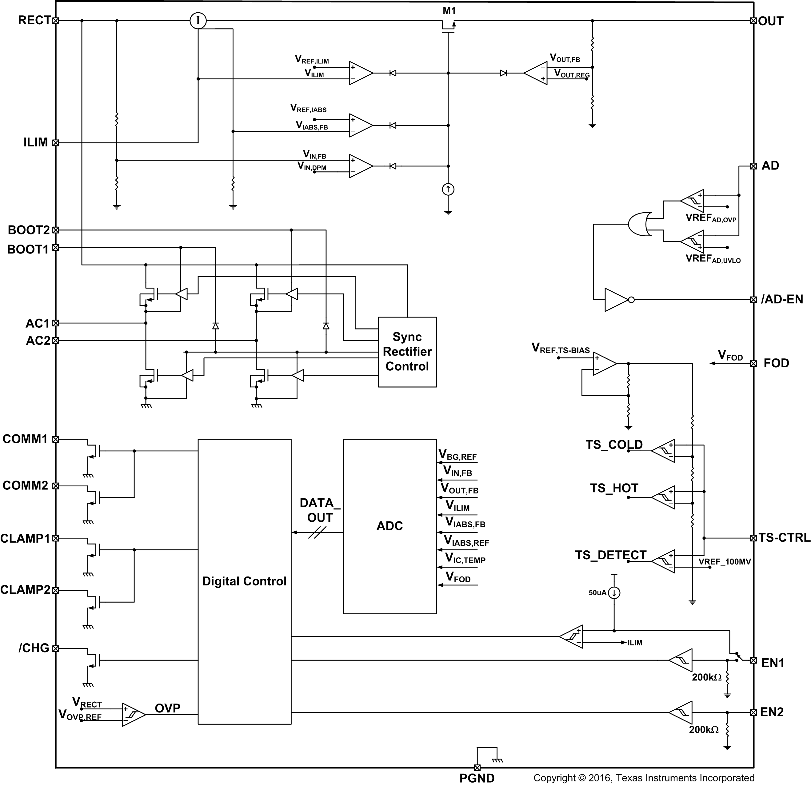
bq51003 是一款用于在便携式应用中进行无线电源传输的高级集成型 接收器 IC, 针对功率为 2.5W 及其以下的应用 进行了优化。该器件可提供交流/直流电源转换,同时集成了使用 Qi v1.2 通信协议所需的数字控制功能。配合使用 bq500212A 发送器控制器,bq51003 可为无线电源解决方案提供完整的非接触式电力传输系统。通过使用近场感应式电力传输,嵌入在便携式设备中的接收器线圈可通过相互耦合的电感器接受发送器线圈发出的电能。然后,来自接收器线圈的交流信号经过整流和调节可用作系统关闭电子产品的电源。为了稳定电力传输过程,建立了从次级侧到发送器的全局反馈机制(通过反向散射调制)。此反馈是通过使用支持高达 2.5W 应用的 Qi v1.2 通信协议 建立的。

该器件集成了低阻抗完全同步整流器、低压降稳压器、数字控制以及精确电压和电流环路。

  • 集成型无线电源接收器解决方案(针对 2.5W 应用 进行了优化)
    • 93% 的整体峰值交流/直流转换效率
    • 完全同步整流器
    • 符合 WPC v1.2 标准的通信控制
    • 输出电压调节
    • 在 RX 线圈与输出之间只需要集成电路 (IC)
  • 符合无线电源联盟 (WPC) v1.2 标准(启用 FOD)的高精度电流传感
  • 动态整流器控制,可改进负载瞬态响应
  • 可在宽泛的输出电源范围内优化性能的动态效率调节
  • 针对稳健通信的自适应通信限制
  • 支持 20V 最高输入电压
  • 低功率耗散整流器过压钳位 (VRECT-OVP = 15V)
  • 热关断
  • 用于温度监控、充电完成和故障主机控制的多功能负温度系数热敏电阻 (NTC) 和控制引脚
RatingCatalog
Operating temperature range (°C)-40 to 85
DSBGA (YFP)285.4 mm² 1.8 x 3
产品购买
  • 商品型号
  • 封装
  • 工作温度
  • 包装
  • 价格
  • 现货库存
  • 操作
10s
温馨提示:
订单商品问题请移至我的售后服务提交售后申请,其他需投诉问题可移至我的投诉提交,我们将在第一时间给您答复
返回顶部