h1_key

TI(德州仪器) TPS61176
德州仪器 (TI) 全系列产品在线购买
  • TI(德州仪器) TPS61176
  • TI(德州仪器) TPS61176
  • TI(德州仪器) TPS61176
  • TI(德州仪器) TPS61176
  • TI(德州仪器) TPS61176
  • TI(德州仪器) TPS61176
立即查看
您当前的位置: 首页 > 电源管理 > LED 驱动器 > 背光 LED 驱动器 > TPS61176
TPS61176

TPS61176

正在供货

支持单节锂离子电池输入的高效 6 通道 WLED 驱动器

产品详情
  • 说明
  • 特性
  • 参数
  • 封装 | 引脚 | 尺寸

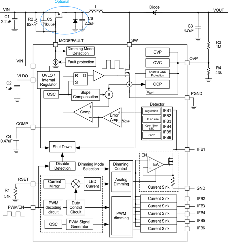
TPS61176 是一款用于平板电脑或笔记本电脑(可支持由单节电池直接供电)的高度集成多通道 WLED 背光驱动器。 它包含一个高效升压转换器,此转换器具有一个集成 2A/40V 功率 MOSFET 和 6 个电流吸收稳压器。 此器件总共能够驱动多达 60 个具有高电流匹配性能的 WLED。 此外,为了提高效率,此升压转换器能够自动调节到 WLED 正向电压的输出电压。

TPS61176 采用混合调光模式。 低调光占空比时的 PWM 调光与高占空比时的模拟调光间的自动切换增加了整体电光转换效率,从而大大减少了背光的功率分配。 切换点可被设定为 25% 或 12.5%,并且 PWM 调光模式可被设定为固定频率调光或直接 PWM 调光。 TPS61176 支持高达 14 位的调光分辨率,这就避免了低亮度调光期间可能发生的视觉闪烁。

通过提供一个用于外部隔离 P 通道 MOSFET 的驱动器,TPS61176 能够支持真关断。 当集成电路 (IC) 被禁用或升压输出被短接至地时,隔离 PFET 可被关闭以切断电池到 WLED 的电源路径,从而防止电池电流泄露。 TPS61176 还集成了软启动,WLED 开路和短路保护以及热关断。

TPS61176 采用 16 引脚 3mm x 3mm WQFN 封装,从而提供了一个节省空间且高性能的 WLED 驱动器解决方案。

  • 2.7V 至 6.5V VIN 电压范围
  • 2.7V 至 24V 升压输入电压范围
  • 集成型 2A/40V 金属氧化物半导体场效应晶体管 (MOSFET)
  • 1MHz 开关频率
  • 至 WLED 电压的自适应升压输出
  • 每个具有 6 个 35mA 的电流吸收能力
  • ±2%(最大值)电流精度
  • 1.3%(典型值)的电流匹配
  • 宽脉宽调制 (PWM) 调光频率范围
    • 从 100Hz 至 22kHz
  • 混合调光模式:模拟调光和 PWM 调光间的自动切换
    • 可编程切换点:25%/12.5%
    • 可编程 PWM 调光模式:22kHz PWM 调光/直接 PWM 调光
  • 高达 14 位的调光分辨率
  • 支持低至 1% 的调光占空比
  • 输入 PWM 毛刺脉冲滤波器
  • 效率高达 90%
  • 针对输入/输出隔离 PFET 的驱动器以实现真关断
  • 内置软起动
  • 内置 WLED 开路/短路保护
  • 热关断
  • 支持 4.7µH 电感器
  • 16L 3mm x 3mm 超薄四方扁平无引线 (WQFN) 封装

应用范围

  • 平板电脑背光
  • 笔记本电脑背光
  • 用于由单节或多节电池输入供电的小型和中等尺寸 LCD 显示屏的背光

Number of channels6
Vin (min) (V)2.7
Vin (max) (V)6.5
Vout (min) (V)2.7
Vout (max) (V)38
TypeInductive
Switching frequency (max) (kHz)1000
Duty cycle (max) (%)93
LED current per channel (mA)35
Peak efficiency (%)90
TopologyBoost
Operating temperature range (°C)-40 to 85
RatingCatalog
WQFN (RTE)169 mm² 3 x 3
产品购买
  • 商品型号
  • 封装
  • 工作温度
  • 包装
  • 价格
  • 现货库存
  • 操作
10s
温馨提示:
订单商品问题请移至我的售后服务提交售后申请,其他需投诉问题可移至我的投诉提交,我们将在第一时间给您答复
返回顶部