h1_key

TI(德州仪器) CSD17559Q5
德州仪器 (TI) 全系列产品在线购买
  • TI(德州仪器) CSD17559Q5
  • TI(德州仪器) CSD17559Q5
  • TI(德州仪器) CSD17559Q5
  • TI(德州仪器) CSD17559Q5
  • TI(德州仪器) CSD17559Q5
  • TI(德州仪器) CSD17559Q5
立即查看
您当前的位置: 首页 > 电源管理 > MOSFET > N 沟道 MOSFET > CSD17559Q5
CSD17559Q5

CSD17559Q5

正在供货

采用 5mm x 6mm SON 封装的单路、1.5mΩ、30V、N 沟道 NexFET™ 功率 MOSFET

产品详情
  • 说明
  • 特性
  • 参数
  • 封装 | 引脚 | 尺寸

这款 30V,0.95mΩ,5mm × 6mm SON 封装 NexFET 功率 MOSFET 设计用于大大降低同步整流和其它功率转换应用中的损耗。

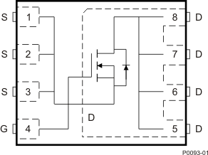
顶视图 要了解所有可用封装,请见数据表末尾的可订购产品附录。 RθJA = 40°C/W,这是在厚度为 0.06 英寸 (1.52 mm) 的环氧板 (FR4) 印刷电路板 (PCB) 上的 1 英寸2 (6.45 cm2),2 盎司(厚度为 0.071 mm)的铜过渡垫片上测得的典型值
。最大 RθJC = 1.2°C/W,脉冲持续时间 ≤ 100μs,占空比 ≤ 1%

  • 极低电阻
  • 超低 Qg 和 Qgd
  • 低热阻
  • 雪崩级
  • 无铅端子镀层
  • 符合 RoHS 标准
  • 无卤素
  • 小外形尺寸无引线 (SON) 5mm x 6mm 塑料封装

应用范围

  • 网络互联、电信和计算系统中的负载点同步降压
  • 同步整流
  • 有源或操作 (ORing) 和热插拔应用

VDS (V)30
ConfigurationSingle
Rds(on) at VGS=4.5 V (max) (mΩ)1.5
Rds(on) at VGS=10 V (max) (mΩ)1.15
IDM - pulsed drain current (max) (A)400
QG (typ) (nC)39
QGD (typ) (nC)9.3
QGS (typ) (nC)14.4
VGS (V)20
VGSTH typ (typ) (V)1.4
ID - silicon limited at TC=25°C (A)257
ID - package limited (A)100
Logic levelYes
Operating temperature range (°C)-55 to 150
RatingCatalog
VSON-CLIP (DQH)830 mm² 6 x 5
产品购买
  • 商品型号
  • 封装
  • 工作温度
  • 包装
  • 价格
  • 现货库存
  • 操作
10s
温馨提示:
订单商品问题请移至我的售后服务提交售后申请,其他需投诉问题可移至我的投诉提交,我们将在第一时间给您答复
返回顶部