h1_key

TI(德州仪器) TPS51313
德州仪器 (TI) 全系列产品在线购买
  • TI(德州仪器) TPS51313
  • TI(德州仪器) TPS51313
  • TI(德州仪器) TPS51313
  • TI(德州仪器) TPS51313
  • TI(德州仪器) TPS51313
  • TI(德州仪器) TPS51313
立即查看
您当前的位置: 首页 > 电源管理 > 直流/直流开关稳压器 > 降压稳压器 > TPS51313
TPS51313

TPS51313

正在供货

用于 nVidia Graphics PEX (PCI-Express) 电压轨的 3V 至 5.5V 输入、DCAP2、1MHz、降压直流/直流转换器

产品详情
  • 说明
  • 特性
  • 参数
  • 封装 | 引脚 | 尺寸

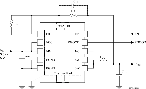
TPS51313 是一款针对低压负载点应用的易于使用的、完全集成、同步降压转换器。 它被设计成符合 NVIDIA OpenVreg 类型 0 技术规范,其中包括对封装和封装尺寸的要求。 它在输出电压介于 0.6V 至 3.3V 之间时支持 3A(最大值)直流输出电流。 D-CAP2 模式适应、恒定接通时间控制(开关频率 1MHz)可在使用全陶瓷输出电容器设计时实现小封装尺寸并提供一个低外部组件数量。 此器件还在轻负载条件下特有自动跳跃功能、预偏置启动和内部固定软启动时间。 当器件被禁用时,输出电容器通过内部电阻器放电。 TPS51313 采用 3mm × 3mm,10 引脚 DRC 封装(符合 RoHs 环保标准且无铅),额定温度范围为 -10°C 至 85°C。

  • 输入电压 VIN 范围:3.1V 至 5.5V
  • 偏置电压 VCC 范围:3.1V 至 5.5V
  • 输出电压范围:0.6V 至 3.3V
  • 0.6V,1% 电压基准精度
  • 开关频率:1MHz
  • 无需外部补偿
  • 固定电压伺服器软启动功能
  • 过热保护
Vin (min) (V)3.1
Vin (max) (V)5.5
Vout (min) (V)0.6
Vout (max) (V)3.3
Iout (max) (A)3
Iq (typ) (mA)0.8
Switching frequency (min) (kHz)1000
Switching frequency (max) (kHz)1000
FeaturesEnable, Light load efficiency, Output discharge, Power good, Pre-Bias Start-Up, Soft Start Fixed, Synchronous Rectification
Operating temperature range (°C)-10 to 85
RatingCatalog
Regulated outputs (#)1
Control modeD-CAP2
Duty cycle (max) (%)90
TypeConverter
VSON (DRC)109 mm² 3 x 3
产品购买
  • 商品型号
  • 封装
  • 工作温度
  • 包装
  • 价格
  • 现货库存
  • 操作
10s
温馨提示:
订单商品问题请移至我的售后服务提交售后申请,其他需投诉问题可移至我的投诉提交,我们将在第一时间给您答复
返回顶部