h1_key

TI(德州仪器) TPS23751
德州仪器 (TI) 全系列产品在线购买
  • TI(德州仪器) TPS23751
  • TI(德州仪器) TPS23751
  • TI(德州仪器) TPS23751
  • TI(德州仪器) TPS23751
  • TI(德州仪器) TPS23751
  • TI(德州仪器) TPS23751
立即查看
您当前的位置: 首页 > 电源管理 > 以太网供电 (PoE) IC > 供电设备 > TPS23751
TPS23751

TPS23751

正在供货

具有反激式直流/直流控制器的 IEEE 802.3at PoE 接口

产品详情
  • 说明
  • 特性
  • 参数
  • 封装 | 引脚 | 尺寸

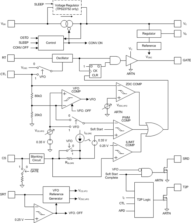
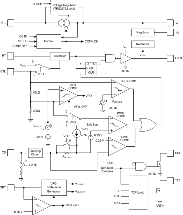
TPS23751 是一个整合有以太网供电 (PoE) 受电设备 (PD) 接口和电流模式直流/直流控制器的 16 引脚集成电路, 专门针对 在宽负载范围内要求实现高效率的应用进行了优化。

PoE 接口执行符合 IEEE 802.3at 标准的类型 2 硬件类别。它还包括一个辅助电源检测 (APD) 输入和一个禁用功能 (DEN)。0.5Ω、100V 的导通 MOSFET 最大限度地减少了热耗散,并大大提高了电源利用率。

该直流/直流控制器 具有 内部软启动、引导启动电流源、带有斜坡补偿的电流模式控制、消隐和电流限制等特性。通过禁用同步整流并进入可变频率运行 (VFO) 可提高轻负载时的效率。

TPS23752 是 TPS23751 的 20 引脚扩展版本并具有额外的睡眠模式功能。睡眠模式将会禁用转换器以最大限度地减少功耗,同时仍然生成 IEEE802.3at 所需的维持功率特征 (MPS)。

  • 使用状态标志进行 IEEE 802.3at 分类
  • 可在宽负载范围内提供高效解决方案
  • 可对高达 25.5W 的受电设备供电
  • 耐用的 100V,0.5Ω 热交换金属氧化物半导体场效应晶体管 (MOSFET)
  • 同步整流器禁用信号
  • PowerPAD™薄型小外形尺寸 (TSSOP) 封装
  • 具有完整的 PoE 接口和直流/直流控制器
  • 适配器 ORing 支持
  • 可编程频率
  • TPS23752 支持超低功耗睡眠模式
  • -40°C 至 125°C 的工作结点温范围
Vin (min) (V)9.2
Vin (max) (V)57
PoE current limit (min) (mA)850
PoE inrush limit (mA) (typ) (A)0.14
rDS(on) per FET (typ) (mΩ)450
PoE standards supported802.3at Type 1 (802.3af), 802.3at Type 2
PD power level13W, 25W
DC/DC controlPD and DC/DC
Fault responseAuto Retry
FeaturesPrimary-side adapter priority, Thermal shutdown, VFO
Operating temperature range (°C)-40 to 85
RatingCatalog
HTSSOP (PWP)1632 mm² 5 x 6.4
产品购买
  • 商品型号
  • 封装
  • 工作温度
  • 包装
  • 价格
  • 现货库存
  • 操作
10s
温馨提示:
订单商品问题请移至我的售后服务提交售后申请,其他需投诉问题可移至我的投诉提交,我们将在第一时间给您答复
返回顶部