h1_key

TI(德州仪器) LMR10530
德州仪器 (TI) 全系列产品在线购买
  • TI(德州仪器) LMR10530
  • TI(德州仪器) LMR10530
  • TI(德州仪器) LMR10530
  • TI(德州仪器) LMR10530
  • TI(德州仪器) LMR10530
  • TI(德州仪器) LMR10530
立即查看
您当前的位置: 首页 > 电源管理 > 直流/直流开关稳压器 > 降压稳压器 > LMR10530
LMR10530

LMR10530

正在供货

采用 WSON 封装的 5.5V、3A、3MHz 降压稳压器

产品详情
  • 说明
  • 特性
  • 参数
  • 封装 | 引脚 | 尺寸

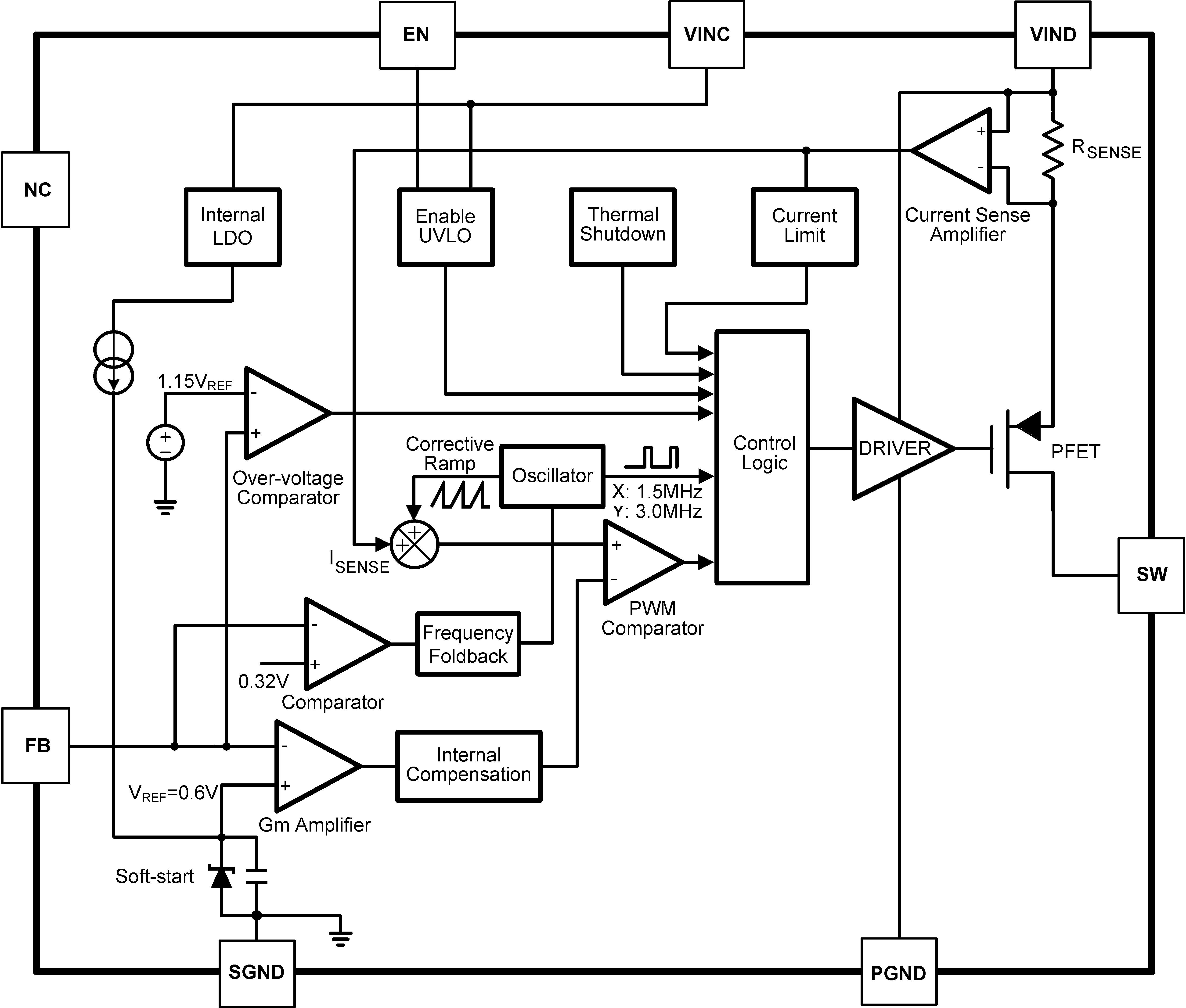
LMR10530 稳压器是一款采用 10 引脚 WSON 封装的单片、高频、PWM 降压直流/直流转换器。该器件包含所有有效功能,从而在尽可能最小的 PCB 区域内提供具有快速瞬态响应和精确调节功能的本地直流/直流转换。LMR10530 具有最少的外部组件,因而易于使用。该器件能够通过采用最先进的 0.5µm BiCMOS 技术的内部 56mΩ PMOS 开关来驱动 3A 负载,从而实现最佳的功率密度。该控制电路可实现低至 30ns 的导通时间,从而在整个 3V 至 5.5V 输入工作范围内支持极高频转换,最低输出电压为 0.6V。开关频率在内部设置为 1.5MHz 或 3MHz,从而允许使用极小的表面贴装电感器和电容器。尽管工作频率很高,但仍可以轻松实现高达 93% 的效率。包括外部关断功能,该功能具有 300nA 的超低待机电流。LMR10530 利用峰值电流模式控制和内部补偿在各种运行条件下提供高性能调节。其他 功能 包括用于减小浪涌电流的内部软启动电路、逐周期电流限制、频率折返、热关断和输出过压保护。

  • 输入电压范围:3V 至 5.5V
  • 输出电压范围:0.6V 至 4.5V
  • 1.5MHz (LMR10530X) 和 3MHz (LMR10530Y) 开关频率
  • 3A 稳定状态输出电流
  • 低关断 IQ,典型值为 300nA
  • 56mΩ PMOS 开关
  • 内部软启动
  • 内部补偿峰值电流模式控制
  • 逐周期电流限制和热关断
  • WSON (3 × 3 × 0.8mm) 封装
  • 使用 LMR10530 并借助 WEBENCH® 电源设计器创建定制设计方案
Vin (min) (V)3
Vin (max) (V)5.5
Vout (min) (V)0.6
Vout (max) (V)4.5
Iout (max) (A)3
Iq (typ) (mA)3.2
Switching frequency (min) (kHz)1600
Switching frequency (max) (kHz)3750
FeaturesEnable
Operating temperature range (°C)-40 to 125
RatingCatalog
Regulated outputs (#)1
Control modecurrent mode
Duty cycle (max) (%)90
TypeConverter
WSON (DSC)109 mm² 3 x 3
产品购买
  • 商品型号
  • 封装
  • 工作温度
  • 包装
  • 价格
  • 现货库存
  • 操作
10s
温馨提示:
订单商品问题请移至我的售后服务提交售后申请,其他需投诉问题可移至我的投诉提交,我们将在第一时间给您答复
返回顶部