h1_key

TI(德州仪器) TPS43333-Q1
德州仪器 (TI) 全系列产品在线购买
  • TI(德州仪器) TPS43333-Q1
  • TI(德州仪器) TPS43333-Q1
  • TI(德州仪器) TPS43333-Q1
  • TI(德州仪器) TPS43333-Q1
  • TI(德州仪器) TPS43333-Q1
  • TI(德州仪器) TPS43333-Q1
立即查看
您当前的位置: 首页 > 电源管理 > 多通道 IC (PMIC) > TPS43333-Q1
TPS43333-Q1

TPS43333-Q1

正在供货

汽车类 2V 至 40V 低 Iq 单路升压和双路同步降压控制器

产品详情
  • 说明
  • 特性
  • 参数
  • 封装 | 引脚 | 尺寸

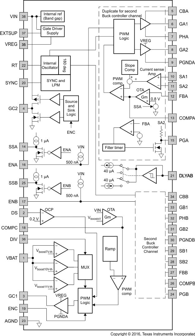
TPS43333-Q1 包含两个电流模式同步降压控制器和一个电压模式升压控制器。 此器件非常适合作为需要低静态电流 (Iq) 的预稳压器级,它也是那些要求在遇到由意外事件而导致电源下降时不受损害的应用的理想选择。 集成升压控制器使得器件能够在输入低至 2V 时运行,而又不会出现降压稳压器输出级的下降。 在轻负载时,可以启用降压控制器来自动运行在低功耗模式下,消耗的静态电流仅为 30μA。

降压转换器有独立的软启动功能和电源正常指示器。 降压控制器中的电流折返和升压控制器中的逐周期电流限制提供了外部金属氧化物半导体场效应晶体管 (MOSFET) 保护。 开关频率可在 150kHz至 600kHz 之间进行编程或者可将它与一个处于同一范围内的外部时钟同步。

  • 符合汽车应用要求
  • 具有下列结果的 AEC-Q100 测试指南:
    • 器件温度 1 级:-40°C 至 125°C 的环境运行温度范围
    • 器件人体模型 (HBM) 静电放电 (ESD) 分类等级 H2
    • 器件充电器件模型 (CDM) ESD 分类等级 C2
  • 两个同步降压控制器
  • 一个预升压控制器
  • 当启用升压时,输入电压范围高达 40V,(瞬态电压高达 60V),运行电压低至 2V
  • 低功耗模式 IQ:30µA(一个降压控制器打开),35µA(两个降压控制器打开)
  • 低关断电流 Ish< 4µA
  • 0.9V 至 11V 的降压输出范围
  • 可选升压输出:7V,10V,或者 11V
  • 可编程频率和外部同步范围为 150kHz 至 600kHz
  • 独立的使能输入 (ENA,ENB)
  • 轻负载时,可选强制持续模式或自动低功耗模式
  • 感应电阻器或者电感器 DCR 感测
  • 降压通道之间的异相开关
  • 峰值栅极驱动电流 1.5A
  • 耐热增强型 38 引脚散热薄型小外形尺寸封装 (HTSSOP)(DAP) PowerPAD 封装

应用范围

  • 汽车启停、信息娱乐、导航仪表仪表板系统
  • 工业和汽车用多轨直流配电系统和电子控制单元

Regulated outputs (#)3
Vin (min) (V)2
Vin (max) (V)40
Iout (max) (A)6
FeaturesEnable, Overcurrent protection, Power good, Synchronous rectification, Thermal shutdown, UVLO fixed
Step-up DC/DC converter0
Step-down DC/DC converter0
Step-down DC/DC controller2
Step-up DC/DC controller1
LDO0
Iq (typ) (mA)0.03
RatingAutomotive
Switching frequency (max) (kHz)600
Operating temperature range (°C)-40 to 125
Processor supplierGeneric
Processor nameGeneric
Shutdown current (ISD) (typ) (µA)3
HTSSOP (DAP)38101.25 mm² 12.5 x 8.1
产品购买
  • 商品型号
  • 封装
  • 工作温度
  • 包装
  • 价格
  • 现货库存
  • 操作
10s
温馨提示:
订单商品问题请移至我的售后服务提交售后申请,其他需投诉问题可移至我的投诉提交,我们将在第一时间给您答复
返回顶部