h1_key

TI(德州仪器) BQ51050B
德州仪器 (TI) 全系列产品在线购买
  • TI(德州仪器) BQ51050B
  • TI(德州仪器) BQ51050B
  • TI(德州仪器) BQ51050B
  • TI(德州仪器) BQ51050B
  • TI(德州仪器) BQ51050B
  • TI(德州仪器) BQ51050B
立即查看
您当前的位置: 首页 > 电源管理 > 电池管理 IC > 电池充电器 IC > BQ51050B
BQ51050B

BQ51050B

正在供货

符合 Qi (WPC) 标准的高度集成次级侧直接锂离子电池充电器

产品详情
  • 说明
  • 特性
  • 参数
  • 封装 | 引脚 | 尺寸

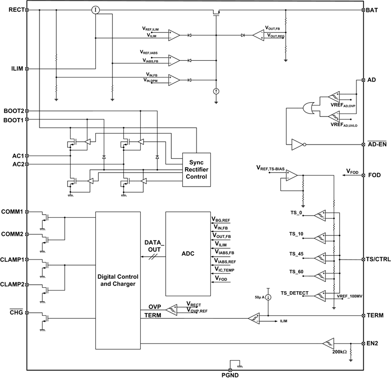
bq5105x 器件是符合 Qi 标准的高效无线电源接收器,具有集成的锂离子/锂聚合物电池充电控制器,可用于便携式 应用。bq5105xB 器件提供高效交流/直流电源转换,集成了符合 Qi v1.2 通信协议所需的数字控制器,并提供了安全高效锂离子和锂聚合物电池充电所需的所有必需控制算法。通过搭配使用 bq500212A 发送器侧控制器,bq5105x 可为直接电池充电器解决方案提供完整的无线电源传输系统。通过使用近场感应式电力传输,嵌入在便携式器件内的接收器线圈能够接收发送器线圈所发出的电能。来自接收器线圈的交流信号继而被整流和调节以将电能直接应用到电池。为了稳定电能传输过程,建立了接收器到发送器的全局反馈机制。这个反馈使用 Qi v1.2 通信协议建立。

bq5105xB 器件在单个封装内集成了低阻抗同步整流器、低压降稳压器 (LDO)、数字控制、充电器控制器及精准电压和电流环路。整个功率级(整流器与 LDO)均使用低阻抗 N-MOSFET(100mΩ 常用导通电阻)以确保高效率与低功耗。

  • 单级无线电源接收器
    和锂离子/锂聚合物电池充电器
    • 在单个小型封装内将无线电源接收器、整流器和电池充电器组合在一起
    • 4.20V、4.35V 和 4.40V 输出电压选项
    • 支持高达 1.5A 的充电电流
    • 93% 峰值交流至直流 (AC-DC) 充电效率
  • 稳健耐用架构
    • 20V 最大输入电压容差,具有输入过压保护
    • 热关断及过流保护
    • 温度监控和故障检测
  • 符合 WPC v1.2 Qi 行业标准
  • 功率级输出跟踪整流器和电池电压以确保整个充电周期内的最大效率
  • 采用小型 DSGBA 和 VQFN 封装
Charge current (max) (A)1.5
Vin (max) (V)10
Cell chemistryLi-Ion/Li-Polymer
Absolute max Vin (max) (V)20
Vin (min) (V)4
RatingCatalog
Operating temperature range (°C)0 to 125
DSBGA (YFP)285.4 mm² 1.8 x 3
VQFN (RHL)2015.75 mm² 4.5 x 3.5
产品购买
  • 商品型号
  • 封装
  • 工作温度
  • 包装
  • 价格
  • 现货库存
  • 操作
10s
温馨提示:
订单商品问题请移至我的售后服务提交售后申请,其他需投诉问题可移至我的投诉提交,我们将在第一时间给您答复
返回顶部